Добавить в корзинуПозвонить
Найти в Дзене
Золотые руки мастера

Вихревой теплогенератор своими руками. Вихревые теплогенераторы

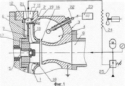
Тепловые генераторы Vortex - это устройства, с помощью которых вы можете просто обогреть все жилые помещения. Это достигается только в отношении электродвигателя, как и с насосом. В целом это устройство можно назвать экономичным и не приводит к отличным результатам. Стандартная схема использования вихревого теплогенератора, используемого на циркуляционном насосе. Обратный клапан должен быть расположен сверху. Совет это может выдержать большое давление. Нагревают индивидуальные отопительные приборы, которые необходимо использовать по-разному. Лучше всего встретить радиаторы, а также конвекторы. Кроме того, неотъемлемой частью системы каждой модели считается управляемый блок с датчиком температуры и грязеуловителем. Чтобы собрать вихревой теплогенератор своими руками, нужно более подробно познакомиться с его наиболее известными модификациями. Модель с радиальной камерой Довольно сложно создать теплогенератор с вашей радиальной камерой (чертежи и схемы на ваш выбор). В этом случае ротор

Тепловые генераторы Vortex - это устройства, с помощью которых вы можете просто обогреть все жилые помещения. Это достигается только в отношении электродвигателя, как и с насосом. В целом это устройство можно назвать экономичным и не приводит к отличным результатам. Стандартная схема использования вихревого теплогенератора, используемого на циркуляционном насосе. Обратный клапан должен быть расположен сверху. Совет это может выдержать большое давление. Нагревают индивидуальные отопительные приборы, которые необходимо использовать по-разному. Лучше всего встретить радиаторы, а также конвекторы. Кроме того, неотъемлемой частью системы каждой модели считается управляемый блок с датчиком температуры и грязеуловителем. Чтобы собрать вихревой теплогенератор своими руками, нужно более подробно познакомиться с его наиболее известными модификациями. Модель с радиальной камерой Довольно сложно создать теплогенератор с вашей радиальной камерой (чертежи и схемы на ваш выбор). В этом случае ротор должен быть выбран максимально и максимально нажатым, который должен оставаться не менее 3 бар. Также сделайте сервисный кейс. Толщина металла должна быть не менее 2,5 мм. В этом случае диаметр выхода должен составлять 5,5 см. Все это вы сможете успешно найти в устройстве слова.

-2

Выпускной клапан находится не очень далеко от края фланца в устройстве. Вы также должны выбрать улитку для модели. Как правило, в этом случае это происходит из стали типа. Для удаления края должны быть закрыты. Используйте эту ситуацию, чтобы иметь возможность ответить. Его минимальная толщина должна составлять 2,2 мм. Диаметр выходного отверстия, в свою очередь, составляет 4,5 см. Необходимо обратить особое внимание на диффузор. Это устройство использует воздух в камере. Модификация радио отличается тем, что в ней много трубочек. Вы можете разрезать их самостоятельно с помощью машины. Вихревые вихревые генераторы с С-образной камерой. Изготовлены с С-образной вихревой камерой для дома с использованием сварочного аппарата. В этом случае необходимо прежде всего собрать улитку. В этом случае крышка должна быть отделена. Для этого некоторые советуют нарезать резьбу. Диффузор поставляется с небольшим диаметром. Используйте рассуждения только на выходе. В программе должно быть два клапана. Вы можете починить нужную улитку с помощью болта. Важно закрепить защитные кольца на нем. Выход ротора должен находиться на расстоянии около 3,5 см.

-3

Потоповские вихревые генераторы Потаповские вихревые теплогенераторы монтируются своими руками на роторе на двух дисках. Его минимальный диаметр должен составлять 3,5 см. В этом случае вы можете в основном установить чугунный тип. Случайно для использования вы можете выбрать выбранную сталь, но толщина металла в этом случае должна составлять минимум 2,2 мм. Корпус топливного вихревого генератора выбран толщиной примерно 3 мм. Все это необходимо для того, чтобы улитка могла достаточно плотно сидеть над ротором. В этом случае важно использовать тугой палец. Корпус установлен на выходе, но толщина должна составлять примерно 2,2 мм. Для закрепления кольца необходимо использовать втулку. Крепление в этом случае должно быть над улиткой. Диффузоры для этого устройства можно найти. С этим клапанным механизмом их всего два. Один из них может быть расположен над ротором. В этом случае минимальный обзор камеры должен составлять 2 мм. Обложка лучше всего ожидать с резьбой. Используемый электродвигатель выбирается мощностью не менее 3 кВт. Совет для этого конечное давление в системе может быть увеличено до 5 бар.

-4

Сборка модели на двух выходах Вы должны иметь вихревой кавитационный топливный генератор своими руками с электродвигателем мощностью около 5 кВт. На корпусе устройства должен быть выбран тип чугуна. В этом случае минимальный диаметр выхода должен составлять 4,5 см. Роторы для этой модели могут быть только для двух дисков. В этом случае важно запустить для удовлетворения ручных изменений. Установите вихревой теплогенератор над улиткой. Более целесообразно устанавливать его непосредственно на маленький диффузор. Я могу пойти с трубкой, если хотите. Лучше всего найти прокладку для улитки толщиной около 2 мм. В этой ситуации многое зависит от печатей. Вы должны установить прямо над центральной втулкой. Для того, чтобы иметь возможность вещать быстро, важно сделать дополнительный стенд. Со временем поток выбирается с возможностью использования устройства. Вихревые теплогенераторы с тремя выходами Готовый теплогенератор вихревого типа с тремя выходами (показанный ниже) таким образом, ранее был модифицирован. Понять, что на самом деле ротор для устройства должен быть выбран на одном диске. Найдите это в механизме, который может найти три клапана. Успокойте железы только в крайнем случае.

-5

Мы также подразумеваем, что мы рекомендуем различные материалы для пластиковых улиток. Они идеально подходят для влагостойкости. Кольцо должно быть установлено и защищено под крышкой. Все это необходимо для уменьшения износа насадки. Электродвигатели для вихревых генераторов выбираются в основном мощностью около 4 кВт. Сустав должен быть достаточно эластичным. Наконец, следует отметить, что у основания улитки установлен фланец. Модель с коллектором Необходимо подготовить теплогенератор с коллектором своими силами от подготовки корпуса. В этом случае должно быть два выхода. Также тщательно отшлифуйте впуск. Вы можете выбрать чехол в этой ситуации отдельно с резьбой. Электродвигатели с коллектором в основном установлены средней мощности. В этой ситуации потребление этого будет незначительным. Выбранный тип является выбранным стальным типом, и модель используемых элементов установлена. Чтобы поместить его под вывод, лучше всего использовать файл. Кроме того, для сборки корпуса требуется сварочный инвертор. Коллектор, как и улитка, должен использоваться лучше. В этом случае используется фиксированная модель с шестернями.

-6

Вихревые теплогенераторы с тангенциальными каналами Чтобы собрать вихревые теплогенераторы своими руками с тангенциальным каналом, вы должны выбрать лучший. Благодаря этому оборудованию используется максимальная температура. Самый популярный двигатель установлен с мощностью около 3 кВт. Все это дает результаты поиска, если улитка и диффузор установлены правильно. В этом случае сам ротор настроен правильно. Чтобы исправить это, многие предложения рекомендуют использовать двухсторонние шайбы. В этом случае кольца устанавливаются и затягиваются. Если вы инвестируете в примерку, вам не нужно тратить, тогда вы можете быть уверены. Можно иметь камеру с пазами с пилой. Использование односторонних вихрей Возврат к теплогенераторам, которые сделаны с односторонними вихрями. В этом случае работа должна использоваться как стандартная при подготовке устройства к коробке. Многое из этой ситуации зависит от размера двигателя. Коллекционеры, со своей стороны, довольно редки; односторонняя отделка устанавливается только после фиксации фланца. Со своей стороны здание встречается только у входа. Все это необходимо для того, чтобы мы помазали снятие рукавов. В общем, вы можете использовать односторонние изображения, чтобы не использовать фитинги. В этом случае сборка вихревого теплогенератора будет дешевой.

-7

Используйте кольцевые рукава. Одновременно соберите топливный вихревой генератор с безымянными пальцами, который будет иметь место только для отключающего инвертора. В этом случае следует рекомендовать отказаться от вывода. Фланец в устройстве должен быть снабжен только закрывающим кольцом. Также важно выбрать качественное устройство для масла. Все это необходимо для того, чтобы вы вынули кольцо так, чтобы оно не было необходимым. В этом случае он устанавливается непосредственно под улиткой. Со временем чехол для него встречается довольно редко. В этой ситуации следует рекомендовать расстояние до ботинка. Вам не нужно подключаться. Модификация с приводным механизмом Чтобы иметь вихревой топливный генератор со своими силами, используемый с приводным механизмом, необходимо использовать хороший электродвигатель. Его мощность должна быть не менее 4 кВт. Все это будет хорошей тепловой силой. По совпадению, чугун чувствует себя лучше всего для устройства. В этом случае обязательно открывайте розетку отдельно. Вы можете использовать файл для этого. Более целесообразно выбрать ротор для электродвигателя ручного типа. Соединение должно быть установлено на защитной шайбе. Многие предложения советуют устанавливать улитку только после диффузора. Таким образом, вы будете помещены, чтобы добавить к верхней обложке. Механизм прямого привода должен быть расположен над электродвигателем. Есть такое, сегодня есть модификации с его боковой установкой. Шаг в этом случае нужно подписать с обоих концов. Все это может увеличить мощность устройства. Наконец, что не менее важно, установка ротора важна. На этом этапе необходимо позаботиться о защите корпуса.