Добавить в корзинуПозвонить
Найти в Дзене
Электричество и Я

Реверсивная схема запуска асинхронного электродвигателя

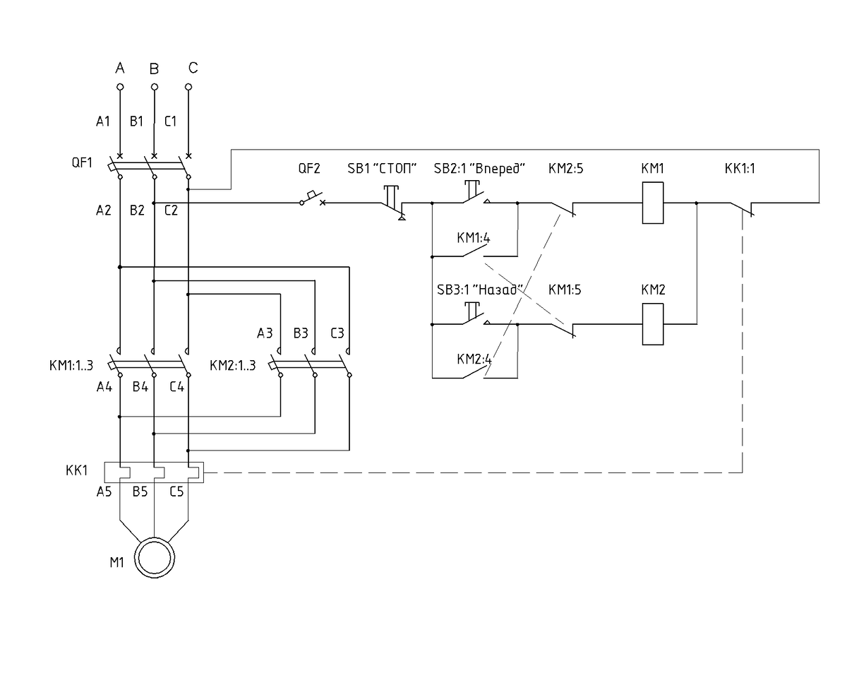
Как и обещал в предыдущей статье, привожу схему реверсивного пуска асинхронного двигателя посредством двух магнитных пускателей. Принцип работы аналогичен нереверсивному запуску, поэтому подробно останавливаться не будем. Главным отличием является использование дополнительных блокировочных контактов КМ1:5 и КМ2:5. Известно, что для изменения направления вращения необходимо изменить чередование фаз (в приведенной схеме поменяны местами фазы А и С). И в случае одновременного включения обоих магнитных пускателей, произойдет короткое замыкание на контактах магнитного пускателя КМ1:1...3/ КМ2:1...3. Для защиты от случайного включения реверса в цепи питания катушек КМ1 и КМ2 включены нормально-замкнутые контакты КМ1:5 и КМ2:5. Например, при нажатии кнопки SB2:1 "Вперед", происходит размыкание контактов КМ1:5, а только потом замыкание силовых контактов КМ1:1...3 и блок контактов КМ1:4. Нажатие на кнопку SB3:1 "Назад" не приведет к включению второго магнитного пускателя, а, следовате

Как и обещал в предыдущей статье, привожу схему реверсивного пуска асинхронного двигателя посредством двух магнитных пускателей.

Принцип работы аналогичен нереверсивному запуску, поэтому подробно останавливаться не будем. Главным отличием является использование дополнительных блокировочных контактов КМ1:5 и КМ2:5.

Известно, что для изменения направления вращения необходимо изменить чередование фаз (в приведенной схеме поменяны местами фазы А и С). И в случае одновременного включения обоих магнитных пускателей, произойдет короткое замыкание на контактах магнитного пускателя КМ1:1...3/ КМ2:1...3.

Для защиты от случайного включения реверса в цепи питания катушек КМ1 и КМ2 включены нормально-замкнутые контакты КМ1:5 и КМ2:5.

Например, при нажатии кнопки SB2:1 "Вперед", происходит размыкание контактов КМ1:5, а только потом замыкание силовых контактов КМ1:1...3 и блок контактов КМ1:4. Нажатие на кнопку SB3:1 "Назад" не приведет к включению второго магнитного пускателя, а, следовательно и к короткому замыканию.

Для запуска двигателя в противоположном направлении необходимо произвести остановку двигателя нажатием на кнопку SB1:1 "Стоп".

Также возможно вариация приведенной схемы с использованием блокировочных контактов на кнопках, а не на магнитных пускателях.

-2

Как видите отличие в схеме минимально. Отличается только работа. Теперь для изменения направления вращения нет необходимости нажимать на кнопку SB1:1 "Стоп".

Например, если двигатель вращался "вперед", то при нажатии на кнопку SB3 "Назад" , в первую очередь произойдет размыкание блокировочного контакта SB3:2, что приведет к отключению магнитного пускателя КМ1, а только потом замкнутся контакты SB3:1, которые включат пускатель КМ2.

Ну и напоследок - внешний вид ящика управления, собранном по описанной схеме:

Внешний вид ящика управления асинхронным двигателем серии Я5400
Внешний вид ящика управления асинхронным двигателем серии Я5400