Найти в Дзене
Rippa Group RUSSIA

Мини-экскаваторы для городских условий: почему новый Rippa R13 лучше R322L.

Оглавление

Современные стройки в городских условиях требуют техники, которая сочетает компактность, мобильность и функциональность. Среди моделей бренда Rippa особое внимание уделяется R13 и R322L. Оба экскаватора популярны, но именно R13 идеально подходит для работы на городских объектах.

Компактность и мобильность

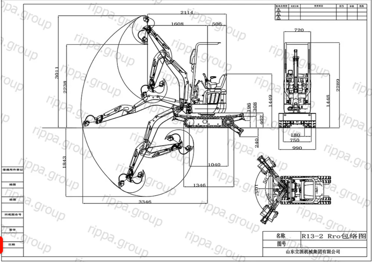
Rippa R13 — лидер по компактности: ширина машины — всего 750 мм, масса — 1280 кг. Это позволяет использовать ее на узких стройплощадках, в парках или на объектах с ограниченным доступом. Кроме того, регулируемые шасси добавляют устойчивости при работе на сложных поверхностях.

В сравнении, более массивный R322L выигрывает в мощности, но значительно уступает в маневренности. Его размеры ограничивают возможность применения в условиях плотной городской застройки.

Эффективная глубина копания

Несмотря на свои компактные габариты, R13 демонстрирует отличную рабочую производительность. Глубина копания достигает 1840 мм, что идеально для большинства городских задач, таких как прокладка кабелей или выемка грунта. В то же время, компактная конструкция и поворотная стрела обеспечивают удобство работы в стесненных условиях.

-2

У R322L глубина копания составляет 2050 мм, что подойдет для более крупных проектов. Однако его габариты и меньшая универсальность делают его менее практичным для городских объектов.

Экономия и мощность

Двигатель Kubota D722, установленный в R13, обеспечивает мощность 14 л.с., что достаточно для большинства городских задач. При этом он экономично расходует топливо, снижая затраты на эксплуатацию.

R322L с более мощным двигателем может быть полезен на масштабных стройках, но в условиях города расход топлива и обслуживание такой техники могут быть избыточными и дорогими.

Доступность и простота использования

Цена Rippa R13 — 1 069 000 рублей — делает ее доступной для малого бизнеса и подрядчиков. Простота конструкции, легкость в обслуживании и отсутствие сложной электроники упрощают эксплуатацию техники.

Итог

Для городских условий R13 от Rippa — очевидный выбор. Компактный, мощный, экономичный и доступный, он идеально справляется с задачами на ограниченных пространствах. Хотя R322L может быть полезен на крупных объектах, но в городской застройке преимущества R13 остаются неоспоримыми.