Добавить в корзинуПозвонить
Найти в Дзене
ТНВД-Ресурс

Замена толкателя ТНВД, его ремонт, виды и цена

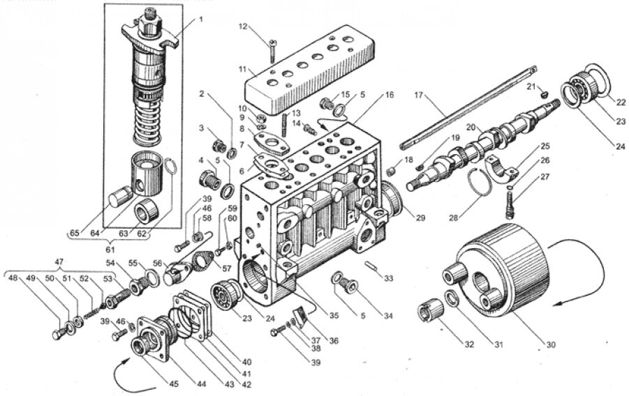
ТНВД (топливный насос высокого давления) в дизельном моторе играет немаловажную роль. Он призван обеспечить дозированное количество топлива в цилиндр в определенный момент времени и под необходимым для воспламенения давлением. Все эти функции доступны благодаря замысловатому конструктиву данного топливного насоса. Не зря считается, что ТНВД – это самая сложная деталь во всем дизельном двигателе. Поэтому ни один мастер не посоветует вам разбираться с проблемами ТНВД исключительно своими силами, тем более, если вы не до конца понимаете принцип его устройства и работы. Предыдущее поколение топливных насосов были выполнены с механическим приводом. Они остались еще на многих автомобилях и до сих пор выпускаются в основном для тракторов, но постепенно, все же, вытесняются электронными управляемыми системами «насос-форсунка». Чтобы выполнять свои функции, ТНВД имеет крайне сложное строение. Подача топлива обеспечивается за счет слаженной работы плунжерной пары, толкателей, кулачкового вала и

ТНВД (топливный насос высокого давления) в дизельном моторе играет немаловажную роль. Он призван обеспечить дозированное количество топлива в цилиндр в определенный момент времени и под необходимым для воспламенения давлением.

Все эти функции доступны благодаря замысловатому конструктиву данного топливного насоса. Не зря считается, что ТНВД – это самая сложная деталь во всем дизельном двигателе. Поэтому ни один мастер не посоветует вам разбираться с проблемами ТНВД исключительно своими силами, тем более, если вы не до конца понимаете принцип его устройства и работы.

Предыдущее поколение топливных насосов были выполнены с механическим приводом. Они остались еще на многих автомобилях и до сих пор выпускаются в основном для тракторов, но постепенно, все же, вытесняются электронными управляемыми системами «насос-форсунка».

Чтобы выполнять свои функции, ТНВД имеет крайне сложное строение. Подача топлива обеспечивается за счет слаженной работы плунжерной пары, толкателей, кулачкового вала и возвратных пружин с тарелками, а так же большому количеству вспомогательных мелких деталей.

Плунжерная пара в насосе отвечает за подачу и перекрытие топлива. На нем есть просверленное винтовое отверстие, поэтому регулируя поворот плунжера, можно добиться изменения момента прекращения поступления топлива в камеру.

Толкатели, которые соприкасаются с кулачками на валу, обеспечивают ход плунжера вверх для сильного сжатия топлива и поступления его в камеру под наивысшим давлением, при этом являясь надежным переходным звеном между валом и плунжерной парой.

После поступления топлива в камеру оно сжимается и сначала лишнее как бы выдавливается обратно через входное отверстие, а затем то, что осталось, под давлением поступает к форсункам.

После сброса давления в камере над плунжером срабатывает возвратная пружина с тарелками, и плунжер с толкателем опускается обратно вниз. Вот примерно так работает система подачи топлива, в которой плунжер движется со скоростью 1,3 метра в секунду в пространстве, величиной в два миллиметра!

В среднем, после пробега в 100-120 тысяч километров водитель может заметить стабильное снижение так называемой «тяги», когда педаль очень слабо реагирует на прибавку газа и машина медленнее набирает разгон.

Еще одним неприятным моментом становится повышенный шум, как бы цокот, из-под капота автомобиля. Не стоит сразу пугаться и грешить на неисправность мотора. Такие проявления могут говорить о выходе из строя толкателей насоса. По сути, толкатель – это поршень, по которому постоянно проскальзывает кулачек на валу.

Толкатели для разных моторов могут быть как плоскими, так и роликовыми.

В роликовом толкателе для того, чтобы он не проворачивался, в месте касания кулачка установлен ролик, входящий своей осью в каналы на корпусе насоса. Такому толкателю выход из строя от трения практически не грозит, так как ролик выполнен из внушительного слоя металла.

Но чаще встречаются толкатели, особенно на современных автомобилях, с гладкой поверхностью, которая протирается в среднем через две замены масла. Роликовый толкатель, как показывает практика, остается работоспособным и спустя 150 тысяч километров, а плоский всего около пятидесяти.

Изношенный толкатель требует замены, иначе кулачки будут тереться о плунжер и постепенно приводить в негодность и его, а эту деталь очень сложно подобрать новую, и сам вал.

Для сохранения всех частей ТНВД, в частности, толкателей, рекомендуется использовать моторное масло хорошего качества, по возможности с присадками от трения, и вовремя производить его замену. Но если все таки неполадки возникли, вы должны знать, как меняются толкатели.

Наиболее простой способ – обратиться на СТО. Для замены потребуется снять и поставить сам ТНВД, плюс разборка, плюс замена и сама деталь. В сервисном центре за замену с работой у вас могут попросить около 90-120 у.е. Толкатель обойдется вам в сумму около 30 у.е. Так же обязательно потребуется замена уплотнительного кольца насоса, стоимость которого копеечная. 

Если вы решились заменить толкатель насоса высокого давления самостоятельно, придерживайтесь, по возможности, следующего порядка. Вам необходимо снять насос высокого давления с двигателя.

Перед работой обязательно снимите клемму с аккумулятора и убедитесь в чистоте вокруг топливной системы – нельзя допустить попадание грязи в магистраль. Отсоедините все шланги, аккуратно зафиксируйте и закройте от попадания пыли и мусора. Открутите три болта, крепящие насос и потихоньку тяните насос на себя.

После снятия нужно заглушить пробкой входное отверстие для подачи топлива и снятую трубку. Сняв насос, обнаруживаем, что толкатель остался в зазоре, его нужно аккуратно вынуть и заменить. Теперь можно собирать обратно. Не забудьте установить новое резиновое уплотнительное кольцо. 

Процедура по замене толкателя довольно несложная и вполне выполнимая. Для замены лучше, конечно, приобрести новую запчасть, но можно и подержанную в хорошем состоянии.

Для выбора толкателя в состоянии б/у нужно хорошо взвесить все за и против, ведь можно существенно навредить своему автомобилю, выбрав совсем изношенную деталь. Для этого нужно оценить степень ее износа и убедиться, что она на порядок лучше вашей. Но все же, рекомендуем вам менять толкатель исключительно на новый, тем более что стоимость его не слишком велика, а замена отнимет у вас много времени и сил, чтобы вскоре проводить ее повторно.