Добавить в корзинуПозвонить
Найти в Дзене

Электронно-лучевая пушка для EBM 3D-принтеров – конструкция и принцип работы

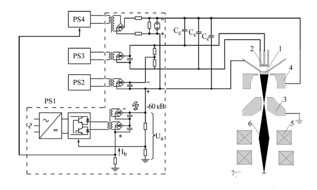
Основой 3D-принтеров по технологии электронно-лучевого плавления является электронная пушка. В этой статье будет рассмотрена её конструкция. На рисунке:
1 – катод
2 – подогреватель катода (вспомогательный катод)
3 – анод (ускоряющий электрод)
4 – управляющий электрод
5 – магнитная линза
6 – электронный луч
7 – отклоняющая (сканирующая) система
PS1 – источник ускоряющего напряжения 60 кВ (между катодом 1 и анодом 3)
PS2 – источник напряжения бомбардировки катода
PS3 – источник питания накала подогревателя катода
PS4 – источник напряжения управляющего электрода Катод – это источник электронов. На него подается отрицательное напряжение 60 кВт относительно анода.
Высокое напряжение нужно для обеспечения высокой скорости электронов и большой мощности установки.
Для увеличения потока электронов катод покрывается различными веществами, имеющими малую энергию выхода – солями редкоземельных элементов. Сейчас обычно используется гексаборид лантана. Но мало иметь покрытие с низкой энерги

Основой 3D-принтеров по технологии электронно-лучевого плавления является электронная пушка. В этой статье будет рассмотрена её конструкция.

Схематическое изображение электронно-лучевой пушки
Схематическое изображение электронно-лучевой пушки

На рисунке:
1 – катод
2 – подогреватель катода (вспомогательный катод)
3 – анод (ускоряющий электрод)
4 – управляющий электрод
5 – магнитная линза
6 – электронный луч
7 – отклоняющая (сканирующая) система
PS1 – источник ускоряющего напряжения 60 кВ (между катодом 1 и анодом 3)
PS2 – источник напряжения бомбардировки катода
PS3 – источник питания накала подогревателя катода
PS4 – источник напряжения управляющего электрода

Катод – это источник электронов. На него подается отрицательное напряжение 60 кВт относительно анода.
Высокое напряжение нужно для обеспечения высокой скорости электронов и большой мощности установки.
Для увеличения потока электронов катод покрывается различными веществами, имеющими малую энергию выхода – солями редкоземельных элементов. Сейчас обычно используется гексаборид лантана. Но мало иметь покрытие с низкой энергией выхода электронов – надо чтобы как можно больше электронов имели энергию выше энергии выхода.
Для этого катод подогревается до температуры 1300-1500 градусов по Цельсию.

В обычных электронных лампах катод подогревается прохождением тока по вольфрамовому подогревателю. В мощных электронных пушках катод достаточно массивный и прогреть его сложнее - для нагрева катода 1 используется бомбардировка электронами со вспомогательного катода 2. Вспомогательных катод из вольфрама нагревается до высокой температуры проходящим током. Между вспомогательным катодом 2 и основным 1 создается перепад напряжения менее 1 кВ, и, за счет бомбардировки электронами с вспомогательного электрода 2 основной электрод 1 нагревается.

Испускаемые катодом электроны вылетают в разные стороны и формируют что-то типа «электронного облака» вокруг катода. Они стремятся оттолкнуться от отрицательнозаряженного катода и за счет перепада напряжения анод-катод летят к аноду.

Для того, чтобы сформировать более-менее узкий луч используется отрицательно заряженный кольцевой электрод 4. Чем больше разница напряжений катод-управляющий электрод – тем уже получается луч. Управляющий электрод так же служит для регулировки мощности электронной пушки. Чем выше напряжение на нем – тем больше вылетевших электронов вернуться на катод 1 и тем меньше поток электронов в электронном луче. При определенном напряжении на управляющем электроде (напряжение запирания) все электроны возвращаются на катод. Напряжение запирания составляет несколько кВ и зависит от соотношения расстояний между катодом и управляющим электродом, и катодом и анодом.
Если использовать аналогию, то управляющий электрод – аналог сетки электровакуумного триода.

Анод 3 тоже делается кольцевой формы. Под действием напряжения 60 кВт катод-анод электроны разгоняются, приобретают высокую скорость, и большая часть, за счет сил инерции пролетают мимо анода.

Специальной системой из катушек электронный луч фокусируется в одной точке. Фокусирующие катушки создают кольцевое магнитное поле, которое заставляет электроны изменить свою траекторию, отклониться их от края к центру оси - при этом формируется узкий луч. Фокусирующие катушки делаются кольцевыми, может использоваться одна или несколько катушек.

Вторая система катушек отклоняет луч по вертикали и горизонтали, направляя его в нужное место в области построения модели. В отличие от фокусирующих катушек отклоняющие наматываются в другой плоскости, и всегда используются две пары катушек – одна пара для отклонения по оси X и вторая пара для отклонения по оси Y.

Без учета фокусирующей и отклоняющей системы для работы электронной пушки требуется четыре источника электропитания:
Источник ускоряющего напряжения 60 кВ PS1, обеспечивает разгон электронов.
Источник питания накала PS3 обеспечивает нагрев подогревателя 2
Источник напряжения бомбардировки катода PS2 обеспечивает нагрев катода 1.

Все эти три источника напряжения должны быть стабильны, регулировка мощности осуществляется изменением напряжения источника PS4.

Напряжение катод-анод (PS1) должно быть стабильным, чтобы электроны имели заданную скорость в области магнитных систем

Ток через подогреватель 2 должен быть стабильным, чтобы обеспечить стабильную температуру вспомогательного катода 2.

Напряжение вспомогательный катод 2 – основной катод 1 (PS2) должно быть стабильным, чтобы обеспечить стабильную температуру основного катода.

Меняя выходное напряжение источника PS4 можно изменять мощность электронной пушки от о до 100%.

Предыдущие статьи по технологии EBM:

Следующая статья:

Вводная статья по группе технологий «синтез на подложке»:

Путеводитель по каналу: