Добавить в корзинуПозвонить
Найти в Дзене

Стационарная или уличная котельная будущего: отопление без дымовой трубы

Уважаемые специалисты в области климатологии и теплотехники, потенциальные клиенты, а также случайные читатели нашего блога, приветствуем вас от имени ООО "ЭС КЛАСС КЛИМАТ". Мы являемся признанным экспертом в данной сфере и стремимся предоставить вам наиболее актуальную и достоверную информацию, основанную на глубоком понимании процессов климатической регуляции и инновационных решений в области отопления. В рамках настоящего исследования мы рассмотрим функциональные особенности классических газовых напольных котлов, а также предложим инновационные технические решения для оптимизации эксплуатационных затрат на отказ от монтажа, установки и обслуживания газоходов для удаления дымовых газов. В частности, мы рассмотрим возможность отказа от использования дымовых сэндвич-труб, что позволит существенно сократить расходы без потери эффективности системы отопления. Несмотря на то, что наша компания является производителем дымовых труб, мы стремимся предоставить клиентам наиболее передовые и э
Оглавление

Уважаемые специалисты в области климатологии и теплотехники, потенциальные клиенты, а также случайные читатели нашего блога, приветствуем вас от имени ООО "ЭС КЛАСС КЛИМАТ".

Турбированная стационарная котельная на 300 кВт без дымовой трубы, вид внутри и вид с улицы
Турбированная стационарная котельная на 300 кВт без дымовой трубы, вид внутри и вид с улицы

Мы являемся признанным экспертом в данной сфере и стремимся предоставить вам наиболее актуальную и достоверную информацию, основанную на глубоком понимании процессов климатической регуляции и инновационных решений в области отопления.

Дымовая труба в Воронежской области на двух котлах по 630 кВт с дутьевыми горелками. Нержавеющая сталь 1 мм, утепление 80 мм, снаружи 0.5 мм. Гарантируем срок службы до 20 лет.
Дымовая труба в Воронежской области на двух котлах по 630 кВт с дутьевыми горелками. Нержавеющая сталь 1 мм, утепление 80 мм, снаружи 0.5 мм. Гарантируем срок службы до 20 лет.

В рамках настоящего исследования мы рассмотрим функциональные особенности классических газовых напольных котлов, а также предложим инновационные технические решения для оптимизации эксплуатационных затрат на отказ от монтажа, установки и обслуживания газоходов для удаления дымовых газов. В частности, мы рассмотрим возможность отказа от использования дымовых сэндвич-труб, что позволит существенно сократить расходы без потери эффективности системы отопления. Несмотря на то, что наша компания является производителем дымовых труб, мы стремимся предоставить клиентам наиболее передовые и экономически целесообразные технологии, основанные на последних достижениях в области теплотехники и материаловедения.

Утепленные дымовые трубы от завода ЭС КЛАСС КЛИМАТ
Утепленные дымовые трубы от завода ЭС КЛАСС КЛИМАТ

Дымовая сэндвич-труба представляет собой многослойную конструкцию, состоящую из двух стальных оболочек и слоя теплоизоляционного материала между ними. Эта конструкция обеспечивает эффективное удаление дымовых газов, минимизируя теплопотери и повышая общую энергоэффективность системы работы газового котла. Высота дымоходной трубы играет ключевую роль в создании оптимальной тяги, которая зависит от параметров разряжения в котле. Указанные параметры, как правило, устанавливаются производителем на этапе заводских испытаний, что гарантирует соответствие конструкции требованиям безопасности и эффективности. Одни из самых низких требований к разряжению и высоте дымовых труб, обладают котлы с пластинчатыми стальными теплообменниками: тут высота до 5 метров от земли, является оптимальным выбором и решением, а для котлов с высоким КПД и оребренным гидронным скоростным теплообменником уже нужно разряжение от 20 до 40 Па, что соответствует высоте газоходов от 8 до 12 метров.

На видеоотчёте представленном ниже, можно найти исчерпывающую информацию о работе двух котлов АРС 150 в стационарной котельной, которой не нужна вертикальная стационарная дымовая труба.

Еще одно видео о внедрении турбонасадок и принудительного дымоудаления к котлам ИШМА-100 с итальянской автоматикой ElettroSit 810. ИШМА базируются на пластинчатых теплообменниках из стали 3 мм.

Нужно ли утеплять дымоходную трубу на улице?

Ответ на поставленный вопрос может быть только однозначным: утепление дымохода является строго обязательной мерой. Это обусловлено, прежде всего, явлением конденсации влаги в дымовом канале или дымоходе. Конденсация возникает в результате значительного перепада температур между дымовыми газами и внутренней поверхностью дымохода, что приводит к образованию конденсата на его стенках. Следует отметить, что данное явление в меньшей степени характерно для более массивных асбестовых дымоходов, однако и они требуют обязательного утепления для обеспечения оптимальной работы газового оборудования.

Дополнительно стоит подчеркнуть, что конденсация может привести к ряду негативных последствий, включая коррозию материалов дымохода, снижение эффективности теплопередачи и ухудшение качества сгорания топлива. Таким образом, утепление дымохода не только повышает его эксплуатационные характеристики, но и способствует продлению срока службы всей системы отопления.

Уличные котлы наружного размещения от ЭС КЛАСС КИМАТ
Уличные котлы наружного размещения от ЭС КЛАСС КИМАТ

Уличные котлы без дымовой трубы, которыми мы гордимся

Более 15 лет производим уникальные газовые котельные наружного размещения. Собственная разработка, которая пока не имеет аналогов на рынке, в том числе благодаря патенту на данное решение. На видео ниже представлена газовая котельная наружного размещения на 400 кВт (2х200) с турбонасадками, дымовая труба не нужна совсем. Теплообменники в данном решении разборные стальные секционные из оребренной трубы одинакового диаметра и волнообразным оребрением. Ещё такие котлы называют скоростными.

В зависимости от конструктивных особенностей теплообменного оборудования (гидронного, жаротрубного, чугунного или пластинчатого типа) параметры разряжения могут значительно варьироваться. Геометрические характеристики теплообменника, конфигурация разгонных участков, наличие и параметры внутренних завихрений (включая форму и размеры турбулизаторов), а также геометрия газовой камеры для сбора дымовых газов оказывают существенное влияние на функционирование теплогенерирующих систем. Эти факторы являются ключевыми при выборе оптимальных турбонасадок или других жаростойких радиальных вентиляторов большей мощности, которые в последующем требуют интеграции отдельного пульта управления, прессостатов и соответственно реле времени.

На данный момент наша основная цель заключается в обеспечении стабильной и эффективной работы турбонадставок на котлах, оснащенных теплообменниками различных типов, представленных на современном рынке. Это требует глубокого анализа и понимания сложных процессов, происходящих в теплообменном оборудовании, а также тщательного подбора параметров турбонасадок для достижения максимальной производительности и надежности работы всей системы.

Что такое турбонадставка? Полутурбо из атмосферного газового котла с открытой камерой сгорания

Турбонасадка представляет собой сложное техническое устройство, включающее высокоскоростной вентилятор, платы управления и реле давления воздуха. Конструктивно она аналогична компонентам системы дымоудаления настенного турбированного котла, оснащенного закрытой камерой сгорания. Основная функция турбонасадки заключается в принудительном отводе продуктов сгорания от котла за пределы здания, что позволяет использовать котел без традиционного вертикального дымохода, с установкой горизонтального дымоотводящего канала через внешнюю стену здания. Таким образом, необходимость в вертикальной дымовой трубе отпадает.

Каждая турбина данного типа обязательно оснащена двумя отверстиями: одним для монтажа на котел и другим для выброса дымовых газов наружу. При этом второе отверстие значительно меньше по диаметру по сравнению с первым монтажным отверстием.

Турбонасадка-дымосос на котле АРС-80 от завода Лютэкс
Турбонасадка-дымосос на котле АРС-80 от завода Лютэкс

ТУРБОнадсадка представляет собой комплексную систему, состоящую из двух ключевых компонентов: вентилятора и системы управления. В нижнем сегменте основания располагается патрубок для интеграции с дымоотводящим каналом котла, а к задней стенке основания приварен патрубок, предназначенный для соединения с дымоотводящей трубой. На корпусе основания установлены вентиляторы, количество которых варьируется в зависимости от требуемой производительности в кубических метрах в час, и может составлять от двух до нескольких единиц. На кронштейне размещены контактор с пневматической приставкой для выдержки времени, прессостаты (датчики разрежения) и клеммная колодка, обеспечивающие эффективное функционирование системы.

Прессостат, интегрированный в турбонасадку, выполняет критически важную функцию мониторинга разряжения и давления воздушного потока, проходящего через систему дымоудаления. Этот компонент является ключевым элементом, обеспечивающим стабильность и эффективность работы турбинного оборудования, однако если Ваш котел уже оснащен датчиком тяги на передней панели газогорелочного устройства, прессостат в турбонасадке можно отключить, безопасность наличия тяги будет выполнять встроенная безопасность на водогрейном котле.

Дифференциальное реле, составляющее основу прессостата, представляет собой сложную техническую конструкцию, включающую корпус, два патрубка, микропереключатель с двумя положениями и мембрану со штоком. Мембрана выполняет функцию разделения внутренней камеры датчика на две функциональные зоны:

  1. Камера атмосферного давления
  2. Камера разряжения воздуха

Конструктивные особенности турбонасадок могут варьироваться в зависимости от производителя, однако завод Лемакс славится своими компактными и эффективными решениями. Важно отметить, что Лемакс не производит турбины мощностью свыше 60 кВт, однако все необходимые компоненты можно приобрести у официального поставщика.

Принцип работы прессостата основан на измерении расхода и скорости воздушного потока, генерируемого вентилятором. При включении вентилятора в камере разряжения происходит активация трубки Вентури, которая фиксирует параметры потока. Эти данные передаются на плату управления или газовый редуктор, обеспечивая сигнализацию о нормальной работе турбины и инициируя процесс розжига горелки.

Технические характеристики турбонасадок варьируются в зависимости от их мощности. Рассмотрим ключевые параметры:

  • Производительность: диапазон варьируется от 80 до 230 м³/ч. Этот показатель отражает объем дымовых газов, образующихся в процессе работы газового полупромышленного котла. Например, котел мощностью 100 кВт в среднем генерирует около 200 м³/ч дымовых газов.
  • Разрежение на входе в турбонасадку: значения варьируются от 8 до 50 Па.
  • Разрежение на выходе из турбонасадки: диапазон составляет от 22 до 200 Па.

Какая автоматика нужна для подключения турбонасадки?

Вопрос выбора автоматики для котельного оборудования, которое сможет работать с принудительным дымососом удаления дым газов представляется относительно простым. В настоящее время на рынке представлены различные модели, такие как EuroSit 630, NovaSit 820, Sigma 845 и Elettrosit 810, которые обладают достаточной технической оснащенностью для интеграции всех существующих на рынке турбонасадок. Эти устройства представляют собой оптимальное сочетание функциональности и качества, что делает их предпочтительным выбором для более чем 95% производителей котельного оборудования как в России, так и за рубежом.

Процесс подбора турбонасадки является сложным и многоэтапным, требующим учета множества входных и выходных параметров. Важно отметить, что не все турбонасадки могут быть совместимы с конкретным котлом, основываясь исключительно на его производительности и мощности. Поэтому выбор данного компонента следует доверить квалифицированному специалисту, обладающему значительным опытом в данной области.

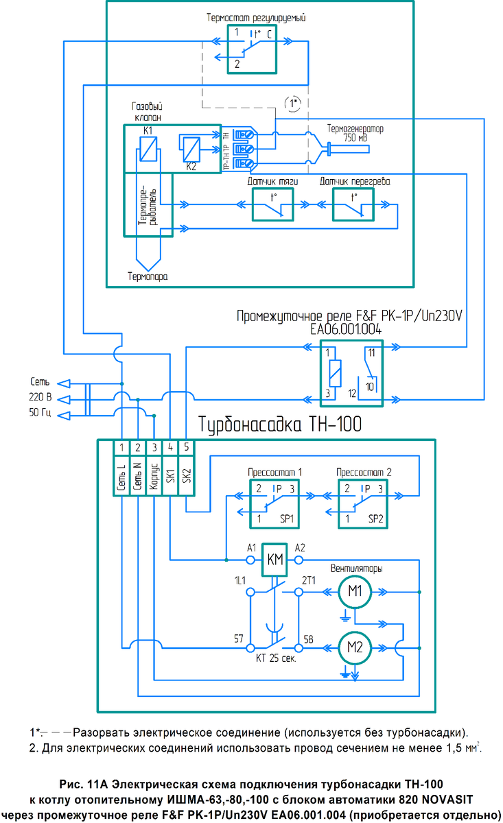
Например, турбонадставки для энергонезависимой автоматики модели NovaSit 820 могут быть подключены только через промежуточное реле типа F&F PK-1P/Un230V, EA06.001.004. В то же время, аналогичные турбонасадки для энергозависимой автоматики ElettroSit 810 не требуют подключения реле. Реле, как правило, приобретаются заказчиком отдельно в соответствии с местными требованиями.

Для эффективной работы турбонасадки на котлах ИШМА-63, 80 и 100 необходимо использовать модель с производительностью на 230 м3 в час. Однако, следует учитывать, что ИШМА-63 имеет дымоход другого диаметра - 180 мм, в то время как турбонасадка присоединяется только к дымоходу с диаметром 220 мм. В случае необходимости установки согласованной и оптимизированной турбонасадки на ИШМА-63, потребуется приобретение переходника для дымовой трубы с 180 мм на 220 мм.

Монтаж и установка турбины

Поговорим про особенности установки вертикальных разгонных и горизонтальных дымовых труб:

В процессе монтажа вертикальных и горизонтальных дымовых труб, особенно при интеграции турбонасадок, необходимо учитывать ряд специфических аспектов, влияющих на эффективность и безопасность эксплуатации всей системы дымоудаления и работы котельной в целом.

Отсутствие конденсатосборника требует особого внимания к горизонтальному участку трубы. Рекомендуется устанавливать его с уклоном в сторону улицы в пределах 2–3 градусов для предотвращения стекания конденсата в полость корпуса турбонасадки, что может привести к её засорению и снижению эффективности работы или просто выхода из строя.

Минимальные расстояния до дверей, окон и вентиляционных отверстий должны составлять не менее 0,5 метра по горизонтали и 1 метра по вертикали от окон, расположенных над дымовым каналом. Отсутствие преград в радиусе 1,5 метра перед дымоходом минимизирует риск турбулентных потоков воздуха, влияющих на тяговые характеристики системы.

ВАЖНО! Длина горизонтального участка дымовой трубы от турбонасадки через стену на улицу должна быть утеплена, то есть иметь конструкцию сэндвич и быть длинной не менее 1.5, и не более 3 метров.

Турбонасадки и дымососы ЭС КЛАСС КЛИМАТ на котлах КОВ-100 завода СИГНАЛ ЭНГЕЛЬС
Турбонасадки и дымососы ЭС КЛАСС КЛИМАТ на котлах КОВ-100 завода СИГНАЛ ЭНГЕЛЬС

Каждый поворот трубы сокращает её эффективную длину: на 0,5 метра при угле поворота 45 градусов и на 1 метр при угле 90 градусов, что требует тщательного планирования конфигурации дымового канала - и правильного монтажа газоходов.

Для предотвращения засорения и улучшения аэродинамических характеристик дымохода рекомендуется установка дефлектора, оптимизирующего поток дымовых газов и минимизирующего риск задувания.

Важно отметить, что индивидуальные решения для каждого котла могут потребовать проведения испытаний для обеспечения стабильной работы системы. Разработка специализированных турбонасадок для каждого типа котла является экономически нецелесообразной и пока не представляет интереса для производителей из-за ограниченного спроса.

Завершающим этапом монтажа является установка защитной решётки на торцевую часть горизонтально установленной дымовой трубы, выходящей через стену на улицу. Круговая конструкция решётки предотвращает попадание прямых потоков ветра внутрь дымохода, обеспечивая стабильную работу системы и минимизируя риск её повреждения.

-8

Установка и монтаж турбонасадки представляет собой оптимальное и идеальное техническое решение в ситуациях, когда монтаж традиционного дымохода сопряжен с непреодолимыми трудностями или вовсе невозможен. Данное устройство позволяет нивелировать зависимость от высоты дымоотводящего канала, что является ключевым преимуществом по сравнению с традиционными дымовыми трубами. Особенно будут рады этому моменту те эксплуатирующие организации, которые имеют кирпичные здания котельных маленькой высоты с отрицательной возможностью установки и крепления высоких дымовых труб.

Турбина функционирует в стабильном сверхпроизводительном режиме, обеспечивая постоянную и надежную тягу независимо от колебаний внешних факторов, таких как изменения погодных условий и температурные перепады. В отличие от дымовых труб, которые требуют периодической регулировки шибером для адаптации к новым условиям, турбонасадка обеспечивает стабильные эксплуатационные характеристики без необходимости дополнительных настроек.

Принудительное дымоудаление на газовых котла при помощи турбин до 200 кВт
Принудительное дымоудаление на газовых котла при помощи турбин до 200 кВт

Насколько эта турбина производительна? Какую высоту трубы она заменяет?

В рамках исследования параметров естественной тяги в дымовых трубах был использован онлайн-калькулятор, позволяющий провести расчёты с учётом различных факторов, влияющих на эффективность работы системы дымоудаления. В качестве исходных данных были приняты следующие параметры: высота дымовой трубы 20 метров, плотность воздуха 1,269 кг/м³, температура дымовых газов внутри трубы 110°C и температура окружающего воздуха +5°C.

Результаты расчёта показали, что при указанных условиях естественная тяга в дымовой трубе составляет 72 Па. Для сравнения, турбонасадка, используемая в системах дымоудаления, создаёт максимальное давление на выходе более 190 Па, что превышает расчётную тягу в 20-метровой трубе более чем в 2,5 раза.

Турбонасадки ЭС КЛАСС КЛИМАТ на котлах ИШМА-100 Боринское с автоматикой ES и NS
Турбонасадки ЭС КЛАСС КЛИМАТ на котлах ИШМА-100 Боринское с автоматикой ES и NS

Эти данные позволяют сделать вывод о высокой эффективности жаростойких дымососов в условиях, когда естественная тяга недостаточна для обеспечения эффективного удаления дымовых газов. Турбонасадки значительно увеличивают давление на выходе из дымовой трубы, что способствует улучшению процесса дымоудаления и повышению безопасности эксплуатации котельных установок.

Гарантийный срок эксплуатации турбонасадки составляет 22000 часов, что свидетельствует о высокой надежности и долговечности данного устройства. Однако, при использовании турбины необходимо отключить датчик тяги на котле, поскольку он может некорректно интерпретировать данные и инициировать аварийное отключение газового клапана, что приведет к остановке работы запальника и основного газогорелочного устройства.

Одной из специфических особенностей монтажа турбонасадки на котлы марки ИШМА является необходимость доработки дымового патрубка, расположенного на задней панели котла. Для этого требуется закрыть металлической пластиной паз тягостабилизирующего отверстия. Важно отметить, что большинство моделей котлов ИШМА изначально рассчитаны на работу с вертикальным стационарным дымоходом, что требует внесения определенных модификаций для интеграции устройства для создания принудительной тяги.

Наша компания обладает глубокими знаниями и опытом в области монтажа и эксплуатации отопительных систем, что позволяет нам эффективно решать поставленные задачи на высоком профессиональном уровне. Мы гарантируем качественное выполнение всех работ и достижение оптимальных результатов для наших клиентов.

Доработка дымового патрубка пластиной для правильной работы турбонасадки на котлах ИШМА
Доработка дымового патрубка пластиной для правильной работы турбонасадки на котлах ИШМА

Дымовые сэндвич трубы от завода: наш подход к проектированию и производству

В основе нашей стратегии лежит стремление к созданию долговечных и надежных систем газоходов любой сложности, способных эффективно функционировать в различных условиях эксплуатации.

Мы используем только высококачественные материалы, включая нержавеющую сталь с добавлением титана, что обеспечивает высокую прочность и устойчивость к коррозии. В контексте проектирования и монтажа ГАЗОХОДНЫХ систем дымоудаления, применение пищевой нержавеющей стали в большинстве случаев не является целесообразным. Данный материал, обладая высокой коррозионной стойкостью и гигиеничностью, не демонстрирует существенных преимуществ в заданных условиях, характерных для большинства промышленных и бытовых КОТЛОВЫХ систем.

Использование пищевой нержавеющей стали в таких системах приводит к неоправданному увеличению стоимости проекта и стационарной вертикальной трубы в целом, поскольку цена данного материала значительно превышает стоимость более подходящих для указанных целей аналогов. Таким образом, утверждения о необходимости применения пищевой нержавеющей стали в трубопроводных системах не имеют под собой достаточных оснований и могут быть квалифицированы как вводящие в заблуждение.

Принудительная эвакуация дымовых газов из атмосферной топки котла - ТУРБОНАСАДКИ - дымовая труба больше не нужна
Принудительная эвакуация дымовых газов из атмосферной топки котла - ТУРБОНАСАДКИ - дымовая труба больше не нужна

Одним из ключевых аспектов нашей продукции является выбор толщины металла. Для внутренних диаметров от 200 мм и более мы применяем сталь толщиной 0.8 мм и более. Это решение обусловлено необходимостью обеспечения долговечности и надежности дымовых систем, особенно в условиях высоких температур. Специалисты рынка и конкурирующие производители часто считают, что такая толщина металла избыточна для котлов с более низкими температурными показателями дымовых газов. Однако мы придерживаемся иной точки зрения, полагая, что качество и долговечность продукции важнее экономических соображений и возможного заработка. Пусть мы заработаем меньше, но зато качество продукта = названию нашей компании.

Выбор толщины металла зависит от типа котла и температурных характеристик дымовых газов. Для твердотопливных котлов, работающих при температурах выше 180 градусов Цельсия, рекомендуется использовать нержавеющую сталь толщиной 0.8–1 мм. Это обеспечивает стабильную тепловую нагрузку и предотвращает локальный или полный перегрев системы стенок дымоходов. Газовые котлы, работающие при температурах 110–140 градусов Цельсия, могут использовать сталь толщиной 0.5 мм. Однако для промышленных котельных, где диаметр дымовых труб может быть значительным, применение стали такой толщины может привести к снижению жесткости конструкции и усложнению монтажа: при перевозке труб диаметром от 200 и более мм из стали 0.5 мм внутри, круг - превращает в ОВАЛ.

Наши дымовые сэндвич-трубы изготавливаются с учетом всех вышеуказанных факторов, что обеспечивает их высокую прочность, долговечность и надежность. Мы предлагаем широкий ассортимент продукции, включая трубы с различной толщиной внутренней и наружной стенок. При этом мы стремимся предложить клиентам выгодные условия сотрудничества, обеспечивая конкурентоспособные цены на нашу продукцию: прайс на трубы 0.8-1 мм, равен рыночным ценам других производителей со сталью внутри 0.5 мм - в этом заключается ваша выгода работы с нами.

Дымовая труба 250х330 мм. Внутри 0.8 мм нержавейка с добавлением Титана. Двухосновная усиленная мачта, объект в г. Калуга под два газовых котла Лютэкс АРС 120
Дымовая труба 250х330 мм. Внутри 0.8 мм нержавейка с добавлением Титана. Двухосновная усиленная мачта, объект в г. Калуга под два газовых котла Лютэкс АРС 120

Использование нержавеющей стали толщиной 1 мм в качестве внутреннего слоя является оптимальным решением с точки зрения обеспечения надежности и долговечности котельного оборудования. Для иллюстрации эффективности данного подхода обратимся к смежной области применения нержавеющей стали — автомобильной промышленности. В данной отрасли для изготовления выхлопных систем используются листы нержавеющей стали толщиной 1,5 мм, которые способны выдерживать температуры в диапазоне от 700 до 1000 градусов Цельсия. Однако в котельном оборудовании достижение таких экстремальных температурных режимов невозможно.

Несмотря на это, выхлопные системы, изготовленные из нержавеющей стали, демонстрируют высокую надежность и долговечность, часто сохраняя свои эксплуатационные характеристики на протяжении десятилетий. Это обусловлено не только физико-химическими свойствами материала, но и тщательным подбором параметров его использования.

В контексте котельного оборудования, где температура уходящих газов составляет 110-150 градусов Цельсия, применение нержавеющей стали толщиной 1 мм представляется особенно целесообразным. Такая конструкция обеспечивает стабильную и безопасную эксплуатацию оборудования на протяжении 20 лет и более, что подтверждается многолетней практикой и положительными отзывами пользователей.

Таким образом, использование нержавеющей стали толщиной 1 мм для внутреннего слоя дымовых сэндвич труб является обоснованным и надежным решением, обеспечивающим длительный срок службы и высокую эффективность работы системы. Мы гарантируем высокое качество нашего продукта и его способность удовлетворять самые строгие требования потребителей.

Наши утепленные дымовые сэндвич трубы с котлами наружного размещения на 1000 кВт на объекте на границе Московской и Рязанской областей. Гордимся тем, что мы делаем!
Наши утепленные дымовые сэндвич трубы с котлами наружного размещения на 1000 кВт на объекте на границе Московской и Рязанской областей. Гордимся тем, что мы делаем!

Другие наши статьи на тему отопления рекомендуемые вам к прочтению

В рамках нашей миссии по распространению релевантной и значимой информации в сфере теплоснабжения и строительства котельных в Российской Федерации, мы стремимся предоставлять аудитории научно обоснованный и практически применимый контент. Наш канал аккумулирует актуальные новости, аналитические материалы, портфолио проектов и экспертные обзоры, подготовленные ведущими специалистами отрасли.

Особое внимание уделяется объективному анализу текущих тенденций и инновационных решений, что позволяет нашим читателям получать целостное представление о состоянии и перспективах развития данной области. Мы избегаем идеологических искажений и субъективных оценок, ориентируясь исключительно на достоверность и точность представленных данных.

Настоящую статью подготовил идейный вдохновитель, основатель и генеральный директор компании S-CLASS CLIMATE. Данная публикация адресована специалистам в области отопительных систем и потребителям, заинтересованным в эффективных решениях для теплоснабжения.

ООО "ЭС КЛАСС КЛИМАТ" (ИНН 3604084376) представляет собой оптовую компанию (интернет-магазин), специализирующуюся на поставках котлов и систем отопления. Наша компания базируется в городе Борисоглебск Воронежской области, однако наша деятельность охватывает территории Российской Федерации, Республики Казахстан и Республики Беларусь. Мы стремимся обеспечить нашим клиентам выгодные условия сотрудничества, ориентируясь на долгосрочные партнерские отношения и высокий уровень сервиса.

Миссия компании S-CLASS CLIMATE заключается в стремлении к инновациям, поддержке позитивных эмоций и создании условий для комфортной жизни и работы. Наши ключевые принципы:

  • Прибыль важна, но честь и репутация стоят выше финансовых интересов.
  • Клиент всегда является приоритетом, и его интересы превыше любых материальных выгод.
  • Наша цель — предоставление качественных отопительных решений для различных объектов и категорий потребителей.
Генеральный директор компании ЭС КЛАСС КЛИМАТ
Генеральный директор компании ЭС КЛАСС КЛИМАТ

Наш слоган "Когда клиент становится другом" отражает философию компании, направленную на установление доверительных и взаимовыгодных отношений с каждым клиентом. Мы стремимся к тому, чтобы наши клиенты чувствовали себя частью нашей команды, и мы всегда готовы прийти на помощь в решении любых вопросов, связанных с отопительными системами. Работаем так, чтобы вам было выгодно!

Наша цель: Производство и продажа котлов для любых целей, любых объектов и любых людей!

Мы предлагаем широкий ассортимент котлов, адаптированных для различных условий эксплуатации и объектов. Наша продукция соответствует высоким стандартам качества и надежности, что подтверждается многолетним опытом работы и положительными отзывами клиентов.

Приглашаем вас ознакомиться с нашим ассортиментом и продукцией на официальном сайте компании: KOTELSALES.RU. Мы также приглашаем вас присоединиться к нашему сообществу в социальной сети ВКонтакте, где вы сможете получить дополнительную информацию о наших новинках, акциях и специальных предложениях.

Согреваем котельными - зажигаем постами!

Мечтать. Верить. Любить. Нести радость. Творить добро.

С уважением, ООО "ЭС КЛАСС КЛИМАТ"

Добавляйтесь в друзья ВКОНТАКТЕ. Рад всем!