Найти в Дзене
Дед клуб

Чувствительный микрофонный усилитель с компрессией сигнала на транзисторах

Схема усилителя на полевых транзисторах для наушников собрала много комментариев и просмотров, а поэтому выношу на суд схему микрофонного усилителя с компрессией сигнала. Схема универсальная и может быть использована для динамического и электретного микрофонов. Почти 8 лет назад я уже предлагал ознакомиться с этой схемой и получил взамен положительные отзывы, но не обошлось и без отрицательных комментариев. Положительные отзывы были от тех, кто справился, а отрицательные - «типа чушь несусветная», как правило, от тех, кто не решился её собрать. В конце концов, видимо решили, что она чересчур простая и поэтому её место должна занять микросхема SSM2167, включающая в себя сгусток транзисторов, не считая её обвеса. Но мне нравится всё простое, люблю собирать ретро усилители и сравнивать их звучание с современной цифровой обработкой сигнала. На днях, восстанавливая рисунки восьмилетней давности в старых своих постах, вдохновился отрицательным комментарием, и опять слепил упрощённый мак

Схема усилителя на полевых транзисторах для наушников собрала много комментариев и просмотров, а поэтому выношу на суд схему микрофонного усилителя с компрессией сигнала. Схема универсальная и может быть использована для динамического и электретного микрофонов. Почти 8 лет назад я уже предлагал ознакомиться с этой схемой и получил взамен положительные отзывы, но не обошлось и без отрицательных комментариев. Положительные отзывы были от тех, кто справился, а отрицательные - «типа чушь несусветная», как правило, от тех, кто не решился её собрать. В конце концов, видимо решили, что она чересчур простая и поэтому её место должна занять микросхема SSM2167, включающая в себя сгусток транзисторов, не считая её обвеса. Но мне нравится всё простое, люблю собирать ретро усилители и сравнивать их звучание с современной цифровой обработкой сигнала.

На днях, восстанавливая рисунки восьмилетней давности в старых своих постах, вдохновился отрицательным комментарием, и опять слепил упрощённый макет микрофонного усилителя, заменив ОУ фильтра НЧ транзистором, чтобы убедиться в работоспособности этой схемы.

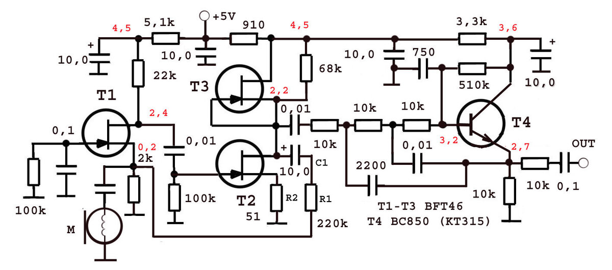
Рис. 1.  Усилитель с динамическим микрофоном.
Рис. 1. Усилитель с динамическим микрофоном.

Первый транзистор Т1 включён с общим затвором, что обеспечивает хорошее согласование с динамическим микрофоном (R микр. = 600 Ом, а входное сопротивление усилителя на частоте 1 кГц 750 Ом). В качестве микрофона я также использовал динамик (R = 33 Ом) от головного телефона и даже пробовал вместо микрофона подключать громкоговоритель, но это будет уже другая история.

Второй транзистор Т2 с динамической нагрузкой на транзисторе Т3, который включён как источник тока. Таким образом Т2, Т3 – каскад с токостабилизирующем резистором, он и обеспечивает компрессию сигнала. Такое включение транзисторов используется в усилителях высокой частоты для снижения нелинейных искажений (О. В. Головин «Профессиональные радиоприёмные устройства декаметрового диапазона». Радио и связь. 1985 год).

"Радиотехнические схемы на полевых транзисторах".  А. Г. Милехин.
"Радиотехнические схемы на полевых транзисторах". А. Г. Милехин.

Можете свистеть в микрофон, подносить к нему акустическую колонку с тональным сигналом – на выходе усилителя всё равно останется чистая синусоида. Очень напоминает работу АРУ (автоматическая регулировка громкости). Особенность схемы в том, что время восстановления сигнала я не заметил. Если короче, то после щелчка по микрофону, звук не пропадает и плавно не нарастает, информация не теряется.

Саму схему я упростил и вместо операционного усилителя, на котором был сделан фильтр нижних частот, для подавления звука закипающего чайника, обошёлся фильтром на одном транзисторе Т4 с частотой среза 4 кГц и ослаблением на частоте 20 кГц - 45 дБ.

В схему добавил ООС (R1, C1, R2), снизив, таким образом, усиление на 2 дБ, а уровень собственных шумов на 3 дБ.

Рис. 2.  Фрагмент схемы с электретным микрофоном.
Рис. 2. Фрагмент схемы с электретным микрофоном.

Характеристики усилителя.

Номинальное напряжение питания 5 вольт. Номинальное напряжение на выходе 250 мВ. Коэффициент усиления 300. Входное сопротивление на частоте 1 кГц – 750 Ом. Полоса пропускания по уровню 3 дБ в пределах 200 Гц – 4 кГц. Ток потребления 0,75 мА.

Макет усилителя.

Фото 1 Макет усилителя.
Фото 1 Макет усилителя.

Я использовал детали для SMD монтажа. Это уменьшает габариты усилителя и способствует уменьшению паразитных связей между каскадами, что при большом усилении может привести к его самовозбуждению или к появлению фона. Катушку динамического микрофона (я использовал микрофон от музыкального центра) лучше экранировать. Конденсаторы 10 мкФ могут быть как неполярные, так и электролитические или танталовые.