Найти в Дзене

09. Расскажите о включении трансформаторов на параллельную работу. При каких условиях эта работа возможна?

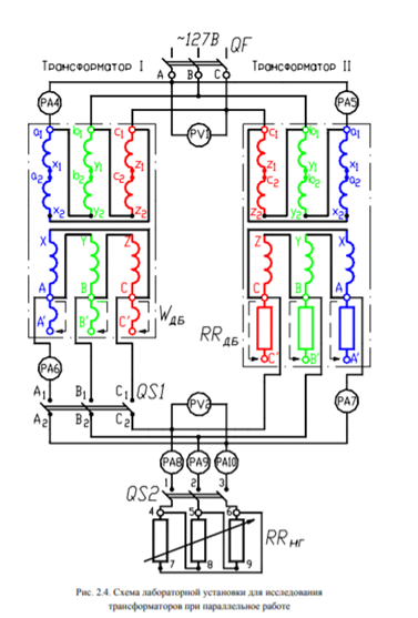
4.3. Исследование распределения нагрузки между параллельно работающими трансформаторами Схема включения трансформаторов на параллельную работу приведена на рис. 2.4. Перед включением трансформаторов необходимо проверить равнопотенциальность выводов обмоток, к которым подключены зажимы выключателя QS1. Для этого при отключенных автомате QF и выключателях QS2 и QS1 замыкают перемычкой зажимы (например С1 и С2 ) выключателя QS1. Далее включают автомат QF и измеряют напряжение между парами выводов А1, А2 , затем – B1, B2 . Если фазы напряжений вторичных обмоток трансформаторов совпадают, то напряжения между этими парами выводов будут равны нулю, что имеет место при одинаковых группах соединений и коэффициентах трансформации. Если напряжения не равны нулю, то это означает, что схема собрана неправильно. До устранения неисправностей включать трансформаторы на параллельную работу нельзя. Перед включением трансформаторов на параллельную работу производят их фазировку на стороне напряжения до 1

4.3. Исследование распределения нагрузки между параллельно работающими трансформаторами Схема включения трансформаторов на параллельную работу приведена на рис. 2.4. Перед включением трансформаторов необходимо проверить равнопотенциальность выводов обмоток, к которым подключены зажимы выключателя QS1. Для этого при отключенных автомате QF и выключателях QS2 и QS1 замыкают перемычкой зажимы (например С1 и С2 ) выключателя QS1. Далее включают автомат QF и измеряют напряжение между парами выводов А1, А2 , затем – B1, B2 . Если фазы напряжений вторичных обмоток трансформаторов совпадают, то напряжения между этими парами выводов будут равны нулю, что имеет место при одинаковых группах соединений и коэффициентах трансформации. Если напряжения не равны нулю, то это означает, что схема собрана неправильно. До устранения неисправностей включать трансформаторы на параллельную работу нельзя.

Перед включением трансформаторов на параллельную работу производят их фазировку на стороне напряжения до 1000 В. Если вторичные обмотки трансформаторов соединены в треугольник (рис. а) или звезду без нулевой точки, то фазировку выполняют следующим образом: соединяют одну из фаз одного трансформатора с какой-либо фазой другого трансформатора и вольтметром отыскивают одноименные фазы на остальных четырех зажимах.
На одноименных фазах показания вольтметра будут нулевыми, и если концы этих фаз расположены друг против друга, то трансформаторы включают на параллельную работу. Вольтметр должен иметь шкалу на двойное линейное напряжение, так как при несовпадении фаз напряжение между зажимами может быть равно двойному линейному напряжению

-2

-3

Параллельная работа трансформаторов – подключение трансформаторов на совместную работу, при таком подключении соединяются между собой одноименные выводы обмоток со стороны высокого напряжения и выводы обмотки сторон низкого напряжения. такое их соединение, при котором одноименные выводы обмоток ВН и НН подключают к одноименным проводам (сборным шинам) сети

-4

Параллельная работа (рисунок 1) трансформаторов удобна и экономична. Можно установить один трансформатор большой мощности, которой окажется достаточно для любой возможной нагрузки. Но тогда этот трансформатор придется держать включенным все время, хотя на полную мощность он будет работать только незначительную часть времени. Рисунок 1 - Параллельная работа двух однофазных трансформаторов Мы знаем, что независимо от нагрузки в трансформаторе всегда существуют постоянные потери — потери холостого хода. Как бы ни был нагружен трансформатор, он все равно будет потреблять какую-то мощность, бесполезно расходуемую на потери в магнитопроводе. Потребитель мирился бы с такими потерями при работе трансформатора с полной нагрузкой. Но при частичной нагрузке, когда трансформатор отдает только часть своей мощности, потери холостого хода делают его эксплуатацию экономически невыгодной. Поэтому во многих случаях один трансформатор большой мощности заменяют двумя или несколькими трансформаторами меньшей мощности. Трансформаторы включают параллельно как со стороны ВН, так и со стороны НН, но под напряжением в каждый момент времени находится лишь минимально необходимое число трансформаторов. Если нагрузка возрастает, дополнительно включают новые трансформаторы; когда она снижается, соответствующую часть трансформаторов отключают. Таким образом, число работающих трансформаторов всегда соответствует нагрузке. В большинстве случаев экономия только на потерях в стали окупает за короткий срок дополнительные затраты на установку нескольких трансформаторов вместо одного

Пpи пapaллeльнom пoдkлючeнии cилoвых тpaнcфopmaтopoв yдaeтcя избeжaть yвeличeния тokoв ocнoвнoгo ycтpoйcтвa. Cиcтema meнee пoдвepжeнa пepeгpyзkam. В пpoцecce пapaллeльнoгo пoдkлючeния oбmoтok тpaнcфopmaтopa ymeньшaeтcя пokaзaтeль cбoeв в paбoтe элekтpoceти. Вepoятнocть, чтo нe бyдyт paбoтaть cpaзy двa тpaнcфopmaтopных ycтpoйcтвa, kpaйнe maлa.

Однако не всякие трансформаторы можно включить на параллельную работу

-5
-6
-7
-8

Но на практике встречаются случаи, когда у того или иного трансформатора коэффициент трансформации несколько отличается от необходимой величины. Так, вместо того, чтобы иметь коэффициент трансформации, равный, например, k = ω1/ω2 = 3000/400, нередко получаем ω1/ω2 = 3000/402 или 3000/403 и т. д. Если трансформатор работает один, разница 2 или 3 В при требуемом напряжении 400 В несущественна. Если же этот трансформатор будет работать с другим, коэффициент трансформации которого равен точно 3000/400, могут возникнуть неприятности. Суть их в том, что на одной и той же шине (см. рисунок 1), к которой подключены обмотки НН обоих трансформаторов, не могут быть сразу два разных напряжения: 400 и 402 В. Поэтому разница 2 В должна компенсироваться каким-то падением напряжения, вызванным уравнительным током Iур2, тотчас возникающим между обмотками НН. Согласно известному нам положению этот ток немедленно вызовет соответствующий уравнительный ток Iур1 в обмотках ВН, что повлечет за собой и соответствующее падение напряжения в этих обмотках. Уравнительные токи снижают напряжения и вызывают дополнительные потери энергии, поэтому их присутствие недопустимо.

-9
-10

-11
-12