Найти в Дзене
Робототехника

Электроника в пять шагов. Основные принципы создания схем.

Эта тема общего назначения и направлена на понимание возможностей электроники. Когда мы в детстве ходили гулять или в кино, как правило, нас интересовал сам процесс. Цели как таковой не было. Это относилось к развлечению. С электроникой на первых порах такое тоже возможно. Но в целом, любое развитие требует цели. Так же и электроника и её знание - это инструмент для реализация Ваших целей. Так, например, у многих из нас в семьях есть дачи или огороды, где мы выращиваем фрукты, овощи или просто цветы. Как правило, важен и сам процесс, но прежде всего важна цель. Думаю, выращивать картошку - не самый вдохновляющий процесс, но он имеет место быть, так как картошка - это продукт питания. Цветы, например, выращивают с большим удовольствием, так как они несут в себе эстетическую красоту. Но возвращаемся к электронике. Электроника как наука достаточно сильно расширяет Ваши возможности и даёт прикоснуться Вам к чему-то скрытому и сверхъестественному. Отсюда - интерес, мотивация и желание по

Эта тема общего назначения и направлена на понимание возможностей электроники. Когда мы в детстве ходили гулять или в кино, как правило, нас интересовал сам процесс. Цели как таковой не было. Это относилось к развлечению. С электроникой на первых порах такое тоже возможно. Но в целом, любое развитие требует цели. Так же и электроника и её знание - это инструмент для реализация Ваших целей.

Так, например, у многих из нас в семьях есть дачи или огороды, где мы выращиваем фрукты, овощи или просто цветы. Как правило, важен и сам процесс, но прежде всего важна цель. Думаю, выращивать картошку - не самый вдохновляющий процесс, но он имеет место быть, так как картошка - это продукт питания. Цветы, например, выращивают с большим удовольствием, так как они несут в себе эстетическую красоту.

Но возвращаемся к электронике. Электроника как наука достаточно сильно расширяет Ваши возможности и даёт прикоснуться Вам к чему-то скрытому и сверхъестественному. Отсюда - интерес, мотивация и желание побыстрее ознакомиться с ней.

Но, как ни странно, создание схем требует особого подхода. Отмечу, что знать схемы на уровне 3-10 элементов, где есть источник питания, есть выключатель, трансформатор и нагрузка, должен каждый мужчина. Так как эти схемы есть в каждой квартире в нашем быту. Вы решили сделать освещение квартиры (ваша цель), вы создаете электрическую цепь - прокладываете кабель, устанавливаете выключатели и светильники, подключаете всё это к автоматическому выключателю. Или другой вариант, Вы решили создать собственные транзисторный приемник. Находите его электрическую схему и изготавливаете устройство, а потом наслаждаетесь его работой.

Вы не поверите, но аналогичным образом поступают строители, агрономы и люди других профессий. Сперва мы формируем цель, что мы хотим сделать, затем стремимся к ней.

То есть любая схема - это лишь инструмент для достижения нашей цели. Мы хотим качественный звук, можем пойти и купить готовый усилитель, а можем найти схему и собрать его самостоятельно. Или, например, мы хотим сделать дистанционное управление освещением. Тогда мы продумываем структурную схему (это может быть просто набросок в голове), после которой приступаем к принципиальной схеме.

К примеру, управление освещением дистанционно может быть реализовано несколькими способами:

1. Собственная разработка на аналоговой передаче радиоволны с конкретным кодом.

2. Используете готовые устройства, использующие выделенный 433 мГц диапазон и, уже с помощью модулей, собираете схему включения светильников.

3. Используете модули на основе wi-fi сети и подключаете их к облачному сервису в интернет.

Как видим, задача одна, варианты решения разные, но все будут касаться электроники, только с разной степенью глубины познания электричества.

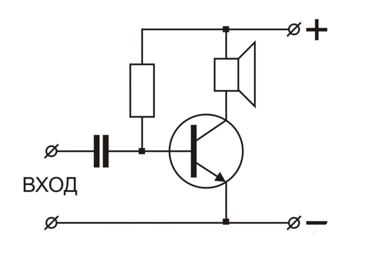
Но это был общий пример. Если взять, например, усиление звука, все начинающие радиолюбителя сперва собирают по чужим - готовым схемам, но в процессе обретают навык работы с сигналом и его управлением. Постепенно схема может усложняться. Может расширяться частотный диапазон усилителя, добавляться различные фильтры, возможно также увеличение допустимой мощности выходного каскада.

Пример трёх схем усилителя звука.

Самая простая схема
Самая простая схема

Если Вы решитесь собрать эту схему, то, на времянке, справитесь за 30 минут. Если Вы хотите понять работу и создать усилитель звука, то эта же схема подойдет для начала. Но вы заметили, что схема одна, а цели разные.

Но, к сожалению, по этой схеме устройство не собрать, так как не указаны номиналы и типы элементов, напряжение источников питания и сигнала. Необходимая мощность входного сигнала и внутреннее сопротивление динамика. Опытный человек это сразу поймет, а начинающий сообразит, когда будет делать заказ компонентов.

-3

Вот эта схема намного сложнее, но она более информативна и даст больший результат. По ней можно уже купить компоненты и собрать схему, и есть большая вероятность, что она заработает. Останется лишь приготовить монтажную плату и корпус.

Еще одна схема усилителя звука:

Симметричный Hi-Fi усилитель Димитра Костова и Йона Имануела
Симметричный Hi-Fi усилитель Димитра Костова и Йона Имануела

Она еще сложнее, и взяться сделать такую схему новичку уже не просто, а тем более её придумать. Но сейчас речь о другом.

Мы видим, что у нас была одна задача - создать усилитель звука, а вариантов решения могут быть тысячи, и все они имеют разное качество, стоимость и сложность исполнения.

Как вы понимаете, идея статьи показать Вам то, что начинать нужно с простых и понятных схем, самое главное, чтобы Вы могли достигнуть после создания схемы своей цели. Почему это так важно? После того как Вы взялись за дело, вы его уже не бросите, пока не добьетесь результата. Но это часть вопроса. Взяв простую схему, Вы сможете её исполнить, но результат, скорее всего, будет посредственным, но за то он будет!

После этого появится желание либо улучшить схему, либо сделать еще что-то посложнее. Если Вы смекалистый и сообразительный человек, то сможете самостоятельно доработать схему.

После того, как Вы собрали несколько чужих схем, а потом разобрались в них, то можете приступить к созданию собственной схемы. Но тут и возникает вопрос: а как же подбирают эти элементы и откуда берутся номиналы сопротивлений, емкостей и так далее?

А теперь перейдем к ключевым моментам.

У большинства радиолюбителей, не имеющих инженерного образования, отлично развит навык, и они из опыта понимают, какой элемент и на что влияет. Они на "собственной шкуре" познали (извините, я это называю жопочасами), какие элементы и куда лучше ставить, а какие нет. Но если они будут создавать свою схему, то, в большинстве своем, будут это делать на основе тех, что знают.

С другой стороны, инженер без опыта, например, я в своё время (а в некоторых вещах и по сей день), может сам нарисовать собственную схему и рассчитать её, но нас учили это делать по конкретным методикам. Опять же не факт, что полученная схема заработает качественно или вообще заработает. Во всяком случае, я свои первые схемы (они были простыми) собирал поэтапно (так проще искать ошибку).

Как мы видим в итоге, любой путь приведет к более менее стандартной схеме. Но отличие первой схемы от последней в том, что для создания первой необходимо подобрать "примерно" элементы, а третья схема нуждается в более точных элементах и требует уже настройки.

Как Вы понимаете, расчет и создание последней схемы требует знаний следующих дисциплин: схемотехника (понимание работы элементов), математические основы передачи сигнала (гармоники и теорема Котельникова, в частности), ТАУ (теория автоматического управления для введения ООС, ПОС и построения фильтров) и еще некоторые знания, которые изучаются в ВУЗах или самостоятельно.

Немного отвлекаясь скажу, что со стороны строительства, для большинства людей бетон - это простая серая масса из песка, цемента и воды, так и есть. А для профессионального строителя - это конкретный бетон, под конкретную задачу (влагостойкий, для фундамента пром. зданий, для обычного пола, или монолитной конструкции и т.д.).

Аналогично и со схемами, если вы в начале пути, то большие сложные схемы могут Вас ввести в заблуждение, но это когда вы не понимаете структуры. Когда Вы понимаете, что есть конкретная структура и она разбита на блоки, а каждый блок подогнан под следующий, то схема начинает читаться легко.

Опять возвращаюсь к строительству, основой всего является фундамент. Глупо ставить на квадратный фундамент круглые стены. Значит фундамент будет определять форму стен, но частично, этажность и допустимую высоту (ограничение допустимой нагрузки).

После того как есть фундамент, Вы понимаете, что нужны окна и двери. Их можно при желании изменить в процессе или добавить, но фундамент уже останется прежним. Аналогично с планировкой и инженерными системами. После этого закрываем крышей (хотя крышу можно и пораньше сделать).

Аналогично и в электронике - есть типовые решения, обусловленные уже временем и, собственно, своей работой. А далее будет лишь улучшение или подгонка под Ваши условия.

Если вы в начале пути, то учитесь понимать простые вещи и простые схемы. К тому же сейчас полно программ, которые помогают смоделировать схему виртуально и проверить её работу. После того как появится небольшой навык реализации проектов, Вы уже самостоятельно сможете развить его, изготавливая более сложные схемы.

Схема Ардуино
Схема Ардуино

Вот, например, принципиальная схема Ардуино. Для меня тоже кажется большой и непонятной, особенно когда долго не используешь навык работы со схемами.

-6

Здесь я выделил основные элементы для примера. Слева, в большом овале, контроллер для организации подключения контроллера к компьютеру через порт USB. Справа непосредственно сам микроконтроллер, в который мы "заливаем" нашу программу через левый микроконтроллер. В маленьких овалах для примера два кварцевых генератора, которые определяют тактовую частоту работы каждого из микропроцессоров. Аналогично, есть и другие элементы на схеме, которые нужны для организации удобства работы с Атмегой. И все они указаны в инструкции подключения Атмеги (datasheet). То есть, глядя в инструкцию, подключаете те выходы или входы, что планируете использовать, по заданной схеме.

А теперь подходим к самому главному. Многие хотят разбираться и создавать что-либо на ардуинах, но стопорятся на этапе мигания светодиодом. Что делать дальше - не знают. А все просто, нет конкретной цели, или, если она есть, то не знают, как к ней идти.

Так всегда с новой задачей, когда не можешь её разложить на маленькие и понятные. Так вот и со схемами, и реализациями всё просто: маленькими шагами - этапами к реализации своего проекта.

Решили сделать управление климатом. Нарисовали общую схему, затем принципиальную, или нашли готовые решения. Вспомнили принципы измерения температуры, научились измерять её, дальше изучаем принципы управления и исполнительные механизмы (например, электро конвектор). Собираем цепь управления для реле, которое будет согласовано по нагрузке с конвектором и должно включать его. А дальше программно создаем регулятор, который будет поддерживать заданную температуру. Как видите, поэтапно все это выглядит проще.

Можно собрать аналоговый регулятор - ищете схему управления через реле и собираете её. Но тут уже вариантов много. Статья немного затянулась, но, думаю, Вам понравится. Ключевым для Вас будет предпоследний абзац, все остальное - это подводящее. Мои первые схемы были :

1. Измеритель переменного напряжения, с помощью компактного амперметра и набора шунтов, собранных в мыльнице.

2. Блок питания с возможностью регулировать напряжение от 6 до 12 вольт. Трансформатор был выковырен из советского блока питания и встроен в схему с возможностью регулировки и защитой от КЗ. Несколько лет честно прослужил мне.

Если же профессионально хотите создавать схемы, то это ВУЗ или спец курсы, но начинается все по классике: ТЗ - Проект - реализация. Проект состоит из структурной, функциональной и принципиальной схем. А также описания ПО, если оно есть.