Найти в Дзене
Старый радио любитель

LC-генераторы с умножением частоты на современном уровне. Практика.

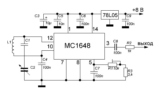
Третий день не могу дописать статью, вы уж извините :) Но, приступим. Напомню, что исходная схема генератора на МС1648 была такой: На выходе получался меандр, размах которого был около 1 В, и за счет внутреннего АРУ микросхемы в диапазоне частот от 2 до 25 МГц его изменение было около 15%. Микросхему умножителя ICS512 я установил на переходник. Цоколевка микросхемы очень продуманная и удобная. На управляющие выводы S0 и S1 подаются сигналы лог. 1 или лог. 0, или не подается сигнал вообще (в этом случае на них присутствует напряжение около 2,7 В). Вот таблица соответствия управляющих сигналов. Коэффициенты умножения от 2-х до 8-ми, при этом есть дробные (2,5, 3,33, 5,33). Попробовал напрямую подсоединить умножитель к генератору. Все заработало, но снизилась стабильность генератора - видимо нагрузка была великовата. Поэтому я на выходе генератора установил эмиттерный повторитель, благо место на плате было. Проще всего было получить коэффициент умножения 2, так при этом управляющие выво

Третий день не могу дописать статью, вы уж извините :) Но, приступим.

Напомню, что исходная схема генератора на МС1648 была такой:

Рис. 1.
Рис. 1.

На выходе получался меандр, размах которого был около 1 В, и за счет внутреннего АРУ микросхемы в диапазоне частот от 2 до 25 МГц его изменение было около 15%.

Рис. 2.
Рис. 2.

Микросхему умножителя ICS512 я установил на переходник. Цоколевка микросхемы очень продуманная и удобная.

Рис. 3.
Рис. 3.

На управляющие выводы S0 и S1 подаются сигналы лог. 1 или лог. 0, или не подается сигнал вообще (в этом случае на них присутствует напряжение около 2,7 В). Вот таблица соответствия управляющих сигналов.

Рис. 4. Из даташита.
Рис. 4. Из даташита.

Коэффициенты умножения от 2-х до 8-ми, при этом есть дробные (2,5, 3,33, 5,33). Попробовал напрямую подсоединить умножитель к генератору.

Рис. 5.
Рис. 5.

Все заработало, но снизилась стабильность генератора - видимо нагрузка была великовата. Поэтому я на выходе генератора установил эмиттерный повторитель, благо место на плате было.

Рис. 6.
Рис. 6.
Рис. 7.
Рис. 7.

Проще всего было получить коэффициент умножения 2, так при этом управляющие выводы подключаться никуда не должны. Размах сигнала на выводах 4 и 5 за счет выбросов достигал 7 В.

Рис. 8.
Рис. 8.

Стабильность удвоенной частоты была не меньше. чем у исходного генератора. Для изучения спектра сигнала к выходу (движок R6) подключил анализатор TinySA и запустил на компе соответствующую программу. В нем присутствовал сигнал исходного генератора, подавленный на 50 дБ, а также гармоники.

Рис. 9.
Рис. 9.

Вторая гармоника подавлена на 40 дБ (в 100 раз), а вот третья имеет почти такую же величину, как и основной сигнал. Но он расположен на расстоянии почти 20 МГц. Подключаю простейший ФНЧ - конденсатор С12. Сигнал на выходе стал скорее пилообразным.

Рис. 10.
Рис. 10.

Спектр тоже изменился.

Рис. 11.
Рис. 11.

В этом случае исходный сигнал подавлен на 60 дБ, а третья гармоника - на 20 дБ. Так что, используя, например, П-образный ФНЧ или простой контур, можно подавить гармоники достаточно хорошо.

Подключаю оба управляющих вывода к общему проводу (коэффициент умножения - 4). Вот его спектр.

Рис. 12.
Рис. 12.

В спектре видны исходный сигнал и его гармоники, которые подавлены более чем на 60 дБ по сравнению с сигналом учетверенной частоты.

Рис. 13.
Рис. 13.

При подключении С12=100 пФ подавление более высоких, чем учетверенная, частот увеличивается.

Частота 22 МГц близка к 21 МГц, поэтому включаю трансивер и настраиваюсь на частоту выходного сигнала умножителя.

Рис. 14.
Рис. 14.

Стабильность достаточная даже для работы цифрой, но вот ширина его настораживает. Это в общем-то понятно: система ФАПЧ микросхемы все время "подергивает" частоту, возвращая его к определенному значению. На слух это тоже заметно. При использовании ФНЧ этот эффект не исчезает.

Так что простота данного решения построения гетеродина вызывает некоторые сомнения, но все познается в эксперименте. Нужно будет попробовать подключить данную конструкцию в реальный приемник. Будем экспериментировать.

Всем здоровья и успехов!