Добавить в корзинуПозвонить
Найти в Дзене
Torigods

Как устроена парогазовая ТЭЦ

Доброго времени суток уважаемые читатели! Сегодня я хочу рассказать как устроены парогазовые ТЭЦ.
Нагревание сетевой воды в традиционных ТЭЦ, происходит в одном или двух сетевых подогревателях, которые подключены по пару к промежуточным ступеням ПТ, к камерам в которых давление пара 0,1 – 0,25 МПа. Это дает возможность нагреть воду до 91 – 110°С, что полностью удовлетворяет потребителя

Доброго времени суток уважаемые читатели! Сегодня я хочу рассказать как устроены парогазовые ТЭЦ.

Нагревание сетевой воды в традиционных ТЭЦ, происходит в одном или двух сетевых подогревателях, которые подключены по пару к промежуточным ступеням ПТ, к камерам в которых давление пара 0,1 – 0,25 МПа. Это дает возможность нагреть воду до 91 – 110°С, что полностью удовлетворяет потребителя значительную часть года. Тем не менее при весьма низких температурах воздуха, необходим более существенный нагрев сетевой воды. В следствии чего применяются очень экономичные, но громоздкие пиковые водогрейные котлы, следовательно в них вода догревается до температур 140 – 155°С и более.

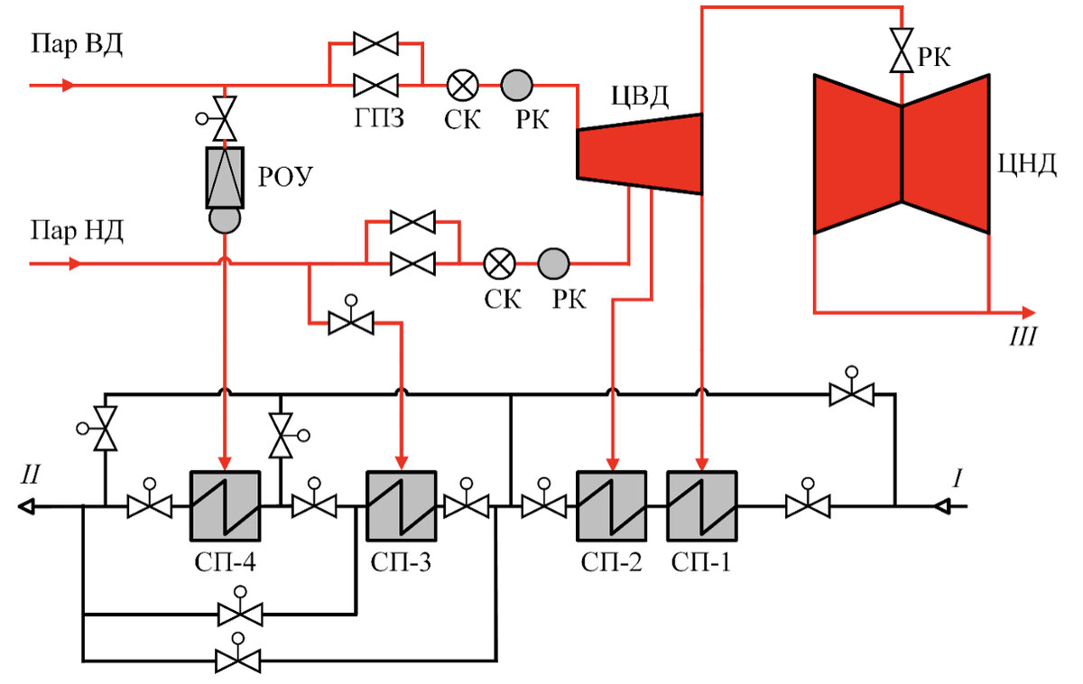
На парогазовых ТЭЦ есть возможность этого догрева более простая, из-за того, что существует источник теплоты низкопотенциальный – слабо перегреты пар НД 0,5 МПа. Естественно, лучше было бы иметь пар с давлением еще меньше, но даже применение данного пара, и так же простых СП является экономически более выгодным нежели ПВК. Схема теплоснабжения от паргазовой ТЭЦ показана на рисунке.

Схема теплоснабжения от ПГУ-ТЭЦ 
где I – Обратная сетевая вода от сетевых насосов первого подъема; II – прямая сетевая вода к сетевым насосам второго подъема; III – пар в конденсатор; ГПЗ – главная паровая задвижка; СК – стопорный клапан; РК – регулирующий клапан; СП – сетевой подогреватель; РОУ – редукционно-охладительная установка.
Схема теплоснабжения от ПГУ-ТЭЦ где I – Обратная сетевая вода от сетевых насосов первого подъема; II – прямая сетевая вода к сетевым насосам второго подъема; III – пар в конденсатор; ГПЗ – главная паровая задвижка; СК – стопорный клапан; РК – регулирующий клапан; СП – сетевой подогреватель; РОУ – редукционно-охладительная установка.

Нагрев сетевой воды в штатном режиме, совершается в сетевых подогревателях (СП) 1 и 2, после этого воду направляют, минуя сетевые подогреватели 3 и 4, тепловому потребителю. В случае надобности нагрева до более высоких температур включают СП-3, который питается паром НД. Бывают ситуации, когда применение даже 3 СП не дает возможности достичь нужной температуры сетевой воды. В этом случае влючают СП-4, который питается паром ВД через РОУ.

Еще одним назначение СП-4 является аварийное теплоснабжение потребителей, в случаях поломки ПТ. В этом случае путём переключения задвижек воду, минуя сетевые подогреватели 1-3, пускают через СП-4. И тогда схема превращается в ГТУ-ТЭЦ, так как только ГТУ будет вырабатывать электрическую мощность, где КУ и СП-4 являются промежуточным контуром передачи тепловой энергии к сетевой воде от отработавших газов ГТУ.