Найти в Дзене

1. Микросхема К174УН7. Внутреннее устройство.

Микросхема К174УН7 была очень популярна в 80-е и 90-е годы и до сих пор вызывает интерес у радиолюбителей. Цель этой статьи разобраться во внутреннем устройстве микросхемы, каковы особенности построения схемы. Какие можно внести внешние изменения и дополнения для улучшения параметров усилителя. Изменения и улучшения будут рассмотрены в последующих статьях, ссылки на них в конце этой статьи. В этой статье рассмотрим внутреннюю схему микросхемы. На рисунке 1 представлена внутренняя схема ИМС с элементами внешней обвязки - типовая схема включения. Условно схему можно разделить на усилительную часть, генератор токов и развязывающий фильтр питания. В первую в ходят транзисторы VT1, VT2, VT7, VT8, VT10 - VT12, VT14 - VT17 и диоды VD3 - VD5. Во вторую - VT3 - VT5, VT9, VT13 и диод VD1. В фильтр питания входят транзистор VT6 и диод VD2. Первый каскад на транзисторе VT1 – входной эмиттерный повторитель. Второй каскад на транзисторе VT2 - это 1 каскад усиления по напряжению, выполнен по схем

Микросхема К174УН7 была очень популярна в 80-е и 90-е годы и до сих пор вызывает интерес у радиолюбителей. Цель этой статьи разобраться во внутреннем устройстве микросхемы, каковы особенности построения схемы. Какие можно внести внешние изменения и дополнения для улучшения параметров усилителя. Изменения и улучшения будут рассмотрены в последующих статьях, ссылки на них в конце этой статьи. В этой статье рассмотрим внутреннюю схему микросхемы.

На рисунке 1 представлена внутренняя схема ИМС с элементами внешней обвязки - типовая схема включения. Условно схему можно разделить на усилительную часть, генератор токов и развязывающий фильтр питания. В первую в ходят транзисторы VT1, VT2, VT7, VT8, VT10 - VT12, VT14 - VT17 и диоды VD3 - VD5. Во вторую - VT3 - VT5, VT9, VT13 и диод VD1. В фильтр питания входят транзистор VT6 и диод VD2.

Рис.1 Внутренняя схема ИМС К174УН7 с элементами внешней обвязки.
Рис.1 Внутренняя схема ИМС К174УН7 с элементами внешней обвязки.

Первый каскад на транзисторе VT1 – входной эмиттерный повторитель. Второй каскад на транзисторе VT2 - это 1 каскад усиления по напряжению, выполнен по схеме с ОЭ, его нагрузка – выход первого токового зеркала - коллектор транзистора VT3 и входное сопротивление следующего каскада на транзисторе VT7.

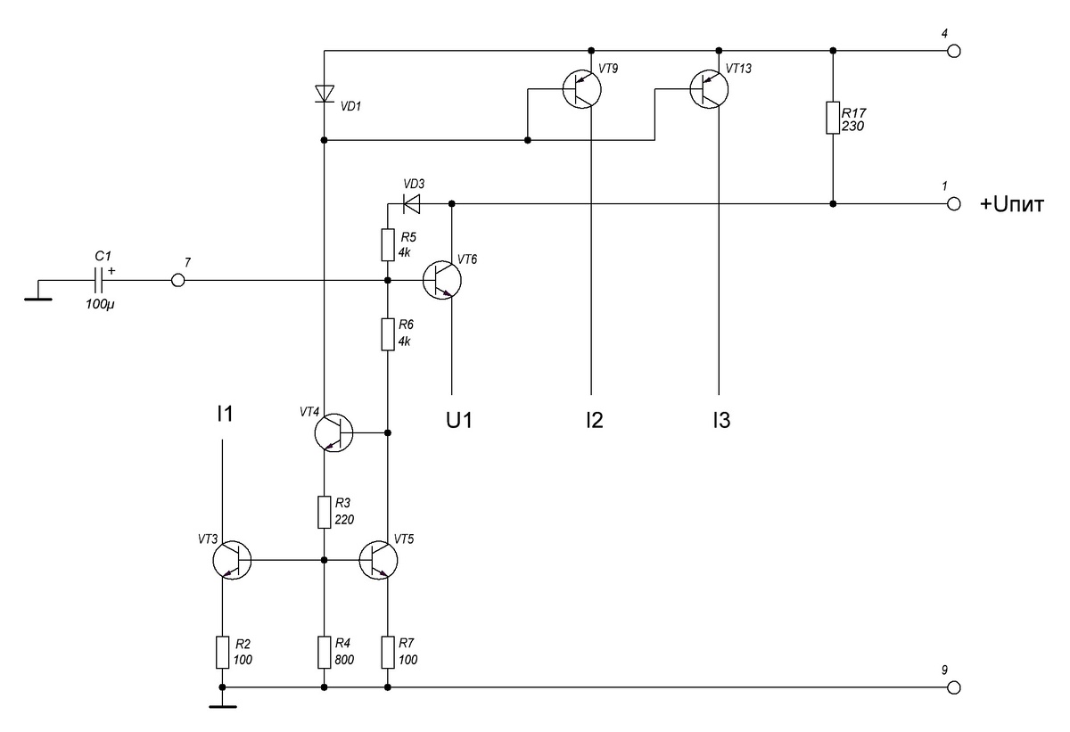
Генератор токов рис. 2 построен на основе двух токовых зеркал. Первое выполнено на транзисторах VT3 - VT5. Входным током для него является ток коллектора VT5, который задается резисторами R5, R6. Токи коллекторов VT5 и VT3 равны. Ток коллектора транзистора VT4 задается резистором R4 и служит входным током для второго токового зеркала на диоде VD1 и транзисторах VT9 и VT13. :

Рис. 2 Генератор токов ИМС К174УН7
Рис. 2 Генератор токов ИМС К174УН7

На диоде VD2 и резисторе R4, совместно с внешним конденсатором С1, подключаемым к выводу 7, выполнен фильтр питания входа первого токового зеркала. А совместно с транзистором VT6 диод VD2, резистор R4 и внешний конденсатор С1 образуют транзисторный фильтр напряжения питания для третьего каскада на транзисторе VT7. Хорошее решение нашли разработчики!

Третий и четвертый каскады на транзисторах VT7 и VT8 - это составной эмиттерный повторитель. Использование эмиттерного повторителя вызвано необходимостью уменьшения нагрузки каскада на транзисторе VT2 и получения от него максимально возможного усиления и согласования со входным сопротивлением следующего каскада на транзисторе VT10. Применение транзисторов разной структуры позволило сохранить равенство напряжений на базе VT7 и эмиттере VT8, т.е. на входе и выходе повторителя, а также максимально снизить зависимость выходного напряжения повторителя от температуры.

Пятый каскад на транзисторе VT10 – это 2 каскад усиления по напряжению, выполнен по схеме с общим эмиттером. Нагрузкой его служит первый выход второго токового зеркала - коллектор транзистора VT9, и входное сопротивление выходного каскада.

Двухтактный выходной каскад выполнен на транзисторах VT11, VT12, VT14…VT17. Рис. 3:

Рис. 3 Выходной каскад ИМС К174УН7
Рис. 3 Выходной каскад ИМС К174УН7

Транзисторы VT14 и VT16 – это верхнее плечо по схеме Дарлингтона. Транзисторы VT11, VT12, VT15, VT17 – нижнее плечо на основе повторителя по схеме Шиклаи. Транзисторы VT11, VT12 образуют последовательный дифференциальный каскад. На базу VT11 подается входной сигнал, на базу VT12 поступает сигнал обратной связи с коллектора VT17 через аналог стабилитрона на транзисторе VT15 и диодах VD4, VD5. На базу VT12 также подается ток смещения со второго выхода токового зеркала - коллектор транзистора VT13. Напряжение смещения выходного каскада определяется напряжением на диоде VD3, а также на аналоге стабилитрона на транзисторе VT15 и диодах VD4, VD5. Такое построение выходного каскада обеспечивает хорошую термокомпенсацию тока покоя выходного каскада, что не маловажно для интегрального исполнения. С выхода - вывод 12 через внешний конденсатор С8 напряжение поступает в нагрузку.

Режим работы всей схемы стабилизируется ООС по постоянному и переменному напряжению, ее сигнал подается с выхода усилителя в эмиттерную цепь транзистора VT2 через резистор R8. Глубина ООС по постоянному напряжению составляет 100%. По переменному напряжению определяется внешним резистором R1, подключенным к выводу 6 и общему проводу через конденсатор С2.

К выводам 4 и 12 подключается конденсатор С7, а к выводам 1 и 4 резистор R3, которые образуют цепь вольтодобавки. При максимальном выходном напряжении на выводе 12, напряжение на выводе 4 возрастает на 6 -6,5 В, т.е. на амплитудное значение выходного напряжения. Напряжение на коллекторе VT14 при этом возрастает с 15 В до 21 В, что улучшает условия открывания транзистора VT16. На остальные каскады, благодаря токовому зеркалу, цепь вольтодобавки не влияет.

Схема по рис.1 была смоделирована в программе Microcap.

На рис. 4 представлена АЧХ с разомкнутой петлей ООС по результатам моделирования. Кривая 1 - с отключенными от вывода 5 цепями коррекции, кривая 2 - с подключенными:

Рис. 4 АЧХ с разомкнутой петлей ООС
Рис. 4 АЧХ с разомкнутой петлей ООС

Также были проведены измерения в реальной схеме: на частоте 100 Гц усиление было 90 дБ, на частоте 1 кГц - 70 дБ, а на частоте 20 кГц - 45 дБ, т.е. почти как у операционного усилителя широкого применения, еще и с мощным выходом. Второй полюс АЧХ находится примерно на частоте 1,5 МГц, усиление на этой частоте около 12,5 дБ. Можно сделать минимальное усиление 20 дБ, увеличив глубину ООС для снижения искажений, без опасности самовозбуждения, что подтвердилось на практике.

Что интересно такой же выходной каскад применяется и в других микросхемах, например, TDA2040, TDA2822, BA5415A, BA5416 и др. Вероятно, такое построение выходного каскада - наилучшее решение для ИМС и используется на протяжении многих лет. Например, микросхема TBA810 была выпущена в 1974 году, разработка микросхемы К174УН7 началась в СССР в середине 1970-х годов . А микросхема BA5415A была выпущена компанией ROHM Semiconductor в 2001 году. Почти через 30 лет!

Коэффициент гармоник в зависимости от выходной мощности для типовой схемы включения на частотах 100 Гц, 1 кГц и 10 кГц на рис. 5:

Рис. 5 Коэффициент гармоник в зависимости от Рвых на частотах 100 Гц, 1 кГц и 10 кГц.
Рис. 5 Коэффициент гармоник в зависимости от Рвых на частотах 100 Гц, 1 кГц и 10 кГц.

Какие можно внести изменения для уменьшения искажений усилителя на этой микросхеме смотрите в статьях:

Свои замечания и дополнения пишите в комментариях.

  • Полная или частичная перепечатка статьи, без письменного разрешения автора, запрещена.