Найти в Дзене

2. Микросхема К174УН7. Еще один способ снижения искажений.

С момента применения микросхемы К174УН7 умы инженеров, конструкторов и радиолюбителей не покидала мысль о снижении искажений усилителя, собранного на ней. В журналах, а затем в сети Интернет предлагались и предлагаются различные варианты решения этой проблемы. Такие, как замена цепи вольтодобавки генератором тока, увеличение резистора смещения на входе, увеличение глубины ООС с добавлением дополнительного каскада, добавление внешних выходных транзисторов, перевод схемы в режим инвертирующего усилителя с одновременным увеличением глубины ООС. Предлагаю еще один способ. Он также основан на увеличении глубины ООС, при этом схема работает в режиме неинвертирующего усилителя и обладает высоким входным сопротивлением. Как известно, наибольшие искажения в усилителях вносит выходной каскад. Причиной больших искажений в данной микросхеме является также входной каскад на транзисторе VT1 - эмиттерный повторитель. Напряжение на его коллекторе и базе практически равны. Напряжение между коллекторо

С момента применения микросхемы К174УН7 умы инженеров, конструкторов и радиолюбителей не покидала мысль о снижении искажений усилителя, собранного на ней. В журналах, а затем в сети Интернет предлагались и предлагаются различные варианты решения этой проблемы. Такие, как замена цепи вольтодобавки генератором тока, увеличение резистора смещения на входе, увеличение глубины ООС с добавлением дополнительного каскада, добавление внешних выходных транзисторов, перевод схемы в режим инвертирующего усилителя с одновременным увеличением глубины ООС.

Предлагаю еще один способ. Он также основан на увеличении глубины ООС, при этом схема работает в режиме неинвертирующего усилителя и обладает высоким входным сопротивлением.

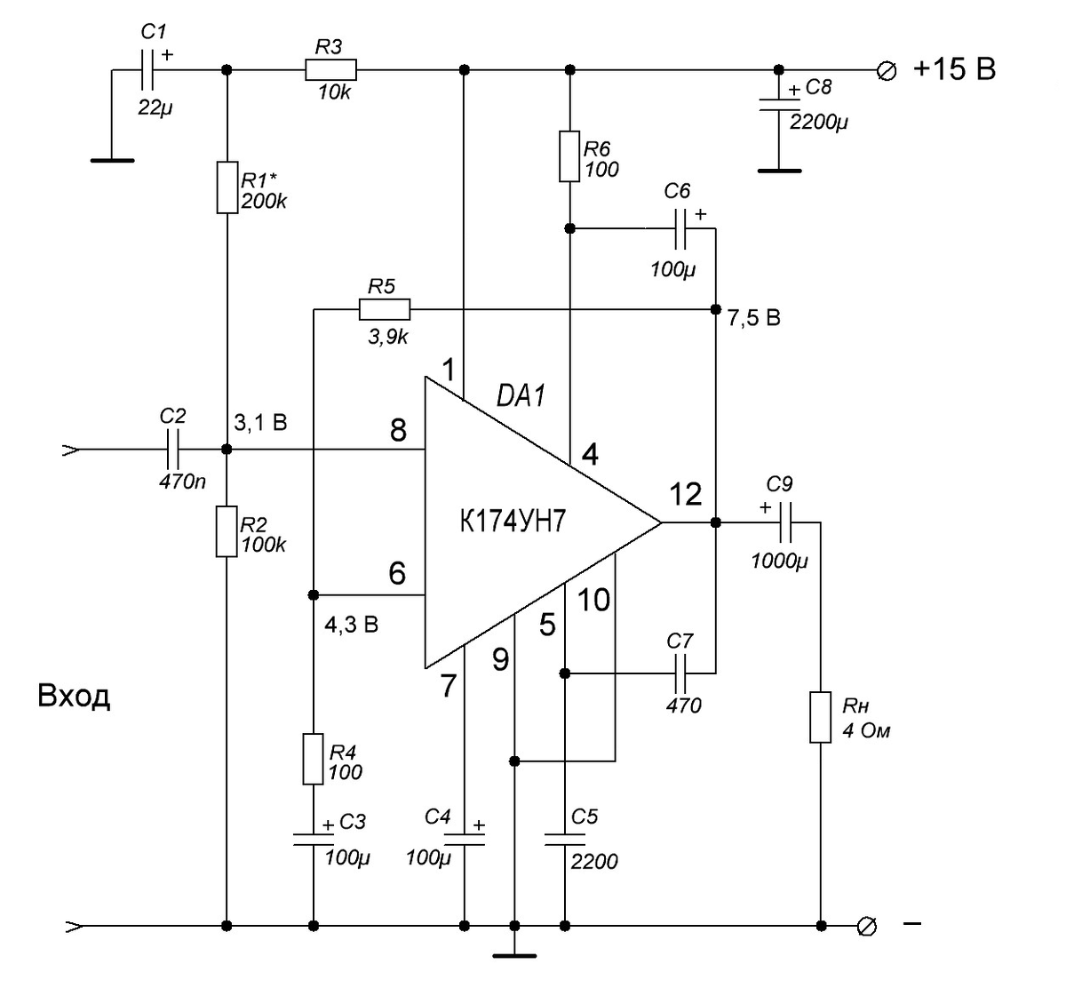
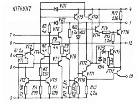
Как известно, наибольшие искажения в усилителях вносит выходной каскад. Причиной больших искажений в данной микросхеме является также входной каскад на транзисторе VT1 - эмиттерный повторитель. Напряжение на его коллекторе и базе практически равны. Напряжение между коллектором и эмиттером в режиме насыщения транзистора VT1 составляет около 0,2 В, напряжение на базе при этом будет -0,4 В, т.е. максимальная амплитуда сигнала, при которой транзистор VT1 не входит в насыщение не должна быть больше 0,4 В. При большей амплитуде начинает открываться коллкторный переход. Амплитуда сигнала, при которой искажения достаточно малы будет еще меньше, и в типовой схеме включения составляет около 100 мВ. И все попытки увеличить глубину ООС и подавать сигнал амплитудой выше этого уровня приводят к не к уменьшению, а наоборот к возрастанию искажений. Чтобы обойти это ограничение необходимо изменить режим транзисторов VT1 и VT2. В типовом режиме при Uпит - 15 В, напряжение на выводе 12 - 7,5 В, на выводе 6 - 1,2 В ток эмиттера VT2 составляет 1,57 мА. Подключив резистор между выводами 6 и 12 сопротивлением 4 кОм, параллельно с внутренним R8 получим 2 кОм. Ток эмиттера VT2 для получения 7,5 В на выводе 12 по прежнему должен быть 1,57 мА. Напряжение на выводе 6 при этом должно быть 4,35 В, а на выводе 8 внешним делителем нужно установить напряжение около 3,1 В. Теперь амплитуда входного напряжения может достигать 3 В, при коэффициенте усиления равном 2.

Схема усилителя с изменениями:

Для снижения Кг на низких частотах емкость С9 нужно увеличить до 2200 мкФ и более
Для снижения Кг на низких частотах емкость С9 нужно увеличить до 2200 мкФ и более

Коэффициент усиления составляет 26 дБ.

Коэффициент гармоник в зависимости от выходной мощности на частотах 100 Гц, 1 кГц и 10 кГц показан на рисунке. Для сравнения приведена зависимость для типовой схемы на частоте 1 кГц при Ку 37 дБ (желтая линия):

Коэффициент гармоник в зависимости от выходной мощности на частотах 100 Гц, 1 кГц  и 10 кГц. Желтая линия - для типовой схемы на частоте 1 кГц.
Коэффициент гармоник в зависимости от выходной мощности на частотах 100 Гц, 1 кГц и 10 кГц. Желтая линия - для типовой схемы на частоте 1 кГц.

Для сравнения были сняты кривые для типовой схемы включения при Ку 37 дБ, также на частотах 100 Гц, 1 кГц и 10 кГц:

Коэффициент гармоник в зависимости от выходной мощности на частотах 100 Гц, 1 кГц  и 10 кГц для типовой схемы включения. Ку 37 дБ.
Коэффициент гармоник в зависимости от выходной мощности на частотах 100 Гц, 1 кГц и 10 кГц для типовой схемы включения. Ку 37 дБ.

На частоте 1 кГц коэффициент гармоник снизился в среднем в 5,5 раз.

Были сняты зависимости коэффициента гармоник на частоте 1 кГц, при различных коэффициентах усиления, для сравнения приведена зависимость для типовой схемы (желтая линия):

Коэффициент гармоник в зависимости от коэффициента усиления на частоте 1 кГц
Коэффициент гармоник в зависимости от коэффициента усиления на частоте 1 кГц

Схема с изменениями дает меньшие искажения, даже при большем почти в три раза коэффициенте усиления, чем в типовой схеме.

Делать усилитель на ней может и не актуально, при наличии современных микросхем. Но при восстановлении аппаратуры, например, приемников "Океан-2хх" можно внести эти изменения в схему УНЧ и улучшить звучание.

Такие же изменения можно внести в схему усилителя описанного в предыдущей статье https://dzen.ru/a/aLcjnEux6ALTlzuM?share_to=link

  • Полная или частичная перепечатка статьи, без письменного разрешения автора, запрещена.