Найти в Дзене

Орион-128. SCART и магнитофон.

Всех приветствую! Хоть я и писал ранее в одной из статей, что найти телевизор с интерфейсом SCART становится всё сложнее, решил всё-таки описать подключение компьютера к телевизору по данному интерфейсу. А заодно рассмотреть вопрос о подключении магнитофона. Согласен, многие скажут, что магнитофоны и кассеты давно не актуальны, и что уже для хранения файлов даже на восьмибитках используются дисководы и карты памяти, а также по интерфейсу RS-232 можно обмениваться файлами с PC, используя последний как файловое хранилище. Об этом я писал не так давно. Но что если кто-то отчаянный решил собрать компьютер образца 1989 года, именно такой, каким его сделали на тот момент авторы Владислав Сугоняко, Вячеслав Сафронов и Константин Коненков? А подключались тогда все восьмибитки только к телевизорам и магнитофонам. Поэтому сегодня мы соберём плату, включающую в себя интерфейс SCART и интерфейс магнитофона. Сразу скажу: к этим схемам я никакого отношения не имею. Эти узлы были взяты из других ис

Всех приветствую!

Хоть я и писал ранее в одной из статей,

что найти телевизор с интерфейсом SCART становится всё сложнее, решил всё-таки описать подключение компьютера к телевизору по данному интерфейсу. А заодно рассмотреть вопрос о подключении магнитофона. Согласен, многие скажут, что магнитофоны и кассеты давно не актуальны, и что уже для хранения файлов даже на восьмибитках используются дисководы и карты памяти, а также по интерфейсу RS-232 можно обмениваться файлами с PC, используя последний как файловое хранилище. Об этом я писал не так давно.

Но что если кто-то отчаянный решил собрать компьютер образца 1989 года, именно такой, каким его сделали на тот момент авторы Владислав Сугоняко, Вячеслав Сафронов и Константин Коненков?

А подключались тогда все восьмибитки только к телевизорам и магнитофонам. Поэтому сегодня мы соберём плату, включающую в себя интерфейс SCART и интерфейс магнитофона.

Сразу скажу: к этим схемам я никакого отношения не имею. Эти узлы были взяты из других источников.

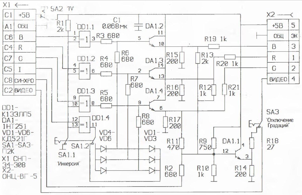
Схема подключения к телевизору была взята из статьи ж.Радио, 1992г, №2-3, стр. 31-33, автор В.Пушков:

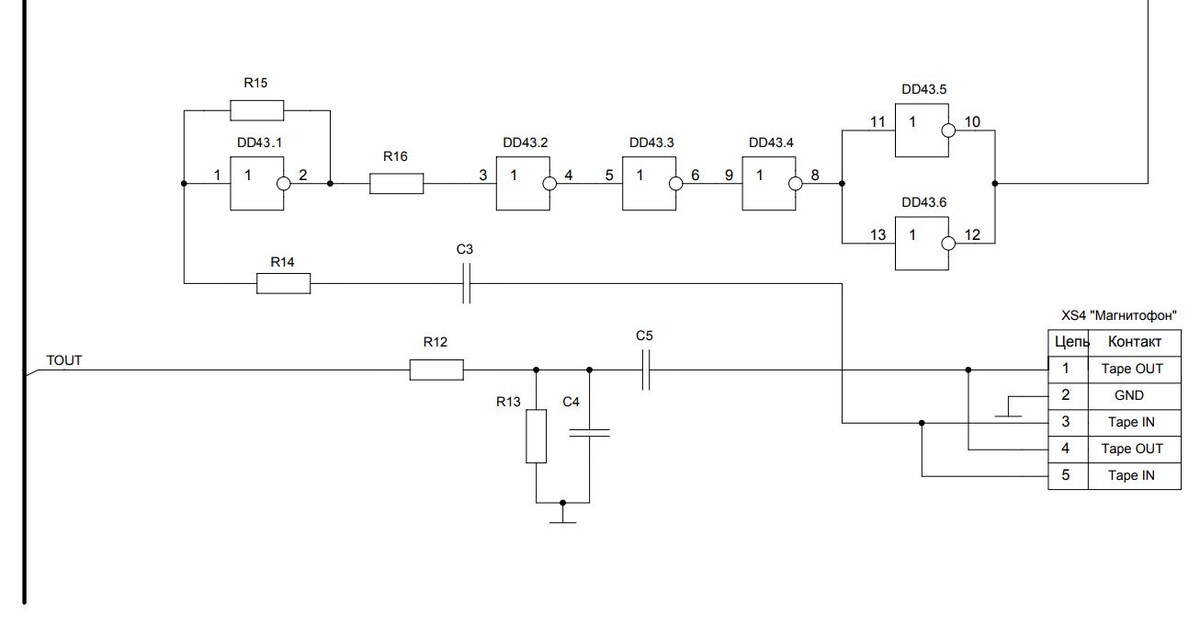
Узел магнитофона был взят из схемы компьютера Ленинград-2:

-2

Родной магнитофонный узел Ориона на ОУ К140УД6 у меня почему-то не заработал. Да и требовал данный ОУ питание -5В, что при использовании процессора Z80 является своего рода, странной приблудой.

Объединив обе эти схемы, получилось следующее:

-3

Заодно добавил в схему звуковой микшер, чтобы можно было подключать внешние источники звука штекером 3,5мм.

Подключение разъёмов расчитано на плату Ориона версии 512.3, на которой на магнитофонный разъём выведены сигналы напрямую от порта DD53 КР580ВВ55, минуя ОУ К140УД6 и резисторно-конденсаторные цепочки.

Также необходимо провести небольшую доработку на материской плате. Нужно пробросить проводник, соединив контакт системного разъёма Х2.С28 Ориона с контактом А1 разъема Х6. Это позволит звуку с выхода процессора INTE проходить на разъем SCART.

Плата получилась такой:

-4
-5

После сборки собранное устройство выглядит так:

-6

И подключается к компьютеру сразу в два разъёма:

-7

Как видно из фото, на плате Ориона не запаяно никаких деталей обвязки видеоузла. Все необходимые сигналы идут на разъём с мультиплексоров DD56 и DD57 К155КП2, а также логического элемента DD9.2 К155ЛИ1.

Также на плате установлен разъём USB-FA. Он предназначен для запитки каки-либо других устройств, например, узла блютуз аудиоприёмника, выход которого можно подключить на аудиовход "Ext.audio", тем самым превратив телевизор в
усилитель для прослушивания музыки.

Подстроечными резисторами выставляем примерно одинаковый уровень громкости каждого источника, чтобы при добавлении или убавлении звука на телевизоре соотношение уровней звука каждого источника по отношению к другим было равным.

Картинка на телевизоре после подключения:

-8

Схема, гербер для производства, прилагаются в архиве https://disk.yandex.ru/d/AxtOm9vf_jzO1Q

До новых встреч!