Добавить в корзинуПозвонить
Найти в Дзене
Дед клуб

Детекторные и прямого усиления приёмники УКВ (FM) диапазона

В Москве радиовещательные станции работают в двух диапазонах. УКВ 1 занимает частоту 65,9 - 74 МГц и в УКВ 2 радиостанции работают в интервале частот 87,5 – 108 МГц. В двух диапазонах используется частотная модуляция (ЧМ) и на всех приёмниках иностранного производства этот вид модуляции сокращённо обозначается FM (frequency modulation – частотная модуляция). В переводе встречается и такое сочетание букв ФМ. С 90-х годов импортные радиоприёмники с диапазоном УКВ 2 (FM) основательно заполонили рынок, и в настоящий момент эфир полностью освоен радиовещательными компаниями и на этом участке волн в Москве работают более 40 станций. Простота конструкции детекторного УКВ приёмника соблазняет. Соединяете вместе тройку - четвёрку деталей, и несколько радиовещательных станций слышны в наушниках. В городских условиях, где много помех этот приёмник будет работать лучше, чем выполненный на средних или длинных волнах, правда при условии, что радиовещательный УКВ передатчик или ретранслятор наход

В Москве радиовещательные станции работают в двух диапазонах. УКВ 1 занимает частоту 65,9 - 74 МГц и в УКВ 2 радиостанции работают в интервале частот 87,5 – 108 МГц. В двух диапазонах используется частотная модуляция (ЧМ) и на всех приёмниках иностранного производства этот вид модуляции сокращённо обозначается FM (frequency modulation – частотная модуляция). В переводе встречается и такое сочетание букв ФМ.

С 90-х годов импортные радиоприёмники с диапазоном УКВ 2 (FM) основательно заполонили рынок, и в настоящий момент эфир полностью освоен радиовещательными компаниями и на этом участке волн в Москве работают более 40 станций.

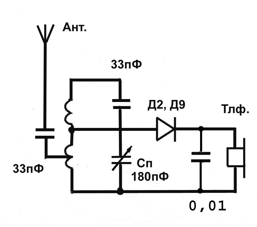
Рис.1.  Детекторный радиоприёмник УКВ ЧМ.
Рис.1. Детекторный радиоприёмник УКВ ЧМ.

Простота конструкции детекторного УКВ приёмника соблазняет. Соединяете вместе тройку - четвёрку деталей, и несколько радиовещательных станций слышны в наушниках. В городских условиях, где много помех этот приёмник будет работать лучше, чем выполненный на средних или длинных волнах, правда при условии, что радиовещательный УКВ передатчик или ретранслятор находится недалеко от вашего дома. В моём случае дальность уверенного приёма составила шесть километров.

Нужен ли такой приёмник? Детекторный, самый простой, сделанный по классической схеме? Чтобы ответить на эти вопросы соберите эту конструкцию, а когда соберёте, то поймёте, что не зря провели время. Много интересных опытов можно провести с простым приёмником. Возможно, вам захочется усовершенствовать его, добавить каскад усиления, улучшить селективность, сделать антенну с большим коэффициентом усиления и т. д. То, что вы не остановитесь на достигнутом - уже хорошо.

Детекторный УКВ приёмник.

 Рис 2.  Детекторный УКВ (FM) приёмник с УНЧ, 0 - V - 1.
Рис 2. Детекторный УКВ (FM) приёмник с УНЧ, 0 - V - 1.

Самый простой УКВ ЧМ детекторный приёмник по схеме не отличается от амплитудного детектора диапазонов: ДВ, СВ, КВ, но по конструкции он будет отличаться катушкой индуктивности, она будет иметь всего несколько витков провода. Такой контур с конденсатором переменной ёмкости около 30 пФ перекрывает сразу 2 диапазона с запасом от 65 до 108 МГц.

С целью повышения добротности, учитывая, что токи ВЧ текут по поверхности проводов, я выбрал диаметр 2 мм, используя медный провод для электропроводки, сняв с него изоляцию и намотав 4 витка на оправке диаметром 12 мм (фото 1).

Фото 1. Медный провод диаметром 2 мм. 4 витка. Диаметр оправки 1,2 см. Намотка с принудительным шагом (зазором между витками около 1 мм).
Фото 1. Медный провод диаметром 2 мм. 4 витка. Диаметр оправки 1,2 см. Намотка с принудительным шагом (зазором между витками около 1 мм).

Детектирование ЧМ сигнала в звуковую частоту происходит в два этапа. ЧМ сигнал сначала преобразуется в АМ, благодаря тому, что настройка на радиостанцию происходит на скате частотной характеристики контура, что приводит к изменению амплитуды ЧМ сигнала. Промодулированный по частоте и амплитуте сигнал превращается в звуковую частоту амплитудным детектором на диоде.

Но услышать эфир с такого приёмника возможно в непосредственной близости передатчика, поэтому желательно сразу же подключить УНЧ с низкоомным телефоном или компьютерную колонку, так как скат контура на принимаемой частоте очень пологий и изменение амплитуды в результате преобразования ЧМ сигнала в АМ очень малы. Когда я всё это подсоединял, то мне самому было интересно чего же я услышу. Ведь колебательный контур имеет на этой частоте полосу около 5 МГц, а это значит, что около 10 станций я должен услышать одновременно.
Практически я впервые собирал такой простой радиоприёмник на эту частоту для ЧМ сигнала.

Фото 2.
Фото 2.

На фото 2 – спектры радиовещательных станций FM диапазона (87,5 - 108 МГц) в Москве и в ближайшем Подмосковье. В настоящий момент их около 50. Передающие радиовышки находятся в разных местах. Мощность каждой радиостанции от 1 кВт до 10 кВт. Простой самодельный детекторный приёмник выберет самые высокие уровни.

  Рис. 3.  Детекторный УКВ приёмник ЧМ. Схема удвоения напряжения (по Вильярду), 0 - V - 1.
Рис. 3. Детекторный УКВ приёмник ЧМ. Схема удвоения напряжения (по Вильярду), 0 - V - 1.

Детекторный приёмник, выполненный по схеме удвоения напряжения (по Вильярду) Рис.3, не даст на практике существенного выигрыша в громкости (в 2 раза или на 6 дБ). При таком включении диодов контур будет сильнее загружен, и для восстановления его добротности необходимо будет изменить его коэффициент включения или емкостную связь, и в лучшем случае выигрыш в уровне звука будет на 4 дБ лучше, что на слух почти незаметно. Вместо германиевых диодов, давно снятых с производства, в этой схеме неплохо себя зарекомендовали СВЧ PIN диоды. Я давно их использую, по характеристикам они ближе к германиевым диодам.

PIN диоды: HSMP: 3880, 3802, 3810, 3812 и т.д., или HSMS2810, или диодные сборки HSMS 2812 - 2815, HSMS2850, или сборки HSMS2852 - 2855.

Рис. 4. УКВ (FM) приёмник  с эмиттерным детектором.   0 - V - 1. Схема детектора на транзисторе обладает более высоким коэффициентом передачи в сравнении с детектором на одним диоде.
Рис. 4. УКВ (FM) приёмник с эмиттерным детектором. 0 - V - 1. Схема детектора на транзисторе обладает более высоким коэффициентом передачи в сравнении с детектором на одним диоде.
Фото 3.  Детекторный радиоприёмник УКВ ЧМ.
Фото 3. Детекторный радиоприёмник УКВ ЧМ.

Игрушка оказалась забавной. Мне удалось насчитать до пяти радиостанций. Конечно, они мешали друг другу, музыка одной накладывалась на речь другой станции, но в целом приёмник принимал эфир, и даже можно было найти участок в диапазоне, когда мощная радиостанция, подавляя более отдалённые, звучала комфортно. А лучшей антенной в городских условиях оказалось строительное правило, такая алюминиевая планка для выравнивания стен. Её длина 1,5 метра, чем не линейный неразрезной вибратор для диапазона УКВ 2. В заземлении УКВ детектор уже не нуждался, и это было преимуществом по сравнению с АМ приёмником, если сравнивать его по тому же количеству деталей.

Фото 4.  Антенна - строителное правило.
Фото 4. Антенна - строителное правило.
Фото 5. Антенна - неразрезной линейный вибратор с согласующем устройством, а строительное правило - отражатель.
Фото 5. Антенна - неразрезной линейный вибратор с согласующем устройством, а строительное правило - отражатель.

Но пока оставался один существенный недостаток, это плохая селективность или избирательность по соседнему каналу, ну прямо коммуналка, какая то, игрушка в стиле ретро, память о детстве, об общественной кухне наполненной соседями со своими сплетнями и рассказами. А с другой стороны удобно, слушаешь музыку, а одновременно с ней узнаёшь новости и погоду с другой радиостанции.

Я попытался улучшить добротность контура, чтобы поднять усиление и добиться хорошей избирательности по соседнему каналу, для чего сделал катушку из алюминиевой трубки, закрепив её в алюминиевом тазике для варенья, сконструировав некое подобие резонатора. Несмотря на то, что радиостанции принимались, реального выигрыша не было.

Фото 6.
Фото 6.
Фото 7  Детекторный приёмник в тазике.
Фото 7 Детекторный приёмник в тазике.

Фото 6, 7.  С помощью конденсатора настройки (пластмассовой трубки со слоем фольги сверху, соединённой с тазиком), одетого на алюминиевую трубку, настроился на 56 МГц. Расстояние между двумя настройками на скатах, которое составило 2 МГц, принял за полосу контура. Приёмник принимал только сигнал с генератора, хотя без конденсатора станции УКВ диапазона были слышны, но до них ещё надо пилить и пилить трубку.

Я попробовал избавиться от назойливых соседей и поставил ещё один перестраиваемый резонансный каскад усиления перед детектором, сделав, таким образом,

приёмник УКВ (FM) прямого усиления 1 – V – 1.

 Рис. 5. Приёмник УКВ (FM) прямого усиления с УВЧ (Т1), детектором (Т2), УНЧ DD1.
 1 - V - 1
Рис. 5. Приёмник УКВ (FM) прямого усиления с УВЧ (Т1), детектором (Т2), УНЧ DD1. 1 - V - 1

В конструкции приёмника использован двухсторонний фольгированный стеклотекстолит. А края платы пропаяны медной лентой, обеспечивающий двухсторонний контакт проводящего слоя. Катушки расположены с двух сторон печати, а сама плата является экраном между контурами. Таким образом, убираются паразитные связи (положительная обратная связь), которые способны на этих частотах превратить данный приёмник в регенеративный, то есть, работающий на грани самовозбуждения. В этой части желательно позаботиться об устойчивом усилении резонансного каскада, а регенеративный приёмник - это отдельная тема для творчества.

Фото 8. Конструкция приёмника 1- V - 1.
Фото 8. Конструкция приёмника 1- V - 1.

При использовании 2-х резонансных контуров полоса должна сузиться в 1,4 раза, а подавление соседнего канала увеличиться в 2 раза, что и получилось на практике, но оставшаяся довольно широкая полоса (3,5 МГц) захватывала по две станции. Такая конструкция работала только в городе, а в дачной местности, в 70 км от города и в 20 км от ретранслятора, я не смог поймать ни одной станции, только ровный белый шум УНЧ. Правда, стоило мне подсоединиться к телевизионной антенне с усилителем, что-то стало проявляться на уровне шумов, но для качественного функционирования устройства было ещё далеко. Для нормальной работы такого приёмника мне необходимо было вернуться в 50-е годы прошлого столетия и позаимствовать схему телевизора КВН-49, приёмный тракт этого устройства был сделан по схеме прямого усиления. Приёмник имел только два канала. Это была линейка ламп с контурами, которые переключались рычажком-переключателем, замыкающим контактные лепестки по всей длине шасси. А всего 20 лет назад, когда FM диапазон ещё не был освоен, такой самодельный приёмник оказался бы вполне приемлемым в использовании, по крайней мере, в городских условиях. Возвращаться в прошлое с целью усложнения схемы не хотелось.

Сверхрегенеративный приёмник УКВ (FM) диапазона.

Не видел человека счастливее в момент, когда он демонстрировал работу своего сверхрегенеративного приёмника. Всего три транзистора на картонке, штыревая антенна и несколько сверхдальних станций захлёбываясь иностранной речью, перебивают друг друга.

Я тоже собирал аналогичные приёмники КВ диапазона для радиоуправляемых моделей и простеньких переговорных устройств. Этот вид детектирования сигнала подкупает своей простотой, но в настоящий момент переходит в разряд ретро, уступая место супергетеродинному приёмнику, который благодаря современной элементной базе будет иметь преимущество.

Но надо отдать должное этому устройству, ибо собрав его, вы не сможете от него оторваться, крутя подстроечные конденсаторы, подбирая режимы, добиваясь согласования с контурами и т. д. в попытке получить от этого радиоприёмника нечто сверхъестественное, как и следует из его названия. Не буду никого разочаровывать, так как сам собрал такой приёмник на диапазон УКВ – 2 (88 – 108 МГц) и уже не один вечер колдую над ним.

Рис. 6. Сверхрегенеративный приёмник УКВ ЧМ.
Рис. 6. Сверхрегенеративный приёмник УКВ ЧМ.

У этого приёмника лучше селективность по соседнему каналу, практически переехал в отдельную квартиру. Лучше чувствительность, я уже могу слушать его на даче. Но про остальные параметры мне лучше помолчать. А то пропадёт весь интерес к нему и счастливое лицо, демонстрирующее работу приёмника, никому не суждено будет увидеть.

Конструкция приёмника аналогична предыдущей, но у вас появится непреодолимое желание экранировать сверхрегенеративный детектор ибо, уже поднося руку к катушке демодулятора, его настройка меняется, ведь он включает в себя генератор высокой частоты, излучающий высокочастотную генерацию вспышками благодаря второму генератору, более низкой частоты, и всё это выполнено на одном транзисторе. Я специально немного изменил предыдущую схему, превратив резонансный каскад УВЧ в апериодический, чтобы такую конструкцию легко можно было переделать. Изменению в основном подвергается детектор. Однако лучшую развязку с антенной обеспечит каскодный УВЧ.

Такой простой УКВ радиоприёмник целесообразно сделать в виде макета в стиле ретро, который может быть использован на школьной выставке творчества в качестве практического задания на каникулы. Как демонстрационный радиоприёмник он будет более работоспособен в городских условиях, где много помех, по сравнению с диапазонами СВ и ДВ.