Найти в Дзене
Разумный мир

Измеряя мы изменяем. О влиянии измерительных приборов на объект измерения

Ранее мы кратко познакомились с некоторыми общими вопросами точности и разрешающей способности. Тогда же я упомянул и о том, что измерительные приборы и сами оказывают влияние на объект измерения. Однако, рассматривать подробнее этот вопрос мы не стали, статья и так получалась большой (по меркам Дзен). Использование прецизионного измерительного прибора вовсе не гарантирует получения точного результата измерения! Это может показаться парадоксальным, но это именно так. Потому что кроме точности измерительного прибора очень важно знать, как само измерение повлияет на объект измерения. Такое влияние есть всегда. Оно может быть ничтожно, исчезающе, малым. И тогда его можно проигнорировать. Но может оказаться и весьма значительным. И тогда это нужно учитывать при фиксации результата измерения. Поскольку моя профессиональная деятельность связана с электроникой, в сегодняшней статье большей частью будет идти речь об электрических измерениях. Но, как мы увидим, учитывать придется самые разные ф
Оглавление

Ранее мы кратко познакомились с некоторыми общими вопросами точности и разрешающей способности. Тогда же я упомянул и о том, что измерительные приборы и сами оказывают влияние на объект измерения. Однако, рассматривать подробнее этот вопрос мы не стали, статья и так получалась большой (по меркам Дзен).

Использование прецизионного измерительного прибора вовсе не гарантирует получения точного результата измерения! Это может показаться парадоксальным, но это именно так. Потому что кроме точности измерительного прибора очень важно знать, как само измерение повлияет на объект измерения.

Такое влияние есть всегда. Оно может быть ничтожно, исчезающе, малым. И тогда его можно проигнорировать. Но может оказаться и весьма значительным. И тогда это нужно учитывать при фиксации результата измерения.

Поскольку моя профессиональная деятельность связана с электроникой, в сегодняшней статье большей частью будет идти речь об электрических измерениях. Но, как мы увидим, учитывать придется самые разные физические явления.

Статья рассчитана, большей частью, на новичков и любителей, а не на специалистов. Возможно, даже на школьников старших классов. Ведь многие начинают увлекаться электроникой еще в школьные годы.

Статья является сугубо практической, а не теоретической. И рассмотрим мы и стрелочные (аналоговые) и цифровые измерительные приборы.

Попугаи для измерения. Или коротко о единицах измерения и константах.
Разумный мир3 декабря 2021

Идеальные измерительные приборы

В идеальном мире существуют идеальные измерительные приборы. Они не только абсолютно точные, но и позволяют определять совершенно любые значения измеряемой величины. А еще, они совершенно не оказывают влияния на то, что мы пытаемся измерить.

Например, мы можем измерить температуру внутри бруска некоего материала. При этом сам брусок останется неповрежденным. Более того, термометр останется работоспособным, совершенно невероятным образом, при и температуре абсолютного нуля, и при температуре во много раз превышающей температуры плавления и испарения любых известных человеку материалов.

Но нас сегодня интересуют электрические измерения. Для их проведения в идеальном мире существуют идеальный амперметр и идеальный вольтметр. Давайте взглянем на их основные характеристики

  • Идеальный амперметр обладает равным нулю внутренним сопротивлением. Он может быть включен в разрыв абсолютно любого участка цепи, что никак не повлияет на протекающие в цепи процессы. Падение напряжения на идеальном амперметре отсутствует, так как его сопротивление равно нулю. Он может измерять любой ток, от бесконечно малого, до бесконечно большого.
  • Идеальный вольтметр обладает бесконечно большим внутренним сопротивлением. Он может быть подключен параллельно абсолютно любому участку цепи, что никак не повлияет на протекающие в цепи процессы. Ток через идеальный вольтметр не протекает, так как его сопротивление бесконечно. Он может измерить любое напряжение, от бесконечно малого, до бесконечно большого.
  • Идеальные амперметр и вольтметр обладают бесконечно высоким быстродействием. Они способны зафиксировать и абсолютно точно измерить параметры процесса любой длительности.
  • Идеальные амперметр и вольтметр обладают фантастической способностью не только измерять, но и записывать, регистрировать, результаты измерений с любой временной дискретностью. Например, идеальный вольтметр способен в мельчайших деталях зарегистрировать изменение потенциала точки пространства при пролете через нее движущегося со скоростью близкой скорости света электрона.

Такими идеальными приборами очень любит пользоваться, например, школьная физика. Но в реальном мире, разумеется, нет идеальных измерительных приборов. И вот об этом новички нередко забывают.

Поэтому давайте попробуем разобраться, как устроены реальные измерительные приборы. Для этого нам потребуется обратиться к физике. Не пугайтесь, совсем немного. Знаний школьной программы окажется достаточно. А это поможет нам и понять, как измерения будут влиять на электрические цепи.

Гальванометр - вечная классика

Не так давно большинство измерительных приборов были стрелочными. Шкалы таких приборов могли быть круговыми (чаще всего, сектор окружности) или линейными. Вместо стрелки мог использоваться луч света. Суть от этого не меняется. Такие приборы были аналоговыми.

Можно привести множество примеров таких приборов предназначенных для измерения различных физических величин. Но в приборах для электрических измерений, в подавляющем большинстве случаев, использовались измерительные головки магнитоэлектрической системы. Это наследники тех самых гальванометров, которыми пользовались физики на заре изучения электричества. Вам они знакомы по урокам физики в школе.

Устройства электростатической системы, которые фактически являются крутильным динамометром, рассматривать не будем.

Не смотря на то, что гальванометр достаточно подробно рассматривается в школьном курсе физики, нам нужно его немного вспомнить, это важно

Гальванометр (школьный)  и его устройство. Фото из интернета, рисунок мой
Гальванометр (школьный) и его устройство. Фото из интернета, рисунок мой

Если не считать первые опыты, в которых использовалась стрелка компаса, гальванометр состоит из подвижной проволочной рамки (катушки) с прикрепленной к ней стрелкой и помещенной в магнитное поле. При протекании тока через катушку возникает магнитное поле, которое взаимодействует с полем постоянного магнита, что приводит к повороту рамки вокруг ее оси.

Катушка (рамка с проводом), естественно, обладает некоторым электрическим сопротивлением. Это сопротивление зависит от длины (количества витков) и диаметра провода. А так же, от материала, из которого провод изготовлен.

При отсутствии тока в катушке стрелка гальванометра покоится на нулевом делении шкалы. При протекании через катушку тока стрелка отклоняется. Ток, при котором стрелка достигает крайнего деления шкалы (максимального угла отклонения) называется током полного отклонения.

Однако, протекающий через катушку ток создает на ее сопротивлении некоторое падение напряжения. Это напряжение зависит от сопротивления катушки. Поэтому можно ввести и понятие напряжения полного отклонения.

Таким образом, гальванометр, который является неидеальным амперметром, может считаться и неидеальным вольтметром.

В документации на измерительные магнитоэлектрические головки указываются важнейшие параметры:

  • Ток полного отклонения
  • Сопротивление постоянному току (важно, что именно постоянному!)
  • Класс точности

Класс точности это выраженное в процентах максимальное значение погрешности по отношению к максимальному значению измеряемой величины на данном пределе измерения.

Давайте рассмотрим небольшой пример. Пусть имеется измерительная головка магнитоэлектрической системы (гальванометр) с током полного отклонения 100 мкА, сопротивлением катушки 1 кОм, класса точности 2.0. Легко найти, что напряжение полного отклонения составит при этом 0.1 В, или 100 мВ. А класс точности соответствует относительной систематической погрешности, что дает нам диапазон возможных значений тока полного отклонения от 98 до 102 мкА.

Погрешности и параметры гальванометра, о которых часто забывают

Давайте вспомним про ТКС - температурный коэффициент сопротивления. А это означает, что сопротивление катушки гальванометра зависит от температуры окружающей среды.

Поэтому совершенно не случайно в документации на измерительные приборы указывают, что точность обеспечивается в определенном диапазоне температуре. Стандартной считается температура +25 градусов Цельсия, которая часто называется комнатной. Обычно именно при этой температуре обеспечивается наибольшая точность. А для прецизионных измерительных приборов часто указывается и поправка (в виде формулы или таблицы), которую нужно вводить при значительном отклонении температуры от стандартной.

Но ведь и это еще не все! Протекающий через катушку гальванометра ток неизбежно вызывает ее нагрев. А значит, и в процессе измерения сопротивление катушки гальванометра не остается неизменным. Это влияние может быть и ничтожно малым, и довольно заметным.

Дорогостоящие прецизионные приборы могут иметь схемы корректировки влияния температуры. Даже не смотря на то, что такие приборы обычно используются в лабораториях, где температура достаточно стабильна.

Но и это еще все! Катушка гальванометра, как и любая катушка, любой проводник, обладает некоторой индуктивностью. Для измерения постоянного тока влиянием индуктивности катушки можно пренебречь. Но для переменного тока она уже будет оказывать влияние. Немного позже мы это увидим.

Кроме того, катушка гальванометра обладает и некоторой емкостью. Причем не только собственной, но и относительно окружающих предметов и даже планеты Земля. Влияние емкости относительно окружающих предметов можно уменьшить введя электрический экран. Но собственная емкость никуда не денется.

Таким образом, мы можем, пусть и очень упрощенно, представить гальванометр в виде такой эквивалентной схемы.

Эквивалентная схема гальванометра, упрощенная. Иллюстрация моя
Эквивалентная схема гальванометра, упрощенная. Иллюстрация моя

Почему схема упрощенная? Дело в том, что емкость катушки является на самом деле распределенной. И кроме емкости катушки существует и емкость токоподводов и входных зажимов. Как минимум, можно включить в схему эту емкость, параллельно входным зажимам.

При этом все элементы эквивалентной схемы являются постоянными лишь условно. Про причины изменения сопротивления и емкости мы уже кратко говорили, а вот про индуктивность пока нет. Дело в том, что геометрические размеры катушки тоже зависят от температуры. А значит, и индуктивность зависит от температуры.

Обратите внимание, что мы начали с того, как устроен гальванометр, а в конечном итоге пришли к его эквивалентной схеме. Изменение параметров элементов гальванометра влияет на точность измерения, что учитывается в указании класса точности. Но при включении гальванометра в электрическую цепь для проведения измерения мы, фактически, выполняем подключение его эквивалента.

Именно поэтому нам было важно рассмотреть устройство гальванометра более подробно. Несколько выйдя за рамки школьного курса физики.

А ведь и это еще не все! При протекании тока через катушку гальванометра она, вместе со стрелкой, движется (поворачивается). А движение катушки в магнитном поле приводит к появлению ЭДС индукции. При включении тока через катушку гальванометра стрелка не мгновенно устанавливается на соответствующее деление шкалы, она совершает несколько колебательных движений до того, как успокоится.

И эта переменная ЭДС должна учитываться в эквивалентной схеме гальванометра в виде отдельного источника. Что бы не загромождать эквивалентную схему я не буду добавлять в нее электромеханические параметры и дополнительные источники. В конце концов, наше сегодняшнее рассмотрение упрощенное. Просто имейте ввиду, что гальванометр это еще и, в некотором роде, генератор. Что конечно далеко не всегда нужно учитывать.

Многодиапазонный амперметр

В чистом виде магнитоэлектрическая измерительная головка (гальванометр) применима редко. В основном она используется в составе измерительных приборов. Но это вовсе не означает, что мы их зря рассматривали. Понимание процессов очень важно.

В амперметрах, для измерения токов превышающих ток полного отклонения измерительной головки, используются шунты, которые подключаются параллельно измерительной головке. Для измерения токов значительно меньших тока полного отклонения используются усилители, к выходу которых подключается измерительная головка.

Мы будем рассматривать только использование шунтов. Многодиапазонный амперметр может выполнен в виде двух вариантов. Они выглядят заметно различающимися, но на самом деле практически тождественны, с точки зрения сегодняшней статьи

Два варианта построения многодиапазонного амперметра. Иллюстрация моя
Два варианта построения многодиапазонного амперметра. Иллюстрация моя

В первом варианте переключение диапазонов осуществляется перестановкой щупа в другое гнездо. Во втором случае, с помощью переключателя.

То, что в первом варианте у нас резисторы шунта оказываются подключенными последовательно с измерительной головкой, конечно вносит небольшую погрешность, которая может быть сведена к минимуму точным расчетом сопротивлений резисторов.

Использование шунтов снижает внутреннее сопротивление амперметра, так как они подключаются параллельно измерительной головке. Но насколько сильно снижается сопротивление? Это зависит от требуемого предела измеряемой силы тока. Чем больше требуемый предел измерения превышает ток полного отклонения, тем меньше сопротивление шунта.

Но давайте посмотрим внимательнее на оба варианта амперметра. Во втором варианте у нас изменяется сопротивление амперметра, но напряжение полного отклонения остается неизменным! А это важный для нас факт. В первом варианте напряжение полного отклонения несколько изменяется, так как уже нужно учитывать падение напряжения на резисторах шунта включенных последовательно с измерительной головкой. И чем выше предел измерения, тем больше падение напряжения.

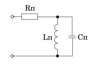
Расчет сопротивлений резисторов шунта не является темой сегодняшней статьи. Поэтому давайте сразу перейдем к эквивалентной схеме амперметра

Эквивалентная схема амперметра. Иллюстрация моя
Эквивалентная схема амперметра. Иллюстрация моя

Это эквивалентная схема именно прибора, без учета щупов или соединительных проводников. От рассмотренной ранее эквивалентной схемы гальванометра она отличается добавлением резистора шунта и эквивалентной входной емкости прибора. Элементы эквивалентной схемы измерительной головки (гальванометра) имеют индекс Г.

Подключение амперметра в цепь для измерения тока, на самом деле, является подключением вот такой эквивалентной схемы. Как видите, это весьма далеко от идеального амперметра, эквивалентом которого является безъемкостная безиндуктивная перемычка нулевого сопротивления.

Разумеется, амперметры с токовыми трансформаторами или датчиком Холла имеют несколько отличающуюся эквивалентную схему. Но ее можно привести к примерно аналогичному виду.

Многодиапазонный вольтметр

Для измерения напряжения, как и тока, гальванометр в чистом виде практически не применим. Поэтому в схему вольтметра включают балластные резисторы или резистивные делители напряжения. Для измерения напряжений превышающих напряжение полного отклонения. Или усилители, для измерения напряжений существенно меньших напряжения полного отклонения.

Это дает нам два, тоже различающихся внешне, но для нас практически тождественных, варианта построения схемы вольтметра

Два варианта построения многодиапазонного вольтметра. Иллюстрация моя
Два варианта построения многодиапазонного вольтметра. Иллюстрация моя

В первом варианте вместо переключателя можно использовать перестановку щупа в другое гнездо, это ни на что не влияет. Фактически, это тоже делитель напряжения, но в качестве резистора нижнего плеча используется собственно сопротивление измерительной головки.

Во втором варианте делитель присутствует в явном виде, а измерительная головка подключается параллельно резистору нижнего плеча делителя. Этот вариант чаще используется в современных, уже цифровых, вольтметрах. Тогда как первый вариант является классическим для стрелочных приборов.

Если внимательно посмотреть на оба варианта схемы, то станет видно, что в первом варианте ток полного отклонения остается таким же, как у гальванометра. А во втором варианте ток полного отклонения будет немного больше. И чем выше предел измеряемого напряжения, тем выше ток.

Расчет сопротивления балластного резистора или резисторов делителя не является темой сегодняшней статьи. Поэтому давайте перейдем к эквивалентной схеме вольтметра

Эквивалентная схема вольтметра. Иллюстрация моя
Эквивалентная схема вольтметра. Иллюстрация моя

Отличие от эквивалентной схемы амперметра, по сути, лишь в том, как подключается дополнительный резистор. Балластный резистор подключается не параллельно входным зажимам, а последовательно.

Подключение вольтметра к цепи для измерения напряжения, на самом деле, является подключением вот такой эквивалентной схемы. Как видите, это довольно далеко от идеального вольтметра, эквивалентом которого является разрыв цепи.

Цифровой, а не аналоговый измерительный прибор

Давайте посмотрим, что изменится, если наш измерительный прибор будет не аналоговым, а цифровым. Сегодня такие приборы являются преобладающими.

На самом деле, изменится не очень многое. Фактически, мы просто должны заменить гальванометр на преобразователь аналоговой величины в цифровой вид. Это может быть аналогово-цифровой преобразователь (даже конкретный тип не важен), или преобразователь напряжения/тока в частоту/длительность, что потом будем измеряться частотомером.

Нам совершенно не важен тип устройства индикации, это может быть даже просто интерфейс для передачи информации в ЭВМ. Все будет определяться лишь преобразователем аналоговой величины в цифровой вид.

Конечно, эквивалентная схема такого преобразователя будет сильно отличаться от рассмотренной ранее эквивалентной схемы гальванометра. Появятся различные нелинейные, даже сильно нелинейные, элементы. И при строгом рассмотрении вопросов влияния такого измерительного прибора на объект измерения эти элементы нужно обязательно учитывать.

Однако, сегодня мы рассматриваем эти вопросы упрощенно. Поэтому вполне допустимо считать, что эквивалентная схема сводится к комбинации активных и реактивных компонентов. Их набор, величины, схема соединения будут различны и, в общем случае, это будет определяться не только конкретной схемой преобразователя, но и частотным диапазоном.

Хоть это и очень грубо, но давайте примем, что эквивалентная схема преобразователя примерно сводится к эквивалентной схеме гальванометра. Для наших целей это не самое страшное упрощение. Но, в большинстве случаев, индуктивность в эквивалентной схеме будет значительно меньше, чем у гальванометра.

Именно поэтому мы так много времени потратили на рассмотрение устройства и эквивалентных схем стрелочных измерительных приборов. А некоторые значимые отличия мы рассмотрим чуть далее.

Щупы это не просто провода

Да, это действительно так. Щупы и соединительные проводники являются длинными линиями с распределенными параметрами. И это верно даже на постоянном токе. Эквивалентная схема щупов может рассматриваться как соединения различного типа звеньев. Для определенности будем считать, что эквивалентная схема такая

Эквивалентная схема щупов и соединительных проводов амперметра и вольтметра. Иллюстрация моя
Эквивалентная схема щупов и соединительных проводов амперметра и вольтметра. Иллюстрация моя

Каждый соединительный проводник обладает распределенной индуктивностью и сопротивлением. Кроме того, существует и распределенная емкость между проводниками. И емкость между проводниками и "окружающей средой".

Количество звеньев и их состав зависят от частотного диапазона. На постоянном токе можно не учитывать емкость и индуктивность. А на высокой частоте их влияние будет значительным. Емкость между соединительными проводниками, как и емкость между проводниками и средой, зависит, в том числе, от их расположения и взаимного расположения.

Измерение постоянного напряжения

Теперь мы можем перейти к практическим примерам влияния измерений на объект измерения. Поскольку измеряется постоянное напряжение, нам можно исключить из рассмотрения индуктивные и емкостные элементы эквивалентных схем. Во всяком случае, в начале рассмотрения.

Таким образом, подключение вольтметра (любого) к цепи можно считать эквивалентом подключения резистора с сопротивлением равным входному сопротивлению вольтметра. Как мы можем увидеть из эквивалентных схем, это сопротивление равно сумме сопротивлений балластного резистора и измерительной головки (гальванометра) или сопротивления нижнего плеча делителя.

В большинстве случаев для стрелочных вольтметров (включая аналоговые электронные) входное сопротивление указывалось в виде кОм/В. Рассмотрим на примере весьма популярного, даже легендарного авометра Ц20. При измерении постоянного напряжения его входное сопротивление 10 кОм/В. Для предела измерения 30 В это составляет 300 кОм. А для предела 6 В всего лишь 60 кОм.

Поскольку это старый измерительный прибор, давайте посмотрим на измерения напряжения в не менее старом приемнике прямого усиления. Вот фрагмент схемы и место измерения

Измерение напряжения на базе транзистора вольтметрами с разным входным сопротивлением. Схема приемника была опубликована в журнале Моделист-Конструктор
Измерение напряжения на базе транзистора вольтметрами с разным входным сопротивлением. Схема приемника была опубликована в журнале Моделист-Конструктор

Напряжение питания этого приемника 6 В. Давайте сначала прикинем, какое напряжение будет на базе VT1. Сопротивление R3 мало ( 0.2 Ом), но допускалось увеличение до 10-30 Ом, что позволяло избавиться от катушки связи. Но в любом случае суммарный ток через VT1 и VT3 мал, и падение напряжения на R3 будет очень малым. Поэтому потенциал эмиттера можно считать равным потенциалу земли.

Поэтому напряжение на базе будет определяться падением напряжения на переходе БЭ VT1, то есть, примерно 0.6 В. Ток базы VT1 определяется сопротивлением резистора R1, напряжением на коллекторе VT3, напряжением на базе VT1. Последнее мы только что примерно оценили, а вот напряжение на коллекторе VT3 неизвестно и нигде не указано. Более того, заявляется о сохранении работоспособности при снижении питающего напряжения до 1.5 В.

Тем не менее, для напряжения питания 6 В не будет большой ошибкой принять напряжение на коллекторе VT3 равным примерно 4 В. Что даем нам тока базы примерно 17 мкА.

При подключении к базе VT1 вольтметра с входным сопротивлением 60 кОм приведет к тому, что через него будет протекать ток 10 мкА (при напряжении на базе 0.6 В). Что снизит ток базы до 7 мкА. Но транзистор при этом все таки будет находиться в активном режиме. То есть, влияние есть, но оно не приводит к неработоспособности.

А если напряжение питания снизится до 3 В? Подключение вольтметра приведет неработоспособности входного каскада. Так как образовавшийся делитель напряжения приведет к снижению напряжения на базе до 0.46 В и транзистор будет закрыт. А при не подключенном вольтметре работоспособность сохранится.

Для предела измерения 30 В (входное сопротивление 300 кОм), конечно, влияние на работу входного каскада будет значительно меньше.

Приведенный пример конечно показателен, но это далеко не самый тяжелый случай. Здесь напряжение на базе ограничивалось открытым переходом БЭ, что и сделало влияние низкого входного сопротивления вольтметра несколько ограниченным.

Но для высокоомных цепей влияние может быть более сильным. Обратите внимание, я говорю не о результатах измерения, а о влиянии измерительного прибора на цепь (устройство), в которой производится измерение. Разумеется, и результат измерения при этом будет неверен. Но это гораздо более известный факт.

Можно примерно считать, что если входное сопротивление вольтметра на выбранном пределе измерения на порядок и более превышает сопротивление участка цепи, параллельно которому он подключается, влиянием можно пренебречь, а результат измерения считать относительно точным.

Иначе придется учесть влияние сопротивлений цепи и вольтметра на результат измерения. Если конечно цепь останется работоспособной.

Для современных цифровых вольтметров входное сопротивление, в типовом случае, примерно равняется 10 МОм. На всех диапазонах измерений. Но если для низковольтных пределов это действительно впечатляющий результат, то для предела 1000 В мы получим те же самые 10 кОм/В, как и для старичка Ц20.

Обратите внимание, что 10 МОм это достаточно типичное, но отнюдь не стандартное значение входного сопротивления. Например, для S-Line DT-830 входное сопротивление всего 1 МОм. А для UT-61E на пределах 220 мВ и 2.2 В входное сопротивление порядка 3 МОм.

Измерение постоянного тока

Все очень похоже на измерение постоянного напряжения с той лишь разницей, что амперметр включается в разрыв цепи. А значит, что бы измерительный прибор не оказывал заметного влияния, сопротивление его шунта должно на порядок и более быть меньше сопротивления участка цепи, в котором производится измерение.

А сопротивление шунта может быть значительным. Например, у мультиметров MY-99 и UT-61E на пределе измерения мкА сопротивление шунта равно 1 кОм. А это не так и мало. При этом у весьма популярного, в недалеком прошлом, у любителей HP890CN сопротивление шунта на этом же пределе равно 90 Ом.

Слишком высокое сопротивление шунта (внутреннее сопротивление амперметра) приводит к тому, что падение напряжения на амперметре становится сравнимым, или даже превышает, падение напряжения на других участках цепи. Это может быть проблемой для низковольтных низкоомных цепей. И может исказить режим работы такой цепи. Даже если это не приведет к неработоспособности цепи, результат измерения будет неверным.

Переходные процессы в цепях постоянного тока

Ранее мы считали, что индуктивные и емкостные элементы эквивалентных схем не оказывают влияния при измерениях на постоянном токе. Однако, это не всегда так. Суммарная емкость щупов, соединительных проводников, прибора, никуда не девается.

А это может привести к возникновению переходных процессов при подключении измерительного прибора к измеряемой цепи. Причем иногда речь идет даже не только о небольшом броске тока при заряде емкости измерительного прибора, но и о кратковременном колебательном процессе. Ведь и индуктивные элементы никуда не деваются.

Это никак не отражается на результате измерения, но на исследуемую цепь может оказать весьма заметное влияние. Например, может измениться состояние последовательностной схемы. И такое действительно случалось в схемах на КМОП логике.

Кроме того, подключенный измерительный прибор может просто исказить фронт/спад.форму импульса в исследуемой цепи.

Измерения на переменном токе и в импульсных цепях

Взгляните еще раз на эквивалентные схемы вольтметра, амперметра, щупов. Совершенно очевидно, что они являются частотно-зависимыми. Более того, они могут вносить искажения и в фазовые соотношения. Поэтому совершенно естественно, что оговаривается частотный диапазон, в котором обеспечивается заданная точность измерений.

Несколько менее очевидно, что возможно не только получение неверного результата, но и неработоспособность исследуемой цепи при проведении измерения.

Вспомните подробно рассмотренный пример с измерением постоянного напряжения на базе транзистора входного каскада приемника. Если входное сопротивление вольтметра достаточно высоко, входной каскад останется работоспособным. Точнее, его режим работы по постоянному току практически не изменится.

Но этого нельзя сказать о сохранении способности усиливать сигнал с катушки связи магнитной антенны. Дело в том, что вход при этом окажется зашунтированным по высокой частоте суммарной входной емкостью вольтметра, щупов, соединительных проводников. Даже при условии высокого входного сопротивления. Причем степень шунтирования будет разной для разных частот. Так как влияние оказывает не только емкостная, но и индуктивная составляющие.

Влияние на фазу может привести к тому, что при подключении измерительно прибора усилительный каскад самовозбудится. Или наоборот, самовозбуждение пропадет.

О влиянии на искажение формы импульсов уже упоминалось. Это может сильно повлиять на работу импульсных и цифровых схем. Особенно, быстродействующих и высокочастотных. И, как следствие, привести к ошибочным результатам измерений. Даже для приборов TrueRMS. Но о этом в следующий раз.

Заключение

Сегодняшняя статья в гораздо меньшей степени относится к метрологии, чем предыдущая. Она получилась более длинной, чем планировалось. И при этом все равно очень упрощенной и где то даже скомканной. Хоть речь и идет лишь об измерении тока и напряжения.

Может возникнуть вопрос, зачем столько внимания было уделено устройству измерительных приборов, причем даже стрелочных. Разве недостаточно было просто сказать о всем известном влиянии сопротивления измерительных приборов на результат измерения?

Нет, совершенно недостаточно. Я считаю самым важным именно понимание происходящих процессов и взаимосвязей. Недостаточно сказать "это вот так". Нужно еще объяснить "почему так". Кроме того, рассмотрение даже таких упрощенных эквивалентных схем позволяет понять и влияние по переменному току, и частотные зависимости, и влияние на импульсные схемы. А это отнюдь не сводится к банальному входному сопротивлению.

Этот не последняя статья посвященная вопросам измерений. Вопросы, комментарии, критику, предложения, как всегда можете писать в комментариях. Подписчики хорошо знают, что я стараюсь всегда отвечать подробно. Даже на вопросы не по темам статей.

До новых встреч!

Наука
7 млн интересуются