Добавить в корзинуПозвонить
Найти в Дзене
Электроника, ESP32, Arduino

Как работает симметричный мультивибратор на транзисторах

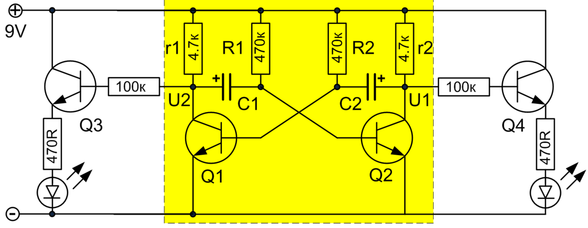
Такая схема не должна работать в принципе - это напрямую следует из её названия "симметричный мультивибратор", но об этом чуть позже. Для изучения работы мультивибратора можно собрать следующую схему: Сам мультивибратор (источник колебаний) выделен жёлтой рамкой. Транзисторы Q3 и Q4 выполняют роль ключей, и подключены через большое сопротивление 100кОм. Если транзистор Q2 открыт, точка с напряжением U1 подтягивается к минусу, база транзистора Q4 также подтягивается к минусу - светодиод не светится. Если транзистор Q2 закрыт, на базе транзистора Q4 положительный потенциал, светодиод светится. С1, С2 3.3 мкф, транзисторы 2N2222 структуры NPN. Напряжение источника питания 9V. Ток потребления 8mA. Схема неприхотлива: работает с любыми типами транзисторов, и в очень широких пределах измерения емкости конденсаторов С1 и С2 и сопротивлений резисторов. Требования для их расчета следующие: R1 и R2 величина каждого из них, должна быть больше соответствующего коллекторного резистора r1 и r2, и ме

Такая схема не должна работать в принципе - это напрямую следует из её названия "симметричный мультивибратор", но об этом чуть позже. Для изучения работы мультивибратора можно собрать следующую схему:

Схема мультивибратора для изучения принципов его работы.
Схема мультивибратора для изучения принципов его работы.

Сам мультивибратор (источник колебаний) выделен жёлтой рамкой. Транзисторы Q3 и Q4 выполняют роль ключей, и подключены через большое сопротивление 100кОм. Если транзистор Q2 открыт, точка с напряжением U1 подтягивается к минусу, база транзистора Q4 также подтягивается к минусу - светодиод не светится. Если транзистор Q2 закрыт, на базе транзистора Q4 положительный потенциал, светодиод светится.

1 секунда светится красный светодиод, 1 секунда зеленый
1 секунда светится красный светодиод, 1 секунда зеленый

С1, С2 3.3 мкф, транзисторы 2N2222 структуры NPN. Напряжение источника питания 9V. Ток потребления 8mA.

Схема неприхотлива: работает с любыми типами транзисторов, и в очень широких пределах измерения емкости конденсаторов С1 и С2 и сопротивлений резисторов. Требования для их расчета следующие: R1 и R2 величина каждого из них, должна быть больше соответствующего коллекторного резистора r1 и r2, и меньше чем величина последнего, умноженная на коэффициент усиления транзистора h21э.

Длительность каждой половины периода Т1/2 = 0,7RC, где R - величина базового резистора, С - емкость на том же плече. Для нашего примера:

T1/2 = 0,7*470000 Oм*0,0000033 Ф = 1,1 сек.

Схема имеет замечательное свойство - она имеет два симметричных (инвертированных относительно друг друга выхода, длительность импульса по каждому из которых можно менять в широких пределах, притом совершенно независимо друг от друга. (заменим резистор R1 на номинал 910 кОм вместо 470 кОм)

Теперь красный светодиод горит 1 секунду, а зеленый 2 секунды
Теперь красный светодиод горит 1 секунду, а зеленый 2 секунды

Принцип действия мультивибратора будет понять гораздо проще, если собрать на макетной плате одну его половинку. Работу второго транзистора будем имитировать с помощью кнопки.

Имитация работы транзистора с помощью кнопки - кнопка отпущена
Имитация работы транзистора с помощью кнопки - кнопка отпущена

При подаче питания на базе транзистора Q2 относительно эмиттера положительный потенциал, транзистор открыт, светодиод светится. При этом происходит зарядка конденсатора С1 практически до значения напряжения источника питания.

Светодиод светится, конденсатор зарядился до значения 8.11V
Светодиод светится, конденсатор зарядился до значения 8.11V

Если теперь нажать кнопку, светодиод моментально гаснет.

Имитация работы транзистора с помощью кнопки - кнопка нажата
Имитация работы транзистора с помощью кнопки - кнопка нажата

За счет заряда накопленного на конденсаторе, на базу транзистора Q2 относительно эмиттера попадает отрицательный потенциал, транзистор закрывается и начинает происходить перезарядка (точнее разрядка) конденсатора С1 от источника питания через резистор R1.

При нажатии на кнопку относительно эмиттера транзистора на базе получается отрицательный потенциал
При нажатии на кнопку относительно эмиттера транзистора на базе получается отрицательный потенциал

Время, которое светодиод не будет светиться и определяется номиналом этих двух деталей Т1/2 = 0,7*R1*C1.

Если кнопку подержать подольше, то светодиод снова загорится, но напряжение "переполюсовки" на конденсаторе не превысит 0.64V - так как транзистор снова откроется.

Держим кнопку долго, конденсатор разрядился и начал заряжаться в обратном направлении.
Держим кнопку долго, конденсатор разрядился и начал заряжаться в обратном направлении.

Осталось автоматизировать данный процесс, добавив вместо кнопки другой транзистор.

Начальное состояние схемы мультивибратора после подачи питания
Начальное состояние схемы мультивибратора после подачи питания

После подачи питания начинается зарядка конденсаторов и если бы данная схема состояла из абсолютно одинаковых по характеристикам компонентов, то она бы вообще никогда бы не запустилась. В реальном мире 2-х абсолютно одинаковых радиодеталей не существует, и какой-то из транзисторов обязательно откроется раньше чем другой. Ну, а дальше все как в примере с кнопкой...

Допустим, что первым открылся транзистор Q1.

Первым открылся транзистор Q1
Первым открылся транзистор Q1

Конденсатор С1 теперь сидит на земле и вызывает отрицательное смещение на базе транзистора Q2. Теперь у транзистора Q2 вообще нет ни каких шансов открыться. Рано или поздно конденсатор С1 полностью разрядится и начнет пытаться заряжаться в другую сторону.

Конденсатор С1 полностью разряжен.
Конденсатор С1 полностью разряжен.

Появление противоположного положительного потенциала на С1, приведет к тому что на базе Q2 будет положительный потенциал относительно эмиттера. Это приведет к тому, что транзистор Q2 откроется, заземлив тем самым положительно заряженную обкладку конденсатора С2. Ну, а разряд конденсатора С2 закроет транзистор Q1.

Транзистор Q1 заперт потенциалом конденсатора С2
Транзистор Q1 заперт потенциалом конденсатора С2

Транзистор Q1 будет закрыт до тех пор пока конденсатор С2 полностью не перезарядится, ну а дальше процесс повторится.

В связи с распространением микросхем данная схема в настоящий момент почти позабыта, но в целом она довольно познавательна, и может служить иллюстрацией к тому, что мы обрели и потеряли с появлением интегральной электроники.

Полный список всех статей канала доступен по этой ссылке.

Всем удачи!