Найти в Дзене
Лира сервис

Расчёт консоли керамзитобетонного пояса

Керамзитобетонный пояс, расположенный по верху кирпичных стен (под опорой плит перекрытия), обеспечивает пространственную работу здания и воспринимает воздействие собственного веса облицовочного слоя кладки стен вышележащего этажа здания. В рамках данной статьи выполним расчёт консоли монолитного пояса, воспринимающей вес облицовочного слоя.
Сбор нагрузок на керамзитобетонный пояс
Конструктивная
Оглавление

Керамзитобетонный пояс, расположенный по верху кирпичных стен (под опорой плит перекрытия), обеспечивает пространственную работу здания и воспринимает воздействие собственного веса облицовочного слоя кладки стен вышележащего этажа здания. В рамках данной статьи выполним расчёт консоли монолитного пояса, воспринимающей вес облицовочного слоя.

Сбор нагрузок на керамзитобетонный пояс

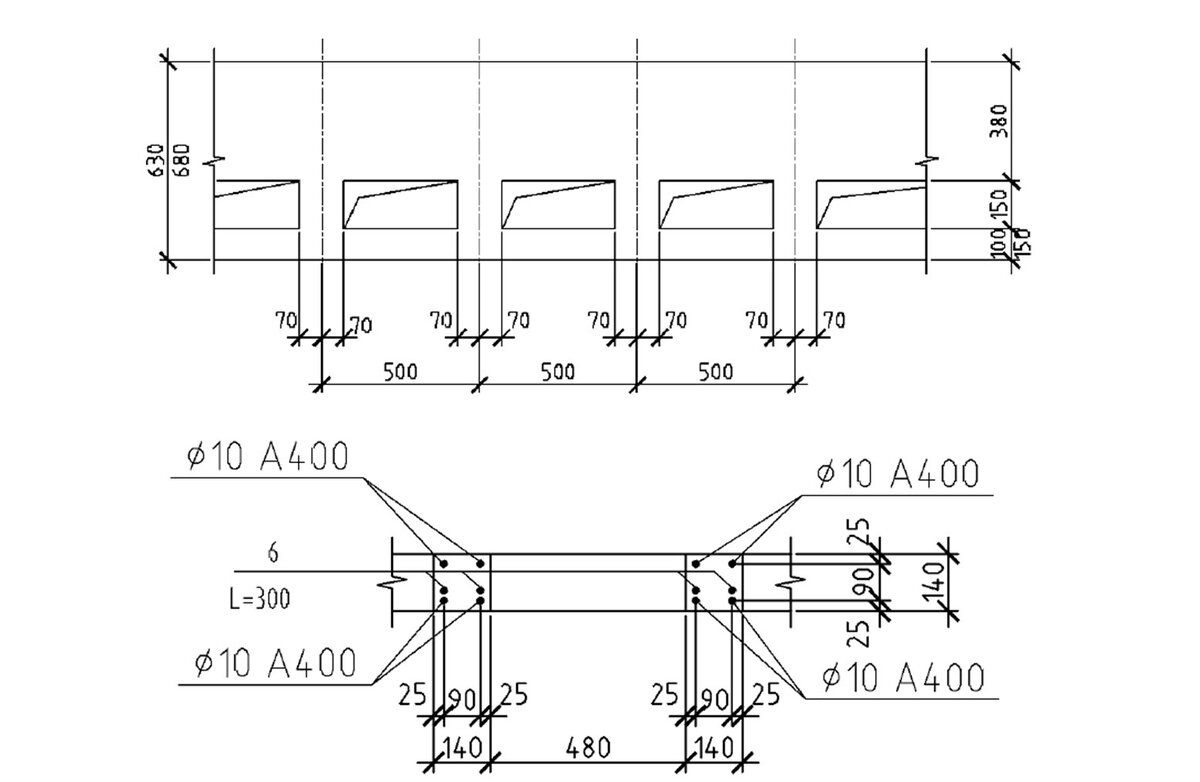
Конструктивная и расчётная схемы керамзитобетонного пояса представлены на рисунке.

Ширина приложения нагрузки на керамзитобетонный пояс, а также ширина поперечного сечения консоли определяются в соответствии с шагом отверстий (термовставок вдоль стен здания), см. рисунок.

Схема к определению ширины грузовой площади и ширины поперечного сечения консоли керамзитобетонного пояса. Схема к определению размеров поперечного сечения и армирования консоли керамзитобетонного пояса.
Схема к определению ширины грузовой площади и ширины поперечного сечения консоли керамзитобетонного пояса. Схема к определению размеров поперечного сечения и армирования консоли керамзитобетонного пояса.

Нагрузка на консоль определяется по формуле:

Q=l*b*h*Y*Yf

где:

l ,b ,h - размеры участка кладки облицовочного слоя, передающего нагрузку на консоль;

Y =1600 кг/м3 - удельный вес кладки облицовочного слоя;

Yf =1.1 - коэффициент надёжности по нагрузке для собственного веса кладки;

Q=0.5*0.12*4.061*1600*1.1= 428.842 кг = 4.2 кН;

Класс рабочей арматуры принят А400 по ГОСТ 5781-82*.

Допустимая ширина раскрытия трещин принимается по п.8.2.6 СП 63.13330.2018 а) 0.3 мм – при продолжительном раскрытии трещин, 0.4 – при непродолжительном раскрытии трещин. Расчёт выполним в ПК ЛИРА САПР.

Исходные данные

Жесткость 1 «Брус 14 X 14»
Жесткость 1 «Брус 14 X 14»

Модуль деформации примем равным Е=16.5 МПа, что соответствует начальному модулю упругости керамзитобетона, плотностью 1600 кг/м3

Нагрузки. Загружение 1
Нагрузки. Загружение 1

Результаты статического расчёта

Перемещения Z. Загружение 1
Перемещения Z. Загружение 1
Эпюра My
Эпюра My
Эпюра Qz
Эпюра Qz

Расчёт армирования

Исходные данные для подбора арматуры:

Длина 0.25 ( м ). Ly = 0 , Lz = 0 ( м ). Сечение - Прямоугольник B(D)= 14.0, H(D1)= 14.0, B1= 0.0, H1= 0.0, B2=0.0, H2= 0.0 ( см ).

Расстояние к центру тяжести арматуры: снизу = 2.5 сверху = 2.5 сбоку = 2.5. (см);

Вид элемента: стержень

Индексы материалов: общие 1, бетон 1, арматура 1

Конструктивные требования НЕ учитывались.

Класс бетона - B25.

Класс продольной арматуры X - A400

Класс поперечной арматуры - A240

Максимальный диаметр 32.00 мм

Процент армирования. Вариант 1
Процент армирования. Вариант 1
Угловая арматура AU3. Вариант 1
Угловая арматура AU3. Вариант 1

По результатам расчёта видно, что для восприятия нагрузки от собственного веса облицовочного слоя, достаточно установить в сечении арматурные стержни диаметром 6 мм, на основании чего делаем вывод, что типовая конструкция монолитного пояса, армированная стержнями диаметром 10 мм может быть принята без изменений.