Ещё 10 октября было сделано предположение о том, что план нанесения ударов учитывает наличие на Украине потенциально опасных АЭС, поэтому предполагает их отключение посредством нанесения ударов по некоторому алгоритму, позволяющему добиваться выключения генерации атомных станций без воздействия непосредственно на них (или с минимальным воздействием). В этой версии была допущена только одна достаточно серьёзная ошибка – предполагалось, что целью ударов по энергообъектам будут их пункты управления, что позволяет добиваться нанесения им максимального ущерба. Однако наше министерство обороны подошло к этому моменту значительно гуманнее – целью ударов стали, в основном, силовые трансформаторы и автотрансформаторы (далее просто трансформаторы). Что по факту достаточно сильно влияет на результат, но позволяет, в общем, контролировать процессы в энергосистеме и не приводит к совсем уж не гуманным последствиям для местного населения (что весьма важно с точки зрения пропаганды).
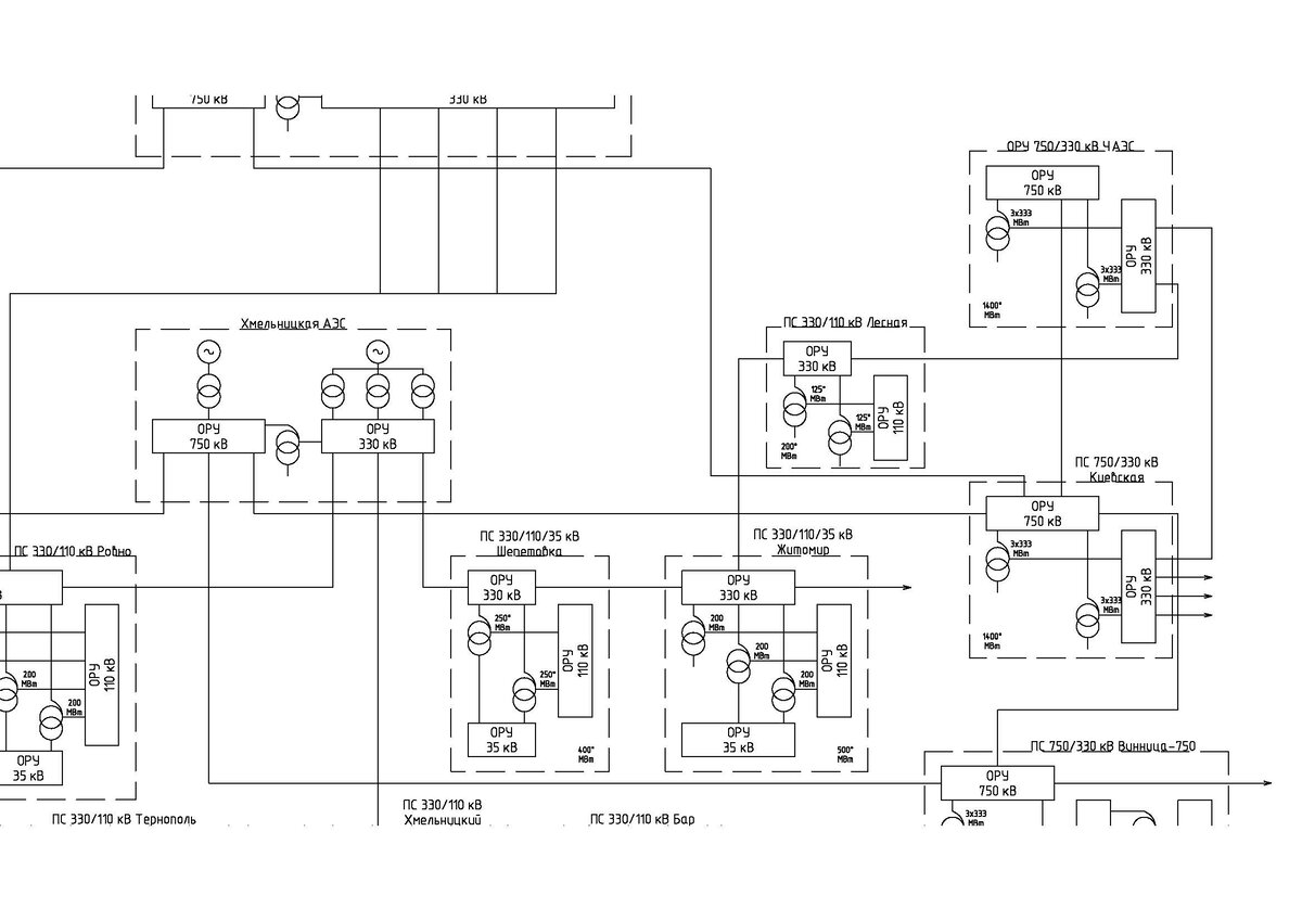
На данный момент можно с большой долей вероятности заявить, что целью ударов по энергосистеме является не полное (или даже частичное) её отключение, а максимальное выхолащивание. Поясняю, что имеется в виду. Например, схема района Хмельницкая АЭС – Чернобыльская АЭС до начала ударов выглядела вот так:
А вот так она, возможно, будет выглядеть после ударов:
То есть любую нагрузку в принципе можно подключить к энергоснабжению, но так как схемы электрических подстанций предположительно планируются исключительно однотрансформаторными, то включить всю нагрузку не представляется возможным. Дело в том, что для типичной электрической подстанции, включающей два и более трансформаторов, не характерно полное резервирование нагрузки (то есть когда один трансформатор держит полную максимальную нагрузку подстанции). Это связано с тем, что потребители электроэнергии с точки зрения надёжности электроснабжения делятся на три категории:
1) первая категория электроснабжения - наиболее важные потребители, перерыв в электроснабжении которых может привести к несчастным случаям, крупным авариям, нанесению большого материального ущерба по причине выхода из строя целых комплексов оборудования, взаимосвязанных систем. Потребители данной категории должны питаться от двух независимых источников питания — двух линий электропередач, питающихся от отдельных силовых трансформаторов. Перерыв в электроснабжении потребителей первой категории разрешается только лишь на время автоматического включения резервного источника питания – по факту, в нормально зарезервированной энергосистеме, это несколько секунд. Особая группа категории электроснабжения — выделяется из состава электроприемников первой категории, бесперебойная работа которых необходима для безаварийного останова производства с целью предотвращения угрозы жизни людей, взрывов и пожаров. Для электроснабжения особой группы электроприемников первой категории должно предусматриваться дополнительное питание от третьего независимого взаимно резервирующего источника питания;
2) вторая категория электроснабжения - потребители, при отключении питания которых, останавливается работа важных городских систем, на производстве возникает массовый брак продукции, есть риск выхода из строя крупных взаимосвязанных систем, циклов производства. Вторая категория электроснабжения предусматривает питание потребителей от двух независимых источников. При этом допускается перерыв в электроснабжении на время, в течение которого обслуживающий электротехнический персонал прибудет на объект и выполнит необходимые оперативные переключения, то есть несколько часов;
3) третья категория электроснабжения - все оставшиеся потребители, которые не вошли в первые две категории. Обычно это небольшие населенные пункты, городские учреждения, системы, перерыв в электроснабжении которых не влечет за собой последствий. Также к данной категории относят многоквартирные жилые дома, частный сектор, дачные и гаражные кооперативы. Потребители третьей категории получают питание от одного источника. Перерыв в электроснабжении потребителей данной категории, как правило, не более суток — на время выполнения аварийно-восстановительных работ.
Для понимания, медучреждения относятся к первой (реанимации, операционные и т.д.) или второй (обычные больницы и поликлиники) категории.
Именно мощность третьей категории, как правило, не резервируется при выборе мощностей трансформаторного оборудования. Поясню примером. Есть некий город К, в котором мощность потребителей первой категории 200 МВт, второй – 300 МВт, а третьей – 500 МВт. Трансформаторы будут рассчитываться исходя из того, чтобы два держали полную нагрузку, а один – только первую и вторую категории. Соответственно, с учётом дискретности трансформаторной мощности – на подстанции необходимо устанавливать два силовых трансформатора 630 МВт. При вылете одного из двух трансформаторов, нагрузка на втором взлетит до гигаватта, то есть он будет перегружен почти на 60%, в таком режиме у подстанции два пути: либо героически держать нагрузку до последнего (как было в Москве в 2005 году), пока не сгорит и этот трансформатор, либо сбросить нагрузку (автоматически или вручную). А дальше – придётся ждать замены сгоревшего трансформатора, на это время потребители третьей категории будут либо частично отключены вовсе, либо подключаться по очереди, это так называемые веерные отключения. До момента устранения проблемы нагрузка города К будет практически точно соответствовать мощности уцелевшего трансформатора, т.е. 630 МВт.
Вернёмся к атомной генерации. Исходя из изложенной выше теории выхолащивания украинской энергосистемы, можно предположить, что для западноукраинских АЭС (Ровенской и Хмельницкой) отключение их посредством сброса нагрузки (с заданными ограничениями) невозможно: гигаваттная нагрузка рассосётся по ПС 330 кВ (для Ровенской АЭС это ПС Ковель, Нововолынск, Луцк-Северная, Грабов, плюс у неё имеется ОРУ 110 кВ (6 цепей 110 кВ)); для Хмельницкой – ПС Ровно, Радивилов, Шепетовка, Житомир, Лесная, Хмельницкий, Бар, Тернополь), а для оставшейся мощности имеется сливной бачок в Европу в виде ВЛ 750 кВ Западноукраинская – Саболчбака (товарищ Орбан, подозреваю, двумя руками за такой вариант). Плюс, естественно, электроснабжение Киева никто не отменял – его будут поддерживать до упора в максимально возможном виде.
У Южноукраинской АЭС перспективы помрачнее. Выдать мощность в Европу по сети 750 кВ практически невозможно, длина-то ещё более-менее (до Саболчбаки менее 900 км), но ПС Западноукраинская подпирают западноукраинские АЭС. Выдать мощность на восток Украины вряд ли получится по причине горячей любви нашего МО к ПС 750 кВ Днепровская. Остаётся разбрасываться по ПС 330 кВ (Побужье, Украинка, Кварцит, Рудная, Первомайская-330, Трихаты, Николаевская, Аджалик-330, Усатово), на три гигаватта их очевидно не хватит. Остаётся вариант выдачи мощности в Молдову, чему там тоже не огорчатся.
Итак, какой вывод можно сделать? При продолжении политики выхолащивания украинской энергосистемы выключить атомную генерацию не получится, кроме, возможно, третьего блока Южноукраинской АЭС (он подключён к ОРУ 750 кВ). Оставляемая в сети нагрузка оказывается слишком велика. С другой стороны, украинцы в своё время хотели жить как французы, и теперь такая возможность появилась, в том смысле, что они хотя бы могут пожить в стране, где большая часть генерации как раз атомная. Но в виду отсутствия достаточного количества гидроаккумулирующих электростанций, которые позволяют запасать избыточную энергию АЭС, регулирование нагрузки в энергосистеме будет осуществляться холодильниками и телевизорами рядовых французов украинцев...
