Добавить в корзинуПозвонить
Найти в Дзене
KompTech

Расширяемая память видеокарты. Забытые технологии [1]

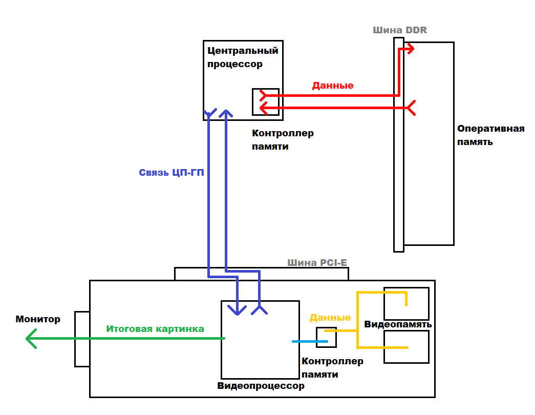
Видеопамять - одна из самых важных характеристик видеокарты. Её тип и объем может очень сильно повлиять на то, как видеокарта поведет себя в программах и играх. К сожалению, видеопамять пользователь никак не может расширить самостоятельно. Но когда-то расширение видеопамяти было возможным! Начнем с основ... Почему у видеокарты есть своя память? Центральный процессор очень хорош в "логических" задачах, однако, создание и обрабатывание картинки поручено на видеопроцессор, чтобы освободить центральный от тяжелой ноши по обрабатыванию чего угодно - видео с котиками, игр с танчиками, видеоигр с котиками в танчиках и так далее. Видеопроцессор тоже требует памяти для вычислений. При нехватке видеопамяти, ГП может "попросить" у ЦП воспользоваться памятью, установленной в слот DDR, но для этого данным нужно пройти через обе шины (DDR и PCI-E) два раза (туда и обратно), что сильно замедляет скорость передачи данных между ГП и памятью. Да и по скорости тот же формат видеопамяти GDDR6 явно проигры
Оглавление

Видеопамять - одна из самых важных характеристик видеокарты. Её тип и объем может очень сильно повлиять на то, как видеокарта поведет себя в программах и играх. К сожалению, видеопамять пользователь никак не может расширить самостоятельно. Но когда-то расширение видеопамяти было возможным!

Начнем с основ...

Почему у видеокарты есть своя память?

Упрощенная схема "отношений" ГП и ЦП. Уточню, что на старых компьютерах контроллер памяти процессора был распаян на самой материнской плате - например, процессоры 775 сокета могут работать с DDR, DDR2 и DDR3!
Упрощенная схема "отношений" ГП и ЦП. Уточню, что на старых компьютерах контроллер памяти процессора был распаян на самой материнской плате - например, процессоры 775 сокета могут работать с DDR, DDR2 и DDR3!

Центральный процессор очень хорош в "логических" задачах, однако, создание и обрабатывание картинки поручено на видеопроцессор, чтобы освободить центральный от тяжелой ноши по обрабатыванию чего угодно - видео с котиками, игр с танчиками, видеоигр с котиками в танчиках и так далее.

Видеопроцессор тоже требует памяти для вычислений. При нехватке видеопамяти, ГП может "попросить" у ЦП воспользоваться памятью, установленной в слот DDR, но для этого данным нужно пройти через обе шины (DDR и PCI-E) два раза (туда и обратно), что сильно замедляет скорость передачи данных между ГП и памятью. Да и по скорости тот же формат видеопамяти GDDR6 явно проигрывает DDR5.

Именно поэтому видеокарта, по сути, является отдельным компьютером, работающим в тандеме с основным. Все необходимые вычисления проводятся на одной плате, и данные проходят через минимальное количество контроллеров, что очень сильно ускоряет работу и делает карточку более шустрой. ЦП и ГП все еще общаются но пока вместе не живут, потому что ЦП все еще отвечает за основную логику, и без данных от него, ГП не знает, что ей обрабатывать.

Значит, мы научились тому, что графическому процессору так же нужна память для вычислений, как и центральному, и что память, воткнутая в слот DDR, медленнее для использования ГП, чем видеопамять. Ура!

Если она так важна, то почему бы её не расширить?

Казалось бы, это реально хорошая идея! Предположим, что у вас не хватает денег на покупку видеокарты мечты. Не беда! Покупаем видеокарту с мощным ГП, но 1 гигабайтом видеопамяти, а через месяц докупаем еще 5 гигабайт и живем себе спокойно.

И, действительно, в период с 1990 до 2000 было довольно много попыток ввести на рынок подобную фичу.

-2

На фото - S3 Vision 968. Для сегодняшних стандартов, это довольно необычная видеокарта. Та странная плата справа? Это - модуль расширения видеопамяти, который дает видеокарте дополнительные 2 мегабайта памяти. Учитывая, что на борту у этой карты тоже 2 мегабайта - можно расширить видеопамять в два раза!

Модуль во всей своей красе
Модуль во всей своей красе

Вставляется этот модуль прямо в видеокарту. Добавляемые чипы памяти ни в чем не уступают распаянным на плате.

-4

Но, конечно, эта карта - не первая, на которой возможно нечто подобное. Много других, более ранних видеокарт, имели подобную функцию. Большинство из них, к слову, было сделано от S3 - настоящих пионеров в области расширяемой видеопамяти.

-5

"968я" карта, это скорее необычный эксперимент. Обычно вместо отдельной платы, на карте были распаяны сокеты. В них по желанию можно было установить модули видеопамяти.

Если эта идея такая хорошая, то почему она вымерла?

В 90е года рынок комплектующих для персональных компьютеров стремительно развивался, как и требования для этих самых комплектующих. Компаниям приходилось быстро адаптироваться под повышение требований. А ближе к 2000 году, уже изрядно "подуставшие" компании настигла новая страница истории компютеров - 3D технологии стали маст-хэвом. Это очень сильно коснулось производителей чипов для видеокарт. Как в хаотичной, молодой солнечной системе, из огромного количества небольших объектов осталось лишь несколько, вобрав в себя огромную массу остальных объектов и ставших полноценными планетами. S3 продалась VIA в 2000, 3dfx продалась "Нвидии" в 2002, ALi прожила чуть дольше, но её так же постигла участь поглощения в Nvidia в 2006.
В игре остались только те компании, которые не шибко горели идеей расширяемой видеопамяти, и не экспериментировали в подобном направлении -
NVidia и ATI (AMD). Тем более, в 2000х годах (к слову - не только в компьютерной сфере) разного рода товары начали делать не для юзеров, а для получения выгоды. Если конечный пользователь может просто добавить памяти своей видеокарте, а не станет покупать новую, для компании это будет в убыток.

В любом случае, расширяемая память не ушла полностью!

В отличии от софта, "железо" уже нельзя ограничить аппаратно. И добавить памяти видеокарте можно, если воспользоваться пайкой. Так сказать, если в стене нет двери, можно её проломить - проход есть, эффект тот же самый, просто изначально такого в планах задумано не было.

Основу любого железа (видеокарты, оперативной памяти, материнки) составляет печатная плата (текстолит). На неё уже добавляются разные компоненты, и на одной и той же схеме печатной платы могут базироваться разные видеокарты в серии. Проще всего такой "апгрейд" сделать на видеокартах с одинаковой схемой (например, GT 730, у которой есть DDR3 и GDDR5 версии; или же GTX 1060, у которой есть версии на 3 гига и 6 гигов памяти).

Во многих сервис-центрах могут провести апгрейд видеокарты, добавив ей видеопамяти. Пусть это и относится к теме статьи, но все же это считается "читерством". Ну или же лазейкой, которая появилась из-за самого устройства видеокарт.