Хитрые переходники, штуцера с дюймовой конусной резьбой, для датчика температуры. Дзен. ВК.
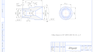
Чертеж штуцера переходного для резьбового соединения трубопроводов
Штуцер переходной применяется для резьбового соединения трубопроводов по внутреннему конусу. На штуцере с одной стороны нарезана наружная метрическая резьба М20х1,5 и выполнено конусное отверстие с углом 37 градусов, а с другой стороны нарезана наружная метрическая резьба М30х1,5 и выполнено конусное отверстие с углом 60 градусов...
Правильное определение скорости ракеты Сатурн-5 по конусу Маха.
На просторах интернета набрёл на статью посвященную кроме всего прочего и определению скорости ракеты Сатурн-5 на этапе завершения работы первой ступени. Когда конус Маха стал видимым. Статья по непонятной причине анонимная и выложена на каком-то экзотическом облачном сервисе.
Называется "Определение параметров 1-й ступени ракеты Сатурн-5". Приведу часть касающуюся конуса Маха здесь, подписи под картинками мои: Перед разделением 1-й и 2-й ступеней ракеты происходит визуализация скачка уплотнения, вызванная работой двигателей торможения 1-й ступени (фрагмент снимка [5])...