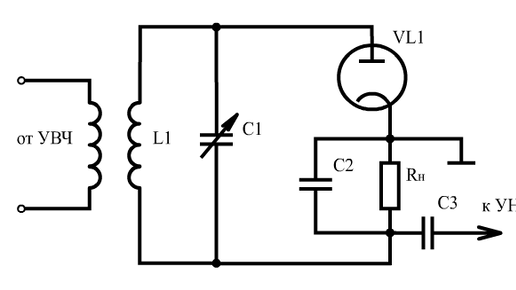
Детектирование. Диодный детектор
Детектирование. Диодный детектор
Применение диодов не ограничивается выпрямлением переменного тока для радиоаппаратуры. Диоды могут выпрямлять токи высокой частоты, т. е. применяться для так называемого детектирования. Детектирование - это процесс, в результате которого из модулированного высокочастотного сигнала выделяется низкочастотный сигнал, содержащий какую-либо информацию в виде сообщения. Детектирование – это радиотехнический процесс обратный модуляции и поэтому его часто называют демодуляцией. Сообщение – это форма представления информации для её передачи, хранения, обработки или непосредственного использования...
Компьютерное зрение для детектирования людей и идентификации персонала в торговом зале
Аналитический центр Tadviser в 2019 году проводил исследование российского рынка компьютерного зрения. В числе препятствий для развития этого рынка
участники называли высокую стоимость разработки и внедрения подобных
систем, долгий срок окупаемости, недостаточную точность и надежность
системы. Попробуем разобраться в этих и других опасениях на примере решения для ритейла, которое в период эпидемии и спада деловой активности становится актуальным – детектирование людей и идентификация персонала в торговом зале...