Новый Ман от XBS F2000 ! Пакатаемся ?! Конвой
Двутопливные двухтактные двигатели МАН. Концепция и задел на будущее. Экономично, экологично.
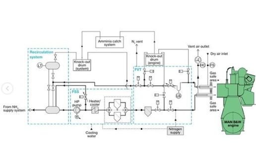
Концепт 2-тахтного двигателя, работающего на аммиаке — дополнительная функция для двигателей МАН серии МЕ. Эти двигатели похожи на своих предшественников, работающих на сжиженном природном газе. Вызов, брошенный разработчикам — большое количество соединений NOx, образующихся при сгорании аммиака, меньшая способность с воспламенению и меньшая теплотворная способность перспективного топлива. Габаритные размеры и частота работы существующих двигателей МАН позволяет организовать процесс горения, обеспечивающий полное сгорание аммиака...