Имитатор звуков Простая схема Радиоинженер делится своими секретами в Электронике
Описание принципиальной схемы электронного имитатора звуков
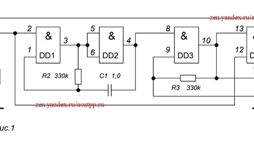
Существует множество электронных схем, позволяющих получить имитацию различных звуков, например - «голоса» различных птиц и животных, стук подскакивающего металлического шарика, сирены, гудок автомобиля или парохода и другие. Данное устройство можно отнести к категории электронных игрушек, оно может быть интересно как для начинающих радиолюбителей, так и для «озвучивания» моделей, в качестве оригинального звонка или сигнализатора и так далее. Предлагаемая простая схема позволяет получить имитацию...