Почему Не включаются вентиляторы охлаждения радиатора НИВА ВАЗ. Все причины. Поиск и устранение 1-я
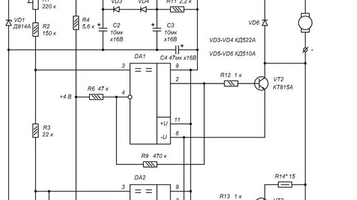
Регулятор вентилятора с датчиком температуры на компараторе К554СА3
В настоящее время в радиоэлектронной аппаратуре (РЭА) очень часто используется принудительное охлаждение силовых полупроводниковых приборов, таких как выходные транзисторы различных усилителей, выпрямительные диоды, мостовые транзисторные и тиристорные ключи импульсных блоков питания и преобразователей, и многое другое. Принудительное охлаждение с помощью вентиляторов позволяет существенно сократить площадь, а, следовательно, и массу радиаторов, что улучшает массогабаритный и экономический показатели аппаратов...