Добавить в корзинуПозвонить
Найти в Дзене
Ниппон Сервис

Про конструкцию системы впуска двигателя [SKYACTIV-D 2.2] Mazda6 (GJ/GL)

Описание
• Система впуска обеспечивает подачу очищенного воздуха в цилиндры для формирования топливовоздушной смеси.
• Установлен вакуумный насос, обеспечивающий стабильное разрежение, использующееся в вакуумном усилителе тормозов и в управлении приводами системы управления двигателем.
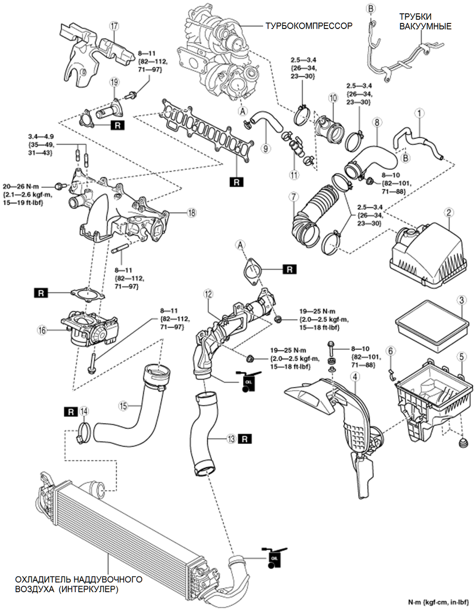
• Благодаря двухступенчатой ​​системе наддува воздуха достигается эффективный и высокий уровень наддува воздуха во всех диапазонах движения. В результате достигаются низкие выбросы, низкий расход топлива, высокий крутящий момент и высокая отзывчивость. Конструкция Топливная форсунка 2-контактная 1. Вакуумный шланг
2. Крышка воздушного фильтра
3. Элемент воздушного фильтра
4. Воздухозаборник
5. Корпус воздушного фильтра
6. Клипса
7. Воздушный патрубок
8. Впускной патрубок
9. Сапун системы вентиляции картерных газов
10. Впускной патрубок турбокомпрессора
11. Подогреватель системы вентиляции картерных газов
12. Компонент выпускного патрубка турбокомпрессора
13. Впускной патрубок интеркулера
14. Хомуты патру

Описание
• Система впуска обеспечивает подачу очищенного воздуха в цилиндры для формирования топливовоздушной смеси.
• Установлен вакуумный насос, обеспечивающий стабильное разрежение, использующееся в вакуумном усилителе тормозов и в управлении приводами системы управления двигателем.
• Благодаря двухступенчатой ​​системе наддува воздуха достигается эффективный и высокий уровень наддува воздуха во всех диапазонах движения. В результате достигаются низкие выбросы, низкий расход топлива, высокий крутящий момент и высокая отзывчивость.

Конструкция

Топливная форсунка 2-контактная

1. Вакуумный шланг
2. Крышка воздушного фильтра
3. Элемент воздушного фильтра
4. Воздухозаборник
5. Корпус воздушного фильтра
6. Клипса
7. Воздушный патрубок
8. Впускной патрубок
9. Сапун системы вентиляции картерных газов
10. Впускной патрубок турбокомпрессора
11. Подогреватель системы вентиляции картерных газов
12. Компонент выпускного патрубка турбокомпрессора
13. Впускной патрубок интеркулера
14. Хомуты патрубка
15. Выпускной патрубок интеркулера
16. Впускной запорный клапан (узел дроссельной заслонки)
17. Кожух впускного коллектора
18. Впускной коллектор
19. Фланец системы рециркуляции отработавших газов (EGR) (со стороны впускного коллектора)

Топливная форсунка 6-контактная

-2

1. Крышка воздушного фильтра
2. Элемент воздушного фильтра
3. Воздухозаборник
4. Корпус воздушного фильтра
5. Клипса
6. Воздушный патрубок
7. Впускной патрубок
8. Сапун
9. Впускной патрубок турбокомпрессора
10. Подогреватель системы вентиляции картерных газов
11. Компонент выпускного патрубка турбокомпрессора
12. Впускной патрубок интеркулера
13. Хомуты патрубка
14. Выпускной патрубок интеркулера
15. Впускной запорный клапан (узел дроссельной заслонки)
16. Кожух впускного коллектора
17. Впускной коллектор
18. Фланец EGR (со стороны впускного коллектора)

Схема системы впуска

Топливная форсунка 2-контактная

-3

Топливная форсунка 6-контактная

-4

Помощь в диагностике, работам по ремонту компонентов системы впуска двигателя [SKYACTIV-D 2.2] автомобиля Mazda6 (GJ/GL) вы можете получить, записавшись по телефону: +7(495) 001-05-21, обсудить проблемы с вашим а/м можно в нашем чате: Ниппон Сервис Chat.

Оригинал статьи на сайте: http://xn--b1aficvbghanje.xn--p1ai/tekhnika-i-tekhnologii/2590-mazda6-gj-gl-sistema-vpuska-dvigatelya-skyactiv-d-2-2