Найти в Дзене

Три разных способа расчёта сложной гидравлической схемы, в которой характеристики всех сопротивлений заданы в табличном виде.

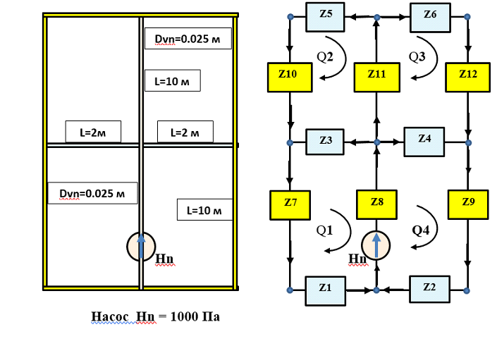
Дугинов Л.А. l.duginov@mail.ru Ключевые слова: методика гидравлического расчёта, сложные гидравлические цепи, расчёт кольцевых сетей, метод контурных токов, Mathcad-15, расчёт в матричном исчислении. Введение Эта статья посвящена описанию 3-х разных способов определения распределения расходов воды в сложной кольцевой гидравлической сети (рис.1) на базе нового метода (см. л.1-7.) В исходных данных приводятся величины диаметров и длин всех 12-ти труб, напор водяного насоса Hn, а также напор-расходные характеристики всех трубопроводов, т.е. Hk=f(qk) в табличном и графическом виде. Коэффициент трения и тип шероховатости внутренней поверхности всех труб - не заданы. Рис.1 Монтажная и расчётная гидравлическая схемы Дополнительные пояснения к рис.1: В связи с тем, что величина сопротивления трения в каналах труб значительно превосходят все местные сопротивления, то в целях упрощения расчёта местные сопротивления в данном расчёте не учитываются. Диаметры всех труб
в расчёте - одинаковы
Оглавление

Дугинов Л.А. l.duginov@mail.ru

Ключевые слова: методика гидравлического расчёта, сложные гидравлические цепи, расчёт кольцевых сетей, метод контурных токов, Mathcad-15, расчёт в матричном исчислении.

Введение

Эта статья посвящена описанию 3-х разных способов определения распределения расходов воды в сложной кольцевой гидравлической сети (рис.1) на базе нового метода (см. л.1-7.) В исходных данных приводятся величины диаметров и длин всех 12-ти труб, напор водяного насоса Hn, а также напор-расходные характеристики всех трубопроводов, т.е. Hk=f(qk) в табличном и графическом виде. Коэффициент трения и тип шероховатости внутренней поверхности всех труб - не заданы.

Рис.1 Монтажная и расчётная гидравлическая схемы

Дополнительные пояснения к рис.1:

В связи с тем, что величина сопротивления трения в каналах труб значительно превосходят все местные сопротивления, то в целях упрощения расчёта местные сопротивления в данном расчёте не учитываются. Диаметры всех труб
в расчёте -
одинаковые. Сопротивления трения (Z1-Z6) образованы на трубах длиной L=2 м, а сопротивления (Z7-Z12) - на трубах длиной L=10 м. Соответственно даются две напор-расходные характеристики: Hk1=f(qk1) для труб длиной 2м, и Hk2=f(qk2) для труб длиной 10 м.

Напор-расходные характеристики для труб L=2 м (Qq=f(DH02)) и труб L=10 м Qq=f(DH10))

-2
-3
-4

Расчёт гидравлической схемы (рис.1) по способу - 1

Для определения распределения только распределения расходов воды в сложной кольцевой гидравлической сети (рис.1) задание величин диаметров и длин всех 12-ти труб являются излишними. Эти данные будут использованы только при расчёте по способу-3.

-5

Продолжение расчёта схемы 1 по способу-1

-6

Расчёт гидравлической схемы (рис.1) по способу - 2

Подробности определения степенных сопротивлений- Zst и показателей степени-nst приведены в моей статье (см. л.1).

-7

-----------------------------------------------------------------------------------------

Продолжение расчёта схемы рис.1 по способу -2

-8

Расчёт гидравлической схемы (рис.1) по способу - 3

Данный способ расчёта использует данные по размерам диаметров и длин всех 12 труб.

-9
-10

ВЫВОДЫ

  1. Выполненные три гидравлических расчёта (по 3-м разным способам) показали полное совпадение результатов этих расчётов.
  2. В первом способе расчёта определение линейных сопротивлений ZL, необходимых для составления системы линейных уравнений для 4-х контуров схемы рис.1, выполнялось непосредственно из табличных данных напор-расходных характеристик по единственной формуле: ZL=dH/q1.
  3. Как показывает практика расчётов сложных гидравлических схем по способу-1 использование опытных напор-расходных характеристик в качестве исходных данных (в сочетании с новым методом расчёта) устраняет необходимость вывода аналитической зависимости Hk=f(qk) особенно в особо трудных случаях.
  4. Следует добавить, что во всех 3-х способах расчёта сохраняется независимость результатов расчёта от величины исходных данных для 1-й итерации в отличие от большинства современных методов расчёта.
  5. Во 2-м и 3-м способах расчёта определение линейных сопротивлений ZL проводилось с помощью итерационных формул, опубликованных ранее в моих статьях (см. л.1-5.). Эти формулы приводятся также в данной статье в распечатках расчётов по 2-му и 3-му способам.
  6. После определения величин линейных итерационных сопротивлений для всей участков схемы рис.1 расчёт распределения расходов-qk воды по ветвям схемы выполнялся по известному методу контурных расходов.

ЛИТЕРАТУРА

  1. Дугинов Л.А. Расчёт по опытным данным гидравлических сопротивлений трения. Статья опубликована на Сайте dzen.ru " Про гидравлику и электротехнику" 27.11. 2022 г
  2. Дугинов Л.А. Особенности табличного метода линеаризации нелинейных уравнений гидравлических цепей. Статья опубликована на Сайте dzen.ru " Про гидравлику и электротехнику" 27.12. 2025 г
  3. Дугинов Л.А Новая методика расчёта вытяжных и приточных тройников по опытным данным на базе нового метода решения сложных гидравлических схем. Статья опубликована на Сайте dzen.ru " Про гидравлику и электротехнику" 17.02. 2026 г
  4. Дугинов Л.А. Новый метод определения внутреннего сопротивления вентилятора по опытным характеристикам H=f(Q). Статья опубликована на Сайте dzen.ru " Про гидравлику и электротехнику" 25.09. 2025 г
  5. Дугинов Л.А. Новый метод расчёта гидравлических схем с определением внутреннего сопротивления вентилятора.Статья опубликована на Сайте dzen.ru " Про гидравлику и электротехнику" 22. 09. 2025 г.
  6. Дугинов Л.А., Розовский М.Х. Простой метод расчёта для сложных гидравлических систем., ТПА,-2020. -№2 (107).-50c.
  7. Дугинов Л. А., Шифрин В. Л. и др. Математическое моделирование на ЭВМ вентиляционных систем турбогенераторов // Электротехника. – 1975. – № 12..
  8. Идельчик И. Е. Справочник по гидравлическим сопротивлениям. Москва, "Машиностроение" 1992.