Добавить в корзинуПозвонить
Найти в Дзене
Электричество и Я

Схема электродвигательного исполнительного механизма с трехфазным электродвигателем

Исполнительный механизм (ИМ) – это техническое устройство, воздействующее непосредственно или через регулирующий орган на объект управления в соответствии с поступающими от автоматического управляющего устройства (автоматического регулятора) сигналами. По виду потребляемой энергии ИМ подразделяются на электрические, пневматические и гидравлические. Исполнительный механизм в общем виде состоит из привода, регулирующего органа, конечных выключателей, элементов управления, сигнализации, кинематических и электрических связей между ними. У ряда исполнительных механизмов регулирующие органы являются неотъемлемой их частью и рассматриваются как единое с ними устройство. В других случаях регулирующий орган установлен на объекте управления и является его составной частью. Электродвигательные исполнительные механизмы представляют собой электрические двигатели постоянного и переменного тока, а также микромашины, которые приводят в движение регулирующий орган объекта управления. Конструктивно эле

Исполнительный механизм (ИМ) – это техническое устройство, воздействующее непосредственно или через регулирующий орган на объект управления в соответствии с поступающими от автоматического управляющего устройства (автоматического регулятора) сигналами. По виду потребляемой энергии ИМ подразделяются на электрические, пневматические и гидравлические.

Исполнительный механизм в общем виде состоит из привода, регулирующего органа, конечных выключателей, элементов управления, сигнализации, кинематических и электрических связей между ними.

У ряда исполнительных механизмов регулирующие органы являются неотъемлемой их частью и рассматриваются как единое с ними устройство. В других случаях регулирующий орган установлен на объекте управления и является его составной частью.

Электродвигательные исполнительные механизмы представляют собой электрические двигатели постоянного и переменного тока, а также микромашины, которые приводят в движение регулирующий орган объекта управления.

Конструктивно электродвигательные механизмы обычно выполняют с вращательным движением выходного вала и, реже, с поступательным перемещением выходного штока.

В зависимости от типа регулирующего органа различают однооборотные, многооборотные, шаговые и постоянно вращающиеся электродвигательные исполнительные механизмы.

Однооборотные исполнительные механизмы с углом поворота выходного вала 120°...270° применяют обычно в приводе таких регулирующих органов, как заслонки, краны, шибера и т. п.

Многооборотные исполнительные механизмы используют для перемещения регулирующих органов в форме запорныx вентилей, дросселей и задвижек. Выходной вал у них может совершать большое число оборотов и одновременно поступательно перемещать регулирующие органы.

Шаговые исполнительные механизмы применяют для преобразования импульсных сигналов управления в фиксированный угол поворота, то есть на каждый импульс механизм делает строго заданный угловой шаг.

У постоянно вращающихся исполнительных механизмов крутящий момент от вала электродвигателя к регулирующему органу передается обычно через электромагнитные муфты. Направление и скорость вращения выходного вала муфты регулируют, изменяя ток возбуждения муфты.

Рассмотрим пример использования многооборотного электродвигательного исполнительного механизма.

Схема электродвигательного исполнительного механизма с трехфазным электродвигателем
Схема электродвигательного исполнительного механизма с трехфазным электродвигателем

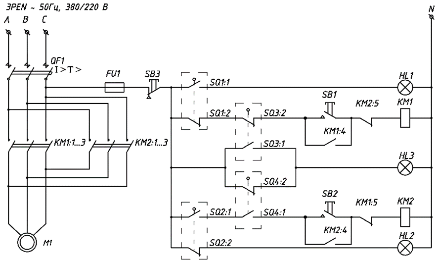
На рисунке изображена схема исполнительного механизма с трехфазным электродвигателем. Одна из целей использования такого механизма – это управление задвижкой. На схеме изображены: контакторы КМ1 и КМ2, кнопки SB1 «открыть» и SB2 «закрыть», концевые выключатели SQ1, SQ2, SQ3 и SQ4, лампочки сигнализации НL1, НL2 и НL3. На данной схеме все концевые выключатели находятся в среднем положении задвижки.

Работа схемы осуществляется следующим образом: контактор КМ1 включает механизм на открывание задвижки после нажатия кнопки SB1. Когда задвижка окажется в крайнем положении «открыто», сработает концевой переключатель SQ1, отключив контактор КМ1 и электродвигатель своим разомкнутым контактом. Лампочка сигнализации НL1 включится, так как окажется на замкнутом контакте концевого переключателя SQ1. Эта лампочка является индикатором положения задвижки «открыто».

Чтобы закрыть задвижку, необходимо нажать на кнопку SB2. Тогда сработает контактор КМ2, а механизм включится на закрывание задвижки. При достижении крайнего положения задвижки «закрыто» сработает концевой переключатель SQ2. Он остановит электродвигатель и отключит контактор КМ2. Аналогично первому случаю, включится лампочка НL2, которая является индикатором положения задвижки «закрыто».

В данной схеме используется также муфта предельного крутящего момента. Она работает в паре с концевыми переключателями SQ3 и SQ4 и предназначена для отключения электродвигателя при превышении момента на валу. Это может произойти, например, если задвижку заклинит в процессе перемещения.

Если при этом задвижка будет открываться, то сработает выключатель SQ3 и отключит контактор КМ1. Если задвижка будет закрываться, то сработает выключатель SQ4, отключив контактор КМ2. Лампочка EL3 является индикатором ситуации "авария" и включится в любом из этих двух случаев.

Чтобы остановить электродвигатель в промежуточном положении задвижки, необходимо нажать на кнопку SB3 «стоп».