Найти в Дзене
Fon Kraft

Читатель спрашивает: Проблемный аэрограф - куда смотреть и как исправить

Когда-то я смотрел на аэрограф, как на некое божество. Но потом понял его принцип действия и стал относиться к нему с не большим почтением, как к хорошим кистям или качественному слесарному инструменту. Конечно, иногда техника способна выкатывать "чудеса", становясь весьма проблемной. Иногда такое бывает с аэрографом с новейшим корончатым соплом. Я вам рассказывал про аэрограф JAS-1183 Так вот, на днях получаю сообщение от читателя-моделиста по имени Ярослав: ... Решил впервые в жизни попробовать аэрограф - JAS 1183, (компрессор JAS 1205) - все как вы советовали) Столкнулся с такой проблемой: срывает крышку бачка (давление не более 2 по черной шкале)
Без крышки - как видел это у многих - вода (пока без краски) просто бурлит в бачке и кое-как брызгает из сопла... Ни о каком равномерном факеле даже речи нет. Без нажатия курка - капает из сопла. Обе гайки сопла закручены до упора... В чем затык и что с этим можно сделать? Если вы ещё с трудом разбираетесь в устройстве и конструкции аэро

Когда-то я смотрел на аэрограф, как на некое божество. Но потом понял его принцип действия и стал относиться к нему с не большим почтением, как к хорошим кистям или качественному слесарному инструменту.

Конечно, иногда техника способна выкатывать "чудеса", становясь весьма проблемной. Иногда такое бывает с аэрографом с новейшим корончатым соплом. Я вам рассказывал про аэрограф JAS-1183

Так вот, на днях получаю сообщение от читателя-моделиста по имени Ярослав:

... Решил впервые в жизни попробовать аэрограф - JAS 1183, (компрессор JAS 1205) - все как вы советовали)
Столкнулся с такой проблемой: срывает крышку бачка (давление не более 2 по черной шкале)
Без крышки - как видел это у многих - вода (пока без краски) просто бурлит в бачке и кое-как брызгает из сопла...
Ни о каком равномерном факеле даже речи нет.
Без нажатия курка - капает из сопла. Обе гайки сопла закручены до упора...
В чем затык и что с этим можно сделать?

Если вы ещё с трудом разбираетесь в устройстве и конструкции аэрографов, то вам обязательно надо прочесть вот эту публикацию:

Ну, а что до проблемы читателя, то мало вероятно, чтобы у нового аэрографа могло быть замято корончатое сопло, хотя и стоит его проверять. Пожалуй, в этой ситуации я бы проверил наличие маленького эластичного кольца-прокладки, что находится под соплом и отделяет канал подачи воздуха от канала с краской.

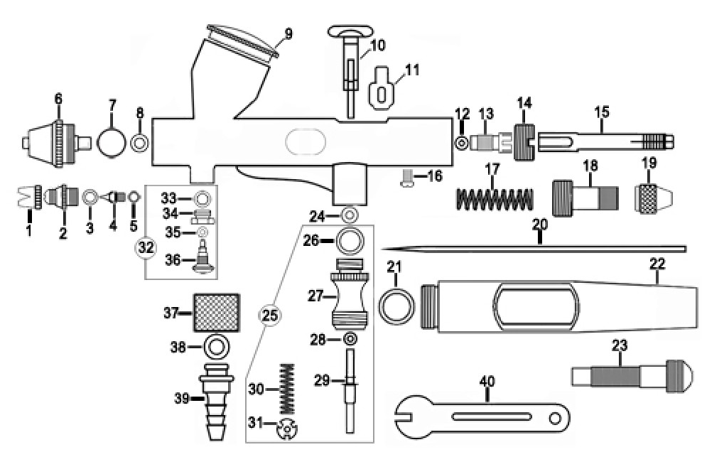
На всякий случай прикреплю общую схему аэрографа.

Типовое устройство аэрографа.
Типовое устройство аэрографа.

Впрочем, это моё видение проблемы. Может, я не прав, и будет лучше узнать мнение читателей в комментариях.

Ваш Fon Kraft, © 2025 год

Как понимать аэрограф, чтобы работать качественно и без разочарований? Возможно, эта публикация расскажет вам обо всём необходимом:

И не забывайте, что единомышленников всегда можно найти в нашем Чате Моделистов "Флудилка Фон Крафта".

Напомню, что помимо Дзена с его непредсказуемостью, у Fon Kraft'а есть ТГ-канал, из которого можно узнать анонсы новых публикаций, и, с недавних пор, даже промокоды и выгодные предложения для моих читателей. Присоединяйтесь: в телеграм-канале: https://t.me/fonkraft , чтобы всегда быть в курсе новостей и новых публикаций. А ещё Фон Крафт есть в ОК, Телеграм-канале, в общем, обеспечивает МАКСимальный охват аудитории.

Найти меня в "Телеграме" очень просто - достаточно кликнуть на ссылку: @Fon-Kraft

Аэрограф JAS с корончатым соплом
Аэрограф JAS с корончатым соплом