Добавить в корзинуПозвонить
Найти в Дзене
Электроника, ESP32, Arduino

Настройка усилительного каскада в режиме AB

С приходом в жизнь электронщиков западной терминологии, в некоторых вопросах пришла и путаница. Вот конкретный тому пример. Шикарный заголовок, но если взять электрическую принципиальную схему любого усилителя низкой частоты - пусть даже такую древнюю: то выясняется, что в режиме АВ в этой схеме работает только последний каскад (усилитель мощности), а вот каскады предварительного усиления работают в режиме А. И тогда получается какого именно класса этот усилитель? Точнее проще. В те времена, когда "эйчаров" называли "работниками отдела кадров", в радиолюбительской литературе последний каскад имел простое и интуитивно понятное название "бестрансформаторный двухтактный каскад усиления мощности". Схемы с трансформаторами собирать смысла нет (где их эти самые трансформаторы сейчас взять!?), поэтому в статье будут разобраны принципы работы и настройки именно бестрансформаторных решений. Простейший двухтактный каскад можно собрать всего из 5 деталей. 2 транзистора разной структуры T2(n-p-n
Оглавление

С приходом в жизнь электронщиков западной терминологии, в некоторых вопросах пришла и путаница. Вот конкретный тому пример.

Шикарный заголовок, но если взять электрическую принципиальную схему любого усилителя низкой частоты - пусть даже такую древнюю:

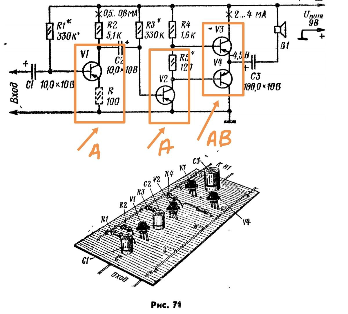
Борисов В.Г. Практикум начинающего радиолюбителя
Борисов В.Г. Практикум начинающего радиолюбителя

то выясняется, что в режиме АВ в этой схеме работает только последний каскад (усилитель мощности), а вот каскады предварительного усиления работают в режиме А. И тогда получается какого именно класса этот усилитель?

Раньше было лучше.

Точнее проще. В те времена, когда "эйчаров" называли "работниками отдела кадров", в радиолюбительской литературе последний каскад имел простое и интуитивно понятное название "бестрансформаторный двухтактный каскад усиления мощности". Схемы с трансформаторами собирать смысла нет (где их эти самые трансформаторы сейчас взять!?), поэтому в статье будут разобраны принципы работы и настройки именно бестрансформаторных решений.

УНЧ проще не бывает.

Простейший двухтактный каскад можно собрать всего из 5 деталей.

-3

2 транзистора разной структуры T2(n-p-n) и T1(p-n-p) делят выходное напряжение источника питания пополам. При отсутствии входного сигнала схема практически не потребляет ток (М1).

Подадим на вход синус с частотой 400Гц и амплитудой 1V.

-4

При движении тока от источника сигнала V2 указанным красными стрелками будет открываться транзистор Т1 и разряжать конденсатор через низкоомную нагрузку R1 (в качестве которой легко может выступить любой низкоомный динамик).

Движение тока от источника сигнала V2 в противоположную сторону:

-5

откроет транзистор Т2 и будет заряжать конденсатор через резистор R1 от источника питания V1.

Кстати у данной схемы есть еще одно название: "тяни-толкай". Почему она так называется хорошо видно на этой анимации.

-6

Смотрим на графики изменения уровней входного (синяя линия) и выходного (зеленая линия) сигналов.

-7

По напряжению схема ничего не усиливает. Скорее даже наоборот, так как Uвых=Uвх - падение напряжения на p-n переходе транзистора.

Форма выходного сигнала, мягко говоря не очень похожа на синус который был подан на вход.

-8

Тут объяснение простое. Чтобы транзистор начал открываться, разница напряжений между эмиттером и базой должна иметь некоторое определенное значение (для "кремния" примерно от 0.6V, для "германия" 0.2V). Поэтому любой сигнал ниже уровня этого значения схема просто не может усиливать - так как оба транзистора тупо закрыты.

-9

Такое искажение в двухтактном каскаде имеет умное название: "переходное искажение" или простое название: "ступенька".

Зачем нужна схема которая не усиливает напряжение и искажает входной сигнал?

Сравним значения переменных токов, которые протекают через разделительный конденсатор С1 и выходной НИЗКООМНЫЙ резистор R1.

-10

От источника питания V2 схема практически не потребляет энергию (у неё большое входное сопротивление), а вот в резисторе R1 токи протекают достаточно большие (низкое выходное сопротивление), что как раз и нужно для подключения низкоомной нагрузки коей являются любой динамик.

К сожалению, в таком виде схема сгодится разве что для какой-нибудь сигнализации - где от источника звука достаточно чтобы он выл (отсутствие энергопотребления при отсутствии сигнала будет как раз плюсом). Слушать музыку через такой усилитель весьма сомнительное удовольствие.

Для борьбы с переходными искажениями транзисторы нужно приоткрыть (установить так называемый ток покоя). И дело кстати не только в том, что транзистор совсем не открываться при малых напряжениях. ВАХ транзистора при минимальных токах крайне нелинейная, что и приводит к большим искажениям.

Чем проще схема, тем сложнее её настройка

Найдя в Интернет какую-нибудь схему содержащую всего несколько деталей мало уметь правильно соединить детали между собой. Вернемся к схеме из первого примера.

-11

Чтобы схема данного УНЧ работала как нужно подобрать целых 3(ТРИ) резистора, чтобы установить необходимые токи и напряжения. В любой литературе обычно есть подробное описание принципа работы работы схемы из которого понятно как именно эти самые резисторы подобрать.

Всемирная паутина в этом плане принципиально отличается от книг. В интернет главное "накопипастить" красивых картинок и напихать в статью побольше рекламы. Цель любой выложенной информации не чему-то Вас научить, а тупо заработать денег на рекламных баннерах - поэтому собирать схемы из Интернет не понимая как они работают, это пустая трата времени. Даже если вы увидите на каком-нибудь ты/ру/тубе видео где конкретная схема замечательно работает - лично у Вас она может не заработать просто потому, что у вас оказались транзисторы с другим коэффициентом усиления.

Цель таких простых схем, скорее учебная нежели практическая, чтобы научиться понимать как работают сложные "правильные схемы" независящие от β транзисторов и температуры.

Лабораторная работа

В качестве примера посмотрим насколько сложно будет собрать "шедевр искусства схемотехники" найденный в "буржуйнете" на современной элементной базе. Это маломощный усилитель низкой частоты, который вполне подойдет для озвучки небольшого помещения (на подобии схемы приведенной в начале статьи).

-12

Схема выкладывалась на конкурс: "найди ошибку" и один из моих подписчиков справился с этой задачей практически сразу, с чем мы его и поздравляем.

-13

На схеме действительно есть лишнее соединение. Вот оно:

-14

В выходной каскад (транзисторы Q2 и Q3) необходимо по возможности поставить транзисторы с одинаковыми характеристиками.

У меня дома нашлись транзисторы n-p-n BC547B c β = 307

-15

и транзистор p-n-p BC557B c β = 339

-16

Выбор был сделан на основании документации.

-17

То, что "есть под рукой" - в выходной каскад ставить точно не нужно.

Выставляем в любом симуляторе реальную β. (это удобнее, чем перебирать гору резисторов паяльником - особенно если нет макетной платы)

Первое, что нужно сделать - выставить в точке указанной стрелкой половину напряжения источника питания подбором резистора R1.

-18

Симулятор рекомендует поставить сопротивление номиналом 300кОм

-19

Смотрим ток покоя:

-20

С первым транзистором у нас все хорошо. Он приоткрыт, напряжение на коллекторе 4V, ток в цепи коллектора 4mA - усиливать сигнал он сможет.

-21

Резистор R2 является нагрузкой каскада предварительного усиления - его настраивать не нужно :-)

А вот с выходным каскадом не очень все хорошо.

-22

Ток покоя в этой цепи меньше одного миллиампера. Запустив симуляцию можно убедиться, что небольшое искажение сигнала присутствует.

-23

Какое значение должен показывать амперметр M1, чтобы избавиться от ступеньки? Хоровиц, который с Хиллом рекомендуют ток покоя для УНЧ в 50mA. Но, наша схема будет работать от батарейки, и качать она будет не танцпол в ночном клубе, а какой-то примерно такой динамик мощностью 0.5Вт

-24

Выходные транзисторы тоже малой мощности - поэтому по идее Советских 4mA для более-менее качественного звука (если про него вообще можно говорить с динамиком такого качества) должно хватить.

Если знаете где найти подробную методику расчета - напишите её пожалуйста в комментариях.

Теперь вопрос где эти mA взять?

Самое простое - подобрать резистор небольшого номинала и включить его в цепочку из диодов.

-25

Стало значительно "лучшее"....

-26

Узнать потребуется или нет этот резистор можно на практике собрав схему и подключив мультиметр. У меня простенький симулятор для смартфона - реальных компонентов в нем нет, но для понимания чего куда крутить, его вполне хватает. Понятно, что при батарейном питании придется искать компромисс между качеством звука и длительностью работы схемы - так, что прибор типа ухо "вроде звучит неплохо" тоже подойдет для настройки.

Еще одна вещь, которую может рассказать этот карманный симулятор - во время настройки нельзя размыкать цепь соединяющую базы транзисторов.

-27

Оба транзистора полностью откроются. Виртуальным то ничего не будет, а реальные транзисторы рассчитанные на максимальный ток коллектора 0.1А разумеется перегреются и выйдут из строя.

Отключили питание, поменяли резистор, проверили соединение, включили питание. Задача упрощается если есть лабораторный блок питания с возможностью ограничения максимального выходного тока.

У меня самодельный ЛБП - для настройки я просто выставляю ток короткого замыкания в 100mA.

-28
-29

На работу схемы это ни как не повлияет - она кушает значительно меньше, и за транзисторы можно не переживать если вдруг соединение на макетной плате, которая весьма не надежна в плане контактов разорвется.

Кстати про диоды. В Интернатах многие пишут, что они нужны для того, чтобы избавиться от переходных искажений (ступеньки). По факту - с этим может справиться и правильно подобранный резистор. Опять же в Советской схеме, приведенной в начале этой статьи никаких диодов не было.

-30

Все замечательного работает без этих ваших диодов.

-31

В "вумных" книжках пишут, что плату готового устройства нужно трассировать таким образом, чтобы диоды были рядом с радиаторами выходного каскада. Выходной каскад на мощных транзисторах разумеется будет нагреваться и нагревать расположенные рядом диоды, а поскольку и транзисторы и диоды зависят от температуры - это будет стабилизировать работу выходного каскада. В этой схеме никаких радиаторов нет. На таких небольших токах греться будет просто нечему - так что жду ваших ответов в комментариях нужны ли в этой простой схеме диоды в принципе!?

Собираем на макетной плате

-32

Результаты измерений записываем

-33

В общем и целом все тут хорошо. С резистором R1 симулятор угадал точно, а вот на виртуальных диодах падение напряжения оказалось меньше чем на реальных и поэтому дополнительный резистор не требуется. Ток покоя около 5мА а сама схема получилась вполне себе "слушабельна". Для какой-нибудь электронной самоделки, которую нужно питать от батарейки - самое оно.

Послушать этот усилитель можно в этом коротком видео.

Надеюсь, что информации изложенной в данной статье хватит Вам, чтобы собрать и настроить любую схему простого УНЧ найденную на просторах Интернет.

Кстати по поводу диодов на моем канале вышло небольшое дополнение, а именно наглядный эксперимент зачем они нужны

Материалы для начинающих по теме статьи:

Оглавление канала доступно по этой ссылке:

Всем удачи!