Добавить в корзинуПозвонить
Найти в Дзене
Электроника, ESP32, Arduino

Зачем в усилители пихают диоды

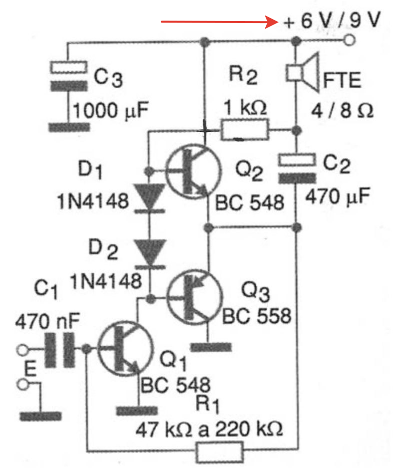
В эфире самая "термостабизирующая" среди "нетермостабильных" и самая практическая среди непрактических рубрика — «Эксперименты» Возьмем усилитель из прошлой статьи и попробуем «перебиндить» его для работы от 2-х Lion ячеек. Полностью заряженный АКБ в формате "аля-Крона" выдает напряжение около 8V. Встроенная защита от глубокого разряда срабатывает при снижении напряжения на клеммах ниже значения 5.8V Про тестирование этой АКБ можно прочитать в этой статье. На схеме найденной в Интернет, стоит пометка, что она должна запускаться от напряжения 6V Но, по факту, при снижения напряжения питания до 6V, ток покоя снижается настолько, что искажение типа "ступенька" уже становятся слышны даже "невооруженным ухом". Для работы с аккумулятором при пониженном напряжении (8....6V) я добавил резистор R2 номиналом 36 Om. Саму схему я описывать не буду - потому что статья посвящена исключительно роли диодов D1 и D2 в этой схеме. Для того, чтобы понять зачем они нужны - попробуем подать на этот усилите

В эфире самая "термостабизирующая" среди "нетермостабильных" и самая практическая среди непрактических рубрика — «Эксперименты»

Возьмем усилитель из прошлой статьи и попробуем «перебиндить» его для работы от 2-х Lion ячеек.

Полностью заряженный АКБ в формате "аля-Крона" выдает напряжение около 8V. Встроенная защита от глубокого разряда срабатывает при снижении напряжения на клеммах ниже значения 5.8V Про тестирование этой АКБ можно прочитать в этой статье.

На схеме найденной в Интернет, стоит пометка, что она должна запускаться от напряжения 6V

-2

Но, по факту, при снижения напряжения питания до 6V, ток покоя снижается настолько, что искажение типа "ступенька" уже становятся слышны даже "невооруженным ухом".

Для работы с аккумулятором при пониженном напряжении (8....6V) я добавил резистор R2 номиналом 36 Om.

-3

Саму схему я описывать не буду - потому что статья посвящена исключительно роли диодов D1 и D2 в этой схеме.

Для того, чтобы понять зачем они нужны - попробуем подать на этот усилитель напряжение питания 10V вместо 7.4V

Сразу после включения, видно что схема потребляет ток порядка 10mA.

-4

Однако, если даже не подавать на вход никакой звуковой сигнал, буквально через 2 минуты энергопотребление (ток покоя) схемы вырастает до 60mA.

-5

и продолжает расти. Маломощные транзисторы ВС, которые стоят в выходном каскаде данного простейшего усилителя могут выдержать максимальный ток 100mA, поэтому если эксперимент продолжить - от перегрева из них пойдет волшебный синий дым и они выйдут из строя.

Почему это происходит?

Любой транзистор звониться мультиметром как два встречно-включенных диода. У любого диода есть обратный ток, который увеличивается в ростом температуры. На базу транзистора начинают попадать лишние носители заряда, которые транзистор как бы сам для себя усиливает.

-6

Большой ток покоя начал нагревать транзистор, и приоткрытый транзистор стал открывать себя еще больше. Все это будет греться и открываться пока не сгорит.

Про то как транзистор зависит от температуры, можно прочитать в другой моей статье

А, что делать конкретно с этой схемой?

А все очень просто, берем диоды которые стоят в этой схеме и прислоняем их к корпусам транзисторов.

-7

Подаем те-же самые 10V и видим, что ток с 10mA вырос до 17mA и больше не растет совсем.

-8

Можно подать звуковой сигнал, и послушать что-нибудь через этот усилитель. После прослушивания ток покоя снова вернется к значению 17mA.

Почему "обмотав транзисторы диодами", параметры этой схемы стабилизируются?

На диодах падение напряжение (~0.7V) примерно такое же как и на p-n переходах транзисторах. Подобрав резистор R2 можно установить значение тока покоя более точно, обеспечив тем сам более качественную работу выходного каскада.

-9

Диоды как и транзисторы зависят от температуры. Нагретые корпуса транзисторов начали передавать тепло близкорасположенным диодам. У диодов подключенных в прямом направлении падение напряжения (т.е. сопротивление) при нагреве уменьшается. Транзисторы начали "призакрываться" и поэтому "теплового разгона" больше не происходит.

Так что если располагать диоды рядом с радиаторами (или даже на самих радиаторах), они спасут не только от искажений выходного сигнала, но и сами транзисторы от теплового пробоя.

Такая вот маленькая, практическая лабораторная работа.

Подробнее про настройку двухтактного выходного каскада, можно прочитать тут.

Оглавление канала доступно по этой ссылке.

Всем удачи.