Добавить в корзинуПозвонить
Найти в Дзене
PRACTICAL ELECTRONICS

Автоматическое регулирование напряжения смещения в УМЗЧ

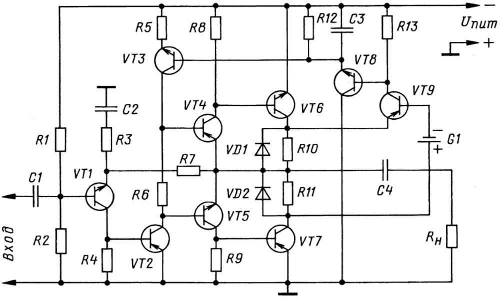
В «Радио» 2014/5 предложено оригинальное решение стабилизации смещения транзисторов выходного каскада двухтактного УМЗЧ (автор В. Ефремов). На функциональной схеме УМЗЧ (рис. ниже) за стабилизацию смещения выходного каскада отвечают транзисторы VT9, VT8 и VT3. В состоянии покоя дифференциальный УПТ на транзисторе VT9 следит за напряжением на резисторах-датчиках R10, R11 тока на коллекторах выходного каскада VT6, VT7 и, например, в случае увеличения последнего (допустим, из-за разогрева) транзистор VT9 «призапирается», что через эмиттерный повторитель VT8 приводит к «призапиранию» генератора тока на транзисторе VT3, уменьшению тока через резистор R6 и следовательно к уменьшению смещения выходного каскада (т.е. начальный ток покоя Iнач стабилизирован). Особенностью схемы является ее способность стабилизировать смещение не только в режиме покоя, но и при наличии звукового сигнала. На следующем рисунке приведены осциллограммы токов коллектора в верхнем (i1, VT6) и нижнем (i2, VT7) плеча
Оглавление

В «Радио» 2014/5 предложено оригинальное решение стабилизации смещения транзисторов выходного каскада двухтактного УМЗЧ (автор В. Ефремов).

На функциональной схеме УМЗЧ (рис. ниже) за стабилизацию смещения выходного каскада отвечают транзисторы VT9, VT8 и VT3. В состоянии покоя дифференциальный УПТ на транзисторе VT9 следит за напряжением на резисторах-датчиках R10, R11 тока на коллекторах выходного каскада VT6, VT7 и, например, в случае увеличения последнего (допустим, из-за разогрева) транзистор VT9 «призапирается», что через эмиттерный повторитель VT8 приводит к «призапиранию» генератора тока на транзисторе VT3, уменьшению тока через резистор R6 и следовательно к уменьшению смещения выходного каскада (т.е. начальный ток покоя Iнач стабилизирован).

-2

Особенностью схемы является ее способность стабилизировать смещение не только в режиме покоя, но и при наличии звукового сигнала.

На следующем рисунке приведены осциллограммы токов коллектора в верхнем (i1, VT6) и нижнем (i2, VT7) плечах выходного каскада.

На правой осциллограмме видно, что сумма абсолютных значений i1 + i2 имеет минимумы при прохождении звуковым сигналом нулевых мгновенных значений (для синусоиды в моменты 0, π, 2π и т.д.), равные 2Iнач, а главное, что эти минимумы не зависят от амплитуды звукового сигнала.

-3

Элементы VT8R3C12 формируют пиковый детектор, который динамически отслеживает и запоминает (на время периода звукового сигнала) упомянутые минимумы, обеспечивая динамическую стабилизацию смещения выходного каскада даже в присутствие звукового сигнала.

Т.е. предложенная схема предотвращает попеременное запирание (отсечку тока коллектора) не рабочего в данный полупериод плеча двухтактного каскада, тем самым избавляя от искажений типа «ступенька».

Оптимальный начальный ток Iнач.опт составляет примерно 10% от максимального тока коллектора Im на вершине синусоиды. При этом (см. рис. ниже) КПД усилителя составляет 77%, что только на 2% ниже, чем в самом экономичном режиме класса ВIнач = 0), и в то же время мощность, рассеиваемая на выходных транзисторах (Ртепл), в 4,5 раза меньше, чем в режиме класса А (Iнач = 0,5Im).

-4

При Iнач = 10%Im (рис. ниже) рассеиваемая на выходных транзисторах мощность практически не зависит от уровня сигнала Ic, что благоприятно с точки зрения динамической термостабильности и предотвращения т.н. «тепловых» искажений.

-5

Схема электрическая

Схема электрическая принципиальная автоматического регулирования напряжения смещения в УМЗЧ
Схема электрическая принципиальная автоматического регулирования напряжения смещения в УМЗЧ

Технические характеристики:

Класс усилителя – АВ;
Напряжение питания – ±30 В;
Начальный ток выходного каскада – 170 мА;
Уровень входного сигнала – 1,8 В;
Выходная мощность номинальная (4 Ом) – 70 Вт;
Рабочая полоса частот – 10…30000 Гц;
THD при номинальной выходной мощности (70 Вт) – не более 0,1%.

Работа схемы

Датчиками токов стока выходного каскада VT15, VT16 являются резисторы R28 и R29.

Т.к. транзисторы VT13, VT14 в диодном включении компенсируют напряжения на эмиттерных переходах VT11 и VT12, то напряжения на резисторах R24 и R25 повторяют напряжения на резисторах R28 и R29 соответственно, а токи эмиттеров и коллекторов транзисторов VT11 и VT12 являются уменьшенными в 50 раз (R4/R1=R5/R3=50) копиями токов стока VT15, VT16.

Токовое зеркало VT9VT10 отражает ток коллектора VT11 для его суммирования с током коллектора VT12 на резисторе R17. Минимуму суммы токов VT11+VT12 соответствует максимум тока транзистора VT7 и максимум напряжения на резисторе R18.

Пиковый детектор VT8R21 формирует напряжение, управляющее генератором тока на транзисторе VT3 усилителя, а противофазный выход модуля стабилизации образует симметричная цепь R9 в коллекторе VT8, который управляет генератором тока на транзисторе VT4.

Т.к. токи коллекторов транзисторов VT1 и VT2 входного дифференциального каскада УМЗЧ равны половине токов VT3 и VT4 соответственно (а главное – изменяются синхронно) и протекают через резисторы R30 и R31, включенные между затворами и истоками транзисторов выходного каскада, то петля автостабилизации смещения замыкается и динамически обеспечивает оптимальный режим.

Вариант печатной платы для схемы приведён ниже.

Печатная плата для схемы автоматического регулирования напряжения смещения в УМЗЧ
Печатная плата для схемы автоматического регулирования напряжения смещения в УМЗЧ