Добавить в корзинуПозвонить
Найти в Дзене
Электротехник Равилов

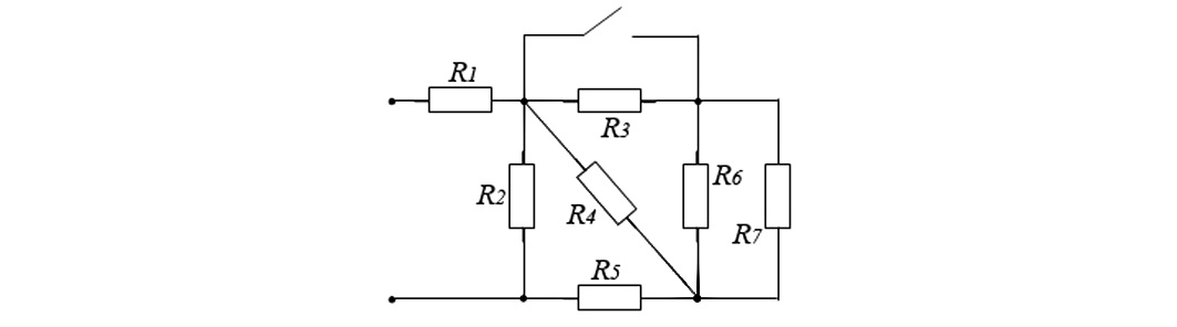
Определить эквивалентное сопротивление цепи при разомкнутом и замкнутом положении ключа. Сопротивления всех резисторов равны 120 Ом

Для нахождения эквивалентного сопротивления цепи необходимо сворачивать схему, начиная с наиболее удалённых от входных зажимов ветвей, последовательно заменяя участки цепи их эквивалентными сопротивлениями. Процесс продолжается до тех пор, пока вся схема не будет сведена к одному результирующему сопротивлению между заданными выводами. Метод эквивалентных преобразований особенно удобен для анализа пассивных цепей, содержащих только резистивные элементы, соединённые последовательно и параллельно. Решение: 1. Резисторы R₆ и R₇ включены параллельно: После преобразования сопротивления R₆₇, схема цепи имеет следующий вид: 2. Резисторы R₃ и R₆₇ включены последовательно: После преобразования сопротивления R₃₆₇, схема цепи имеет следующий вид: 3. Резисторы R₄ и R₃₆₇ включены параллельно: После преобразования сопротивления R₃₄₆₇, схема цепи имеет следующий вид: 4. Резисторы R₅ и R₃₄₆₇ включены последовательно: После преобразования сопротивления R₃₄₅₆₇, схема цепи имеет следующий вид: 5. Резистор
Оглавление
Для нахождения эквивалентного сопротивления цепи необходимо сворачивать схему, начиная с наиболее удалённых от входных зажимов ветвей, последовательно заменяя участки цепи их эквивалентными сопротивлениями. Процесс продолжается до тех пор, пока вся схема не будет сведена к одному результирующему сопротивлению между заданными выводами. Метод эквивалентных преобразований особенно удобен для анализа пассивных цепей, содержащих только резистивные элементы, соединённые последовательно и параллельно.

Решение:

1) Ключ разомкнут

1. Резисторы R₆ и R₇ включены параллельно:

-2

После преобразования сопротивления R₆₇, схема цепи имеет следующий вид:

                          Рис. 1 - Схема цепи после преобразования сопротивлений R₆ и R₇
Рис. 1 - Схема цепи после преобразования сопротивлений R₆ и R₇

2. Резисторы R₃ и R₆₇ включены последовательно:

-4

После преобразования сопротивления R₆₇, схема цепи имеет следующий вид:

                         Рис. 2 - Схема цепи после преобразования сопротивлений R₃ и R₆₇
Рис. 2 - Схема цепи после преобразования сопротивлений R₃ и R₆₇

3. Резисторы R₄ и R₆₇ включены параллельно:

-6

После преобразования сопротивления R₃₄₆₇, схема цепи имеет следующий вид:

                         Рис. 3 - Схема цепи после преобразования сопротивлений R₄ и R₃₆₇
Рис. 3 - Схема цепи после преобразования сопротивлений R₄ и R₃₆₇

4. Резисторы R₅ и R₃₄₆₇ включены последовательно:

-8

После преобразования сопротивления R₃₄₅₆₇, схема цепи имеет следующий вид:

                        Рис. 4 - Схема цепи после преобразования сопротивлений R₅ и R₃₄₆₇
Рис. 4 - Схема цепи после преобразования сопротивлений R₅ и R₃₄₆₇

5. Резисторы R₂ и R₃₄₅₆₇ включены параллельно:

-10

После преобразования сопротивления R₂₃₄₅₆₇, схема цепи имеет следующий вид:

                          Рис. 5 - Схема цепи после преобразования сопротивлений R₂ и R₃₄₅₆₇
Рис. 5 - Схема цепи после преобразования сопротивлений R₂ и R₃₄₅₆₇

6. Резисторы R₁ и R₂₃₄₅₆₇ включены последовательно:

-12

После преобразования сопротивления R₁₂₃₄₅₆₇, схема цепи имеет окончательный вид:

                        Рис. 6 - Схема цепи после преобразования сопротивлений R₁ и R₂₃₄₅₆₇
Рис. 6 - Схема цепи после преобразования сопротивлений R₁ и R₂₃₄₅₆₇

где R₁₂₃₄₅₆₇ = Rэ - эквивалентное сопротивление цепи при разомкнутом ключе

2) Ключ замкнут

При замкнутом ключе резистор R₃ зашунтирован перемычкой (замкнутым ключом), поэтому схема цепи имеет следующий вид:

Сопротивление R₆₇ определили ранее в пункте 1.

7. Резисторы R₄ и R₆₇ включены параллельно:

-15

После преобразования сопротивления R₆₇, схема цепи имеет следующий вид:

                        Рис. 7 - Схема цепи после преобразования сопротивлений R₄ и R₆₇
Рис. 7 - Схема цепи после преобразования сопротивлений R₄ и R₆₇

8. Резисторы R₅ и R₆₇ включены последовательно:

-17

После преобразования сопротивления R₄₅₆₇, схема цепи имеет следующий вид:

                         Рис. 8 - Схема цепи после преобразования сопротивлений R₅ и R₄₆₇
Рис. 8 - Схема цепи после преобразования сопротивлений R₅ и R₄₆₇

9. Резисторы R₂ и R₄₅₆₇ включены параллельно:

-19

После преобразования сопротивления R₂₄₅₆₇, схема цепи имеет следующий вид:

                        Рис. 9 - Схема цепи после преобразования сопротивлений R₂ и R₄₅₆₇
Рис. 9 - Схема цепи после преобразования сопротивлений R₂ и R₄₅₆₇

10. Резисторы R₁ и R₂₄₅₆₇ включены последовательно:

-21

После преобразования сопротивления R₁₂₄₅₆₇, схема цепи имеет окончательный вид:

                        Рис. 10 - Схема цепи после преобразования сопротивлений R₁ и R₂₄₅₆₇
Рис. 10 - Схема цепи после преобразования сопротивлений R₁ и R₂₄₅₆₇

где R₁₂₄₅₆₇ = Rэ - эквивалентное сопротивление цепи при замкнутом ключе.

Ответ:

Ключ разомкнут: Rэ=193,846 (Ом)

Ключ замкнут: Rэ=188,571 (Ом).

Читайте также:

1. Законы Кирхгофа - подробное и понятное объяснение на примерах

2. Метод эквивалентного генератора - подробное объяснение задачи

3. Баланс мощностей для цепей постоянного тока - задача