Найти в Дзене
СамЭлектрик.ру

И все-таки я видимо деревянный по пояс. Не понимаю!

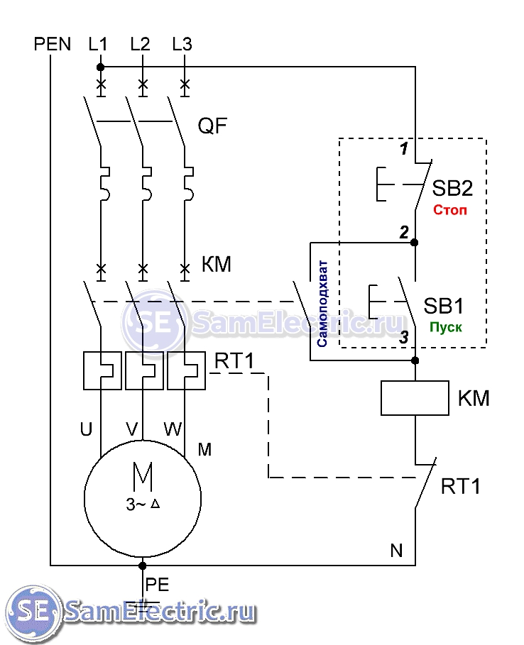
Смотрю на схему, в цепи мотор-автомат, контактор и тепловое реле. С контактором все понятно: он обеспечивает включение напряжения на мотор. а вот с АЗД (я же прально понимаю, что мотор-автомат и автомат защиты двигателя это название одного и того же устройства?) непонятно. По вашим же собственным словам мотор-автомат это защита от КЗ и тепловое реле в одном флаконе (что косвенно подтверждается и обозначением на схеме). А для чего тогда в схеме присутствует еще одно, отдельное тепловое реле типа РТЛ? Дальше – больше. Не знаю у кого как, но в силовых схемах здорового человека на каждую линию до каждого станка ставится автомат (он же пакетник, он же защитный автомат обыкновенный, с рычажками, в нашем случае трехполюсный). И он, в числе прочего, реагирует на КЗ в силовой цепи. Ну если номинал, конечно, подобран правильно. Вопрос: а для чего тогда в схеме АЗД, который тоже реагирует на КЗ? Время реакции разное? Защита от дурака или неисправности автомата в щитке? Опять-таки, возвращаясь к

Смотрю на схему, в цепи мотор-автомат, контактор и тепловое реле. С контактором все понятно: он обеспечивает включение напряжения на мотор. а вот с АЗД (я же прально понимаю, что мотор-автомат и автомат защиты двигателя это название одного и того же устройства?) непонятно.

Речь про эту схему
Речь про эту схему

По вашим же собственным словам мотор-автомат это защита от КЗ и тепловое реле в одном флаконе (что косвенно подтверждается и обозначением на схеме). А для чего тогда в схеме присутствует еще одно, отдельное тепловое реле типа РТЛ?

Дальше – больше. Не знаю у кого как, но в силовых схемах здорового человека на каждую линию до каждого станка ставится автомат (он же пакетник, он же защитный автомат обыкновенный, с рычажками, в нашем случае трехполюсный). И он, в числе прочего, реагирует на КЗ в силовой цепи. Ну если номинал, конечно, подобран правильно. Вопрос: а для чего тогда в схеме АЗД, который тоже реагирует на КЗ? Время реакции разное? Защита от дурака или неисправности автомата в щитке?

Опять-таки, возвращаясь к схеме. Я же правильно понимаю, что АЗД имеет в своем составе доп. контакты, которые врезаются последовательно в цепь управления (чаще всего катушки контактора) и размыкают эту цепь при срабатывании? На схеме этого нет почему-то.

Ну и напоследок. Если у меня на полке лежат контакторы, тепловые реле, автоматы и АЗД и мне нужно сочинить простенькую электросхему для одного двигателя то я могу поставить контактор+АЗД+автомат на линии, а могу поставить контактор+теплушку+автомат на линии и в принципе от всех мыслимых неисправностей (пробой фазы на корпус, заклинивание движка, слишком длительная работа с перегрузкой) меня спасет и та, и та схема и вопрос только в компактности (хотя мне кажется и контактор с вставленной в него теплушкой по габаритам практически одинаков с АЗД).

Где я неправильно рассуждаю, чего упускаю?

Только очень прошу, не отправляйте меня больше за ответами в ВКашную помойку, мне прошлого флуда и бестолковых советов на стопицот страниц хватило.

Виктор.

Вопрос был задан на блоге к статье Схемы включения контактора.

А теперь мои ответы:

Виктор, спасибо за интересные вопросы)
1. QF на схеме – это не АЗД, это обычный автомат для защиты от КЗ, по тексту пишу это, видимо не так понятно. РТЛ или АЗД позволяют тонко настроить уставку тепловой защиты под конкретный привод и двигатель. Ориентироваться надо на номинальный и реальный ток.

2. Как и в любом щите, часто бывает многоступенчатая схема (чаще – две ступени). Вводной автомат и групповой (для конкретного движка). Вопрос по селективности остается открытым…

3. АЗД в базовом исполнении контактов не имеет, доп.контакты это доп.устройство, для подачи сигнала. В отличии от РТЛ, у которого доп.контакты – единственные контакты.

4. Верно рассуждаете. РТЛ сейчас практически не используют – это неудобно и малофункционально. В основном везде АЗД.

Эта статья на Дзене:

Другие статьи на тему контакторов и двигателей:

-----------------------------------

Благодарю за внимание!

Подписывайтесь на Дзен СамЭлектрик.ру и делитесь опытом в комментариях!

Заходите в гости во ВКонтакте и Телеграм. Там тоже интересно)

Внимание! Автор делится своим мнением и не гарантирует, что всё написанное на этой странице - истина. За ваши действия и за вашу безопасность ответственны только вы!