Добавить в корзинуПозвонить
Найти в Дзене

П420, П421, П422. Транзисторы с малым содержанием золота.

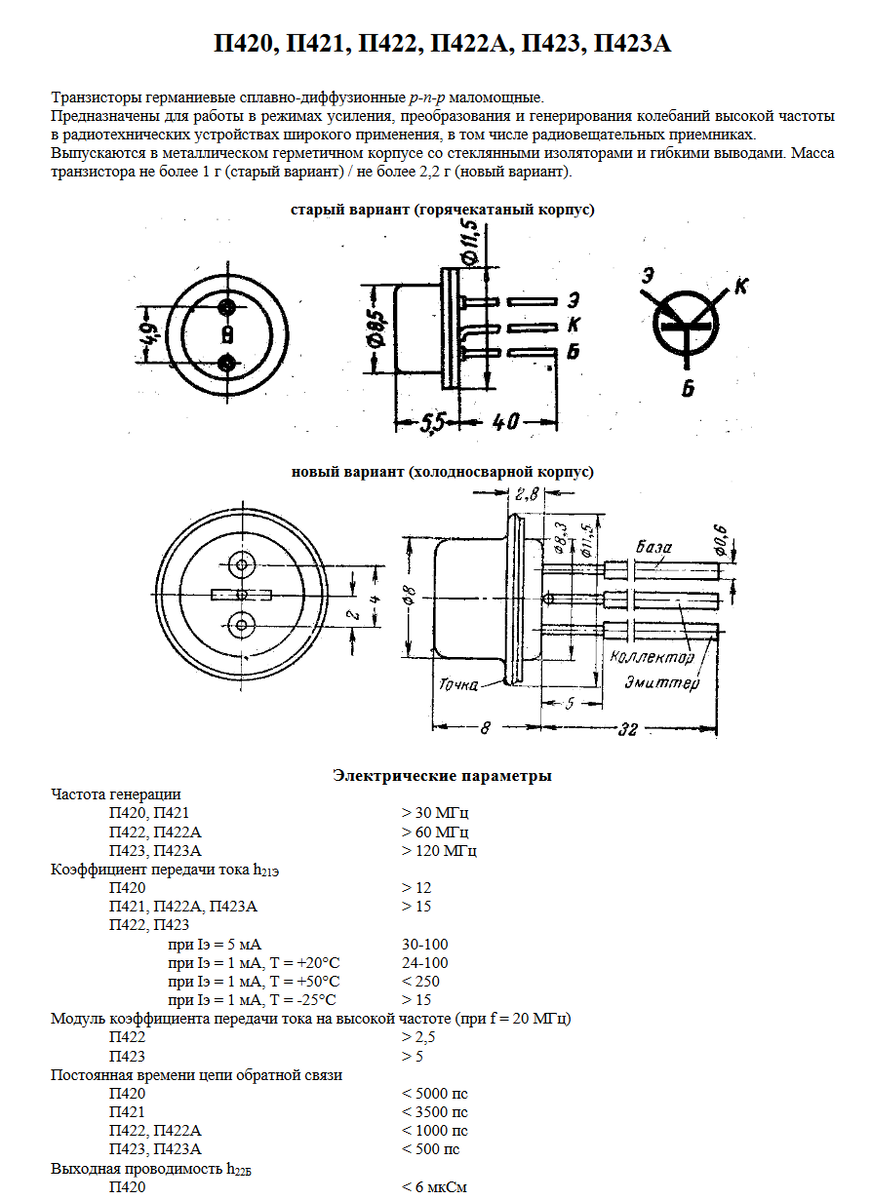
Когда писал статью про транзистор П423: То до кучи туда же нужно было вставить и эти транзисторы. Но тогда П422-го под рукой не было. И что бы более не возвращаться к теме подобных транзисторов, добавлю до кучи описание П420 и П421, хотя сам момент разборки они пропустят. По сути они очень похожи, особенно технологией изготовления и корпусами. По характеристикам различия есть и довольно значительны. Очень большие расхождения по рабочей частоте. Чем больше цифра в наименовании, тем выше рабочая частота, есть ещё ряд расхождений, которые можно будет увидеть в таблице ниже. Но тем кто ещё куда-то паяет данные полупроводники, можно заменять меньшее большим, но не наоборот. П420 можно заменить 421, 422 и 423, но наоборот я бы делать не стал, хотя это зависит от конкретной схемы, возможно куда-то, где мог бы справиться 421-й, впаяли 423-й. А вот и обещанные характеристики на двух листах: 2 Сейчас такие транзисторы уже давно морально устарели. И не думаю, что в современных схемах такие можно

Когда писал статью про транзистор П423:

То до кучи туда же нужно было вставить и эти транзисторы. Но тогда П422-го под рукой не было. И что бы более не возвращаться к теме подобных транзисторов, добавлю до кучи описание П420 и П421, хотя сам момент разборки они пропустят. По сути они очень похожи, особенно технологией изготовления и корпусами. По характеристикам различия есть и довольно значительны. Очень большие расхождения по рабочей частоте. Чем больше цифра в наименовании, тем выше рабочая частота, есть ещё ряд расхождений, которые можно будет увидеть в таблице ниже. Но тем кто ещё куда-то паяет данные полупроводники, можно заменять меньшее большим, но не наоборот. П420 можно заменить 421, 422 и 423, но наоборот я бы делать не стал, хотя это зависит от конкретной схемы, возможно куда-то, где мог бы справиться 421-й, впаяли 423-й. А вот и обещанные характеристики на двух листах:

1
1
-2

2

Сейчас такие транзисторы уже давно морально устарели. И не думаю, что в современных схемах такие можно найти. А в 1970-х - 1980-х такие встречались часто, особенно в высокочастотных каскадах радио приёмников. Средние и длинные волны и даже короткие такие могли усиливать, а для УКВ годился только П423.
Сейчас внутренним содержимым поделится П422-й транзистор. П420 и П421 внутри и снаружи будут такими же. Но что П420, что П421 встречались значительно реже П422 и П423.

Паянный
Паянный

Так выглядит данный прибор, это, как написано на скрине выше, холодносварной корпус. Горячесварные корпуса встречаются реже, они старее и сделали их гораздо меньше, но у меня на разборе подобный корпус был:

Вообще-то транзисторы П420-П423 были завершающими в этой серии высокочастотных маломощных германиевых транзисторов. А между П401 и П423 были ещё другие разработки, например П416-е в таких же корпусах:

П417-й выпускали в эксклюзивном корпусе:

ни у каких других транзисторов подобный корпус не встречался.

Логотип
Логотип

Подобный логотип частенько встречался на транзисторах КТ315:

Но про, не работающий сейчас, завод "Элькор" из Нальчика написал в этой статье:

Дата выпуска.
Дата выпуска.

Транзистор почти мне ровесник. В молодости такие паять приходилось. Но ближе к 1990-м для меня схемы с ними стали не актуальны. Радиоприёмников напаял много и применять их мне было больше некуда, а дальше началась "цифровая" эра и радиоприёмные тракты делал только в телевизорах. Теперь пора разобрать этот транзистор. Холодносварные корпуса разбираются очень просто, про то как это делать написал тут:

У МП39-МП42 корпуса немного отличаются, но разбираются они так же как и П420-П423

Видно золото?, а оно есть.
Видно золото?, а оно есть.

Та лёгкая тень, что идёт от правого вывода к кристаллу полупроводника в центре и есть искомое золото, от левого вывода к кристаллу так же идёт такая же коммутация. Эти два тонюсеньких проводка и есть все драгметаллы в этих транзисторах, других нет. А потому посмотрю что пишет интернет про содержание золота в подобных транзисторах.
Для П420-го и П421-го данных в сети почти нет, но исходя из того, что П420-П423 делали по одной технологии, очевидно будет, что содержание золота в них будет одинаковым и составит
0,000082969 грамма с одного корпуса. с 10000 штук можно взять меньше грамма жёлтого металла.
Кстати содержание золота подтверждает такой паспорт:

Паспорт, а не этикетка
Паспорт, а не этикетка

Как видно из фотографии и паспорта, золота тут мизер. В статье про П416-й считал рентабельность переработки подобных и уже тогда, когда золото стоило по 5000 рублей за грамм, смысл перерабатывать подобные был. Сейчас золото дорожает быстрее компонентов для аффинажа и смысл самостоятельно перерабатывать подобные всё больше и больше.
И других вариантов почти нет. Специализированные приёмки такие не принимают, а срезка, как и многие металлы сейчас подешевела. Как вариант, закидывать такие когда перерабатывается магнитный материал до кучи, предварительно сорвав шляпку, которая тут из лужёной меди. 5-10 штук не особо скажутся на расходе кислот, а то золото которое получится взять, хотя бы покроет потери при аффинаже.
Как перерабатывать подобный материал показал в этом видео:

А можно на таких спаять приёмник прямого усиления и слушать радиостанцию "Судного дня".