Найти в Дзене

Очень интересный кварцевый генератор.

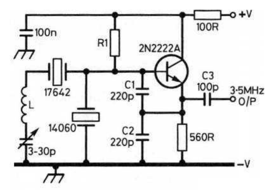
Чего только не встретишь в интернете! Вот и встретил одну очень интересную схему в статье английского радиолюбителя G3ESP (W. Farrar) "Экспериментальный кварцевый генератор на 3,5 МГц" Он предложил при отсутствии кварца на нужную частоту использовать метод вычитания частот двух кварцевых генераторов. Только вот вместо двух независимых генераторов и смесителя он предложил вот такую интересную схему.

Рис. 1. С сайта http://rfanat.qrz.ru/s20/mixervfo.html?ysclid=mamkd2a9gr161617631
Рис. 1. С сайта http://rfanat.qrz.ru/s20/mixervfo.html?ysclid=mamkd2a9gr161617631

Здесь транзистор работает и в двухчастотном генераторе, и в смесителе. Причем частота одного кварца может сдвигаться с помощь. LC-цепочки, включенной последовательно с одним из кварцев. В преобразователе происходит вычитание из более высокой частоты более низкой, в результате чего образуется необходимая частота около 3,5 МГц, причем перекрывается телеграфный участок и участок FT8.

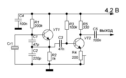
У меня сразу возникло желание убедится в работоспособности данной схемы. Покопался в коробке с разными генераторами и нашел нужную платку. Вот ее схема:

Рис. 2.
Рис. 2.

Переделывать ничего не стал, и так сойдет, - главное - работает или нет. Кварцев, как у автора, у меня не было и я взял кварцы 9 и 16 МГц, чтобы в результате получилась частота 7 Мгц.

Первым делом решил ставить кварцы по одному, чтобы сравнить их активность.. Первым установил более высокочастотный кварц.

Рис. 3.
Рис. 3.

Размах колебаний установил резистором R4, чтобы был неискаженный сигнал. Посмотрел спектр сигнала с помощь. TinySA.

Рис. 4.
Рис. 4.

Так как диапазон просматриваемых частот от 1 до 30 МГц, то вторую гармонику не видно.

Затем убрал этот кварц и подсоединил другой на 9 МГц.

Рис. 5.
Рис. 5.

Амплитуда гораздо выше. Не знаю, хорошо ли это? Мне кажется, что размах колебаний на обоих частотах должен быть примерно равным. Поэтому последовательно с кварцевым резонатором я включил подстроечный резистор 500 Ом. При максимальном его сопротивлении колебания срывались, а при его снижении колебания возникали.

Рис. 6.
Рис. 6.

Установил такой же размах, как у резонатора 16 МГц. Конечно, сигнал - не синусоида и я должен увидеть гармоники.

Рис. 7.
Рис. 7.

Так и оказалось, я увидел вторую гармонику, а вот третьей почему-то не было. Теперь параллельно подпаиваю второй кварц.

Рис. 8.
Рис. 8.
Рис. 9.
Рис. 9.

Увы, на осциллографе только колебания с частотой 16 МГц. Начал уменьшать сопротивление резистора R6 и генератор завелся и на на второй частоте, о чем говорила очень корявая осциллограмма.

Рис. 10.
Рис. 10.

А на анализаторе - картина маслом.

Рис. 11.
Рис. 11.
Рис. 12.
Рис. 12.

Тут пики резонаторов Кв1 и Кв2, разностная частота и суммарная частоты, а также результат взаимодействия разностной частоты и частоты Кв1, показанная зеленой стрелкой.

Эта чуднАя схема работает! Конечно, сигнал разностной частоты нужно выделить, но это не проблема. Нужно включить на выходе или ФНЧ с частотой среза 7 МГц, или колебательный контур, настроенный на 7 МГц.

В статье меня удивила рекомендация по изготовлению катушки (рис. 1): "Ее можно намотать на ферритовом сердечнике 400Н диаметром 2,8 мм и длиной 12...14 мм, количество витков - 26, провод ПЭЛ-0.4. Думаю, что можно
использовать стандартный ВЧ дроссель на 10 мкГ." Ну, про 400НН - это от переводчика :)), но какая будет стабильность частоты при использовании такой катушки - это вопрос. Ответ даст только эксперимент, тем более, что такие стерженьки у меня есть :)).

Всем здоровья и успехов!