Добавить в корзинуПозвонить
Найти в Дзене

Народный BLDC. Питание драйверов и МК

В книге Рюмика С.М. "1000 и одна микроконтроллерная схема" есть такое решение: Один из каналов может обслуживать цифровую, а другой канал — аналоговую часть устройства, практически "не мешая" друг другу. Это бывает критично, когда от того же источника питается мощная нагрузка вроде BLDC мотор-колеса. Он поглощает громадную (по сравнению с МК) энергию, а силовые ключи создают импульсные помехи - "тянут одеяло на себя". Если развить идею разделения каналов питания, то можно прийти к следующей схеме: На входе модуля (перед дросселем) ставится диод с малым временем восстановления (Шоттки, HER, FR). Когда потенциал на входе стабилизатора падает ниже напряжения в самом модуле, то диод "отключает" модуль от источника питания. Энергия, запасенная в конденсаторах не "уходит в землю", а подпитывает активную часть преобразователя. Более того, при "обрыве" магнитная энергия, запасенная в катушке индуктивности высвобождается и дополнительно подпитывает конденсаторы. Без диода модуль будет "знатно
Оглавление

В книге Рюмика С.М. "1000 и одна микроконтроллерная схема" есть такое решение:

Разделение двух «пятивольтовых» каналов питания через LC-фильтры.
Разделение двух «пятивольтовых» каналов питания через LC-фильтры.

Один из каналов может обслуживать цифровую, а другой канал — аналоговую часть устройства, практически "не мешая" друг другу. Это бывает критично, когда от того же источника питается мощная нагрузка вроде BLDC мотор-колеса.

Он поглощает громадную (по сравнению с МК) энергию, а силовые ключи создают импульсные помехи - "тянут одеяло на себя".

Народный BLDC. Идея
Нейронные эксперименты28 апреля 2025

Идея

Если развить идею разделения каналов питания, то можно прийти к следующей схеме:

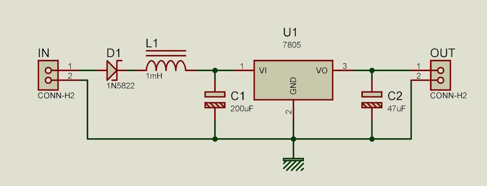
Преобразователь 12В - 5В (питание МК)
Преобразователь 12В - 5В (питание МК)

На входе модуля (перед дросселем) ставится диод с малым временем восстановления (Шоттки, HER, FR). Когда потенциал на входе стабилизатора падает ниже напряжения в самом модуле, то диод "отключает" модуль от источника питания. Энергия, запасенная в конденсаторах не "уходит в землю", а подпитывает активную часть преобразователя.

Более того, при "обрыве" магнитная энергия, запасенная в катушке индуктивности высвобождается и дополнительно подпитывает конденсаторы.

Моделирование в Multisim

Без диода модуль будет "знатно колбасить". См. рисунки ниже.

Переходной процесс без диода (ВКЛ/ВЫКЛ). Синим - напряжение на конденсаторе C1. Красным - напряжение на входе модуля.
Переходной процесс без диода (ВКЛ/ВЫКЛ). Синим - напряжение на конденсаторе C1. Красным - напряжение на входе модуля.
Переходной процесс с диодом (ВКЛ/ВЫКЛ). Синим - напряжение на конденсаторе C1. Красным - напряжение на входе модуля.
Переходной процесс с диодом (ВКЛ/ВЫКЛ). Синим - напряжение на конденсаторе C1. Красным - напряжение на входе модуля.

Модуль превращается на короткое время в источник бесперебойного питания. В зависимости от емкости конденсаторов, индуктивности катушки и тока потребления время "автономии" может доходить до десятков миллисекунд.

Этого вполне достаточно для компенсации "провалов" в питании МК.

Если же поставить ионисторы, то время буферизации будет исчисляться секундами и, возможно, минутами. Но у них max напряжение 2,7В, поэтому придется усложнять схему. В перспективе - возможно.

Плата БП МК

Преобразователь 12В - 5В (питание МК)
Преобразователь 12В - 5В (питание МК)

Единственный SMD компонент - диод Шоттки 1N5822 (40​В 3А). Он тут с большим запасом, но другого у меня не было.

Преобразователь 12В - 5В (питание МК)
Преобразователь 12В - 5В (питание МК)

Микросхема-стабилизатор повернута не в ту сторону, потому что я делал трассировку на бумаге. Так было быстрее. Но я забыл "отзеркалить" дорожки.

Плата БП MOSFET

Преобразователь 15В -12В (питание драйверов)
Преобразователь 15В -12В (питание драйверов)

Делая преобразователь на 12В я учел этот недочет.

Преобразователь 15В -12В (питание драйверов)
Преобразователь 15В -12В (питание драйверов)

В качестве диодов стоят 2 шт FR107 (1000​В 1А). Емкости на входе тоже парами - для увеличения емкости и для повышение надежности за счет дублирования. Наверное я перестраховался после фиаско с преобразователем АКБ - 15В. Дроссели и диоды FR из электронных балластов люминесцентных ламп разных калибров.

Все это можно сделать гораздо компактнее, используя SMD элементы, но я использовал, что есть "в хозяйстве". Плюс ко всему ремонтировать такие схемы проще, да и габариты позволят лучше проводить большие токи - эффективнее охлаждаться.

В конечном итоге суммарный объем модулей контроллера будет сравним с популярными китайскими.

Питание в фабричных контролерах

Хочу обратить ваше внимание, что Преобразователь для питания МК маркируется как "12В - 5В", а не "15В - 5В". Дело в том, что у фабричных контролерах используется вот такая схема питания:

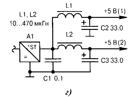
Китайский контроллер BLDC. Питание драйверов и МК.
Китайский контроллер BLDC. Питание драйверов и МК.

Видно, что 48В преобразуется в 15В c помощью LM317, а не как у меня с помощью TL431. Просто у меня нет таких микросхем в запасе. Они стоят на Али по доллару за 10 шт, а у нас в магазине полбакса за штуку. Я решил не покупать, а делать на том, что есть.

TL431 vs LM317

Это хороший вариант. Но TL431, в отличие от LM317, может выдержать max ток не 1.5А, а только 0.1А (это источник опорного напряжения, а не стабилизатор), поэтому ему нужен транзистор для усиления. Max напряжение у LM317 равно 37В, поэтому ток дополнительно гасится резистором R2 мощностью 5Вт (V в прямоугольнике), который в идеале должен выглядеть так:

Резистор SQP 5 Вт 330 Ом
Резистор SQP 5 Вт 330 Ом

Но ставятся металл-оксид пленочный резисторы. Для компактности и снижения стоимости. Они 5Вт рассеивают не так эффективно как проволочно-цементные.

Так что мой вариант: TL431 + КТ805ВМ, который выдает 5Вт (а может и более) - не самый плохой. К тому же транзистор можно "посадить" на радиатор.

Стабилизатор питания МК на 5В ставят, естественно, после понижения до 15В. Это делается для дополнительной защиты: сгорает LM317 - L7805 и МК остаются целыми.

Питание CPU

В самой схеме питания МК есть свои "навороты". Если сгорит L7805, то резисторы R6 и R7 ограничат ток на МК. Есть модели, где ставят дополнительно стабилитрон как на схеме ниже:

Китайский контроллер BLDC. Питание МК. Дополнительный стабилитрон.
Китайский контроллер BLDC. Питание МК. Дополнительный стабилитрон.

78L05 выдает max ток 100 мА. Его вполне достаточно, т.к. ATmega328 имеет max потребление тока 50 мА. Цепь со стабилитроном выдает 5В при токе 20 мА и менее (может вырасти до 5.6В). При потреблении 30мА выдает 3.3В.

Тут тест преобразователя 12В - 5В.

Преобразование преобразователя

Я изначально использовал последовательную схему: АКБ-15В-12В-5В. Но после изготовления новых модулей буду использовать:

Схема питания контроллера
Схема питания контроллера

Чтобы силовые полумосты и МК были максимально независимы по питанию. В перспективе допускаю установку гасящих резисторов и стабилитронов в данных модулях.

Ардуинку жалко.

Про большой китайский сайт я ничего не знаю, интернетом пользоваться не умею и, кроме импортозамещения, ничем не занимаюсь.