Добавить в корзинуПозвонить
Найти в Дзене
Проект И.Т.П

Работа ради работы или чем отличается проектировщик от ремесленника

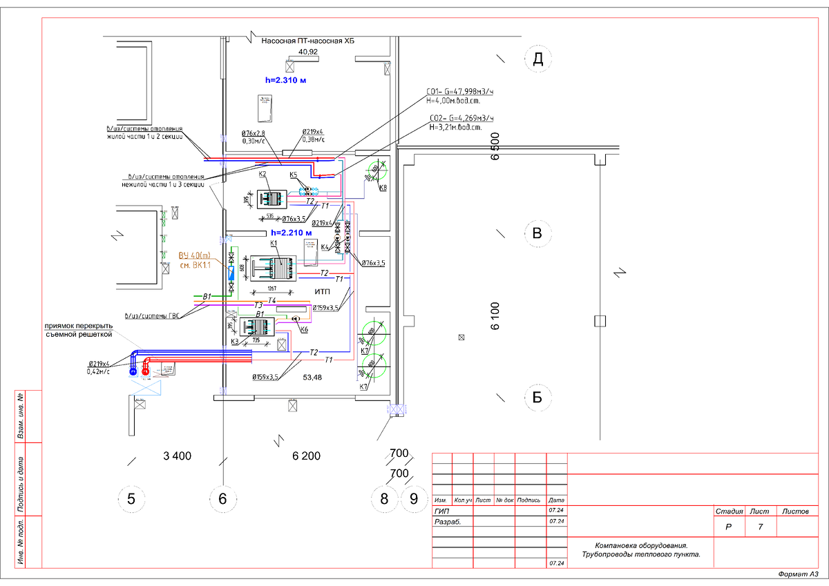
В предыдущем посте я показывал проект итп "курильщика". Так как "допиливать" сие творение приходится мне, то покажу, что у меня получится, но чуть позже. Сегодня про то, чем нормальные проектировщик отличается от человека, который умеет пользоваться каким-то CADом. Напомню, что в проекте представлена, если так можно выразиться, расстановка оборудования: Проверить проект я не могу, потому что не предоставляют исходку, поэтому моя задача поднять модель и сделать виды/разрезы/спецификацию. И вот к сути поста: А суть проста - высота помещения 2200 мм, то есть все трубопроводы, под которыми люди должны проходить, располагаются на высоте 2000 мм. А теперь обратите внимание на то, на какой высоте верх теплообменника, который подобрали - 2148 мм. То есть над ним, я проверил, трубопроводы не получится провести, тем более по проекту там трубопроводы отопления Ду 200. Если бы я делал проект и столкнулся с такой проблемой - переподобрал бы теплообменник на более низкий, пусть и более длинный, мес
Результат работы, который никому не нужен
Результат работы, который никому не нужен

В предыдущем посте я показывал проект итп "курильщика".

Так как "допиливать" сие творение приходится мне, то покажу, что у меня получится, но чуть позже.

Сегодня про то, чем нормальные проектировщик отличается от человека, который умеет пользоваться каким-то CADом.

Напомню, что в проекте представлена, если так можно выразиться, расстановка оборудования:

Ну да, автокад стерпит, а потом и бумага
Ну да, автокад стерпит, а потом и бумага

Проверить проект я не могу, потому что не предоставляют исходку, поэтому моя задача поднять модель и сделать виды/разрезы/спецификацию.

И вот к сути поста:

Впихнуть невпихуемое
Впихнуть невпихуемое

А суть проста - высота помещения 2200 мм, то есть все трубопроводы, под которыми люди должны проходить, располагаются на высоте 2000 мм.

А теперь обратите внимание на то, на какой высоте верх теплообменника, который подобрали - 2148 мм.

То есть над ним, я проверил, трубопроводы не получится провести, тем более по проекту там трубопроводы отопления Ду 200.

Если бы я делал проект и столкнулся с такой проблемой - переподобрал бы теплообменник на более низкий, пусть и более длинный, место позволяет:

Есть куда расти
Есть куда расти

А тот, кто делал "проект" до меня, даже не подумал про это, да куда там подумать, ни одного разреза нет...

И то правда
И то правда

Короче, замучался я разводить трубы в этом ИТП, а там еще пилоны, которые не помогают ни разу.

Скоро покажу, что получилось. Осталось металлокаркас сделать и оформить разрезы и виды.