Добавить в корзинуПозвонить
Найти в Дзене
Достойный

Передача голоса "морзянкой" CW voice в средневолновом диапазоне

Продолжение статьи ЧМ/ФМ передатчик на Ардуино и DDS модуле AD9833 (FM/Phase Transmitter AD9833) Желание добиться результата, указанного в статье выше, с минимальными затратами привело к использованию микроконтроллера, подключённого по схеме из статьи Arduino — микромощный передатчик радиовещательного АМ-диапазона Как модулятора стандартного кварцевого генератора. К выводу 9 Ардуины подключена не антенна, а "плюс" питания кварцевого генератора. Вот такого, например На всем известном китайском сайте очень широкий выбор таких генераторов, я купил на 1,544 мегагерца, что бы сигнал можно было поймать обычным средневолновым приёмником. Напряжение питания такого генератора 3,3 вольта, что и выдаёт Ардуино. В итоге получился ШИМ-передатчик, даже без антенного провода, за счёт дальнобойности предаваемых немодулированных сигналов (фактически это "морзянка" CW), способный работать в диапазоне средних волн. ШИМ в КВ диапазоне Развитие этой технологии привело к возможности предавать таким обр

Продолжение статьи ЧМ/ФМ передатчик на Ардуино и DDS модуле AD9833 (FM/Phase Transmitter AD9833)

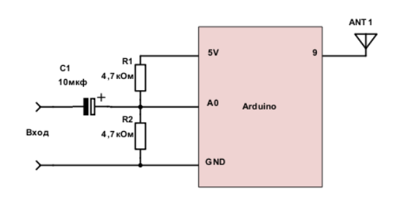
Желание добиться результата, указанного в статье выше, с минимальными затратами привело к использованию микроконтроллера, подключённого по схеме из статьи Arduino — микромощный передатчик радиовещательного АМ-диапазона

микромощный передатчик из Ардуино
микромощный передатчик из Ардуино

Как модулятора стандартного кварцевого генератора. К выводу 9 Ардуины подключена не антенна, а "плюс" питания кварцевого генератора. Вот такого, например

скриншот
скриншот

На всем известном китайском сайте очень широкий выбор таких генераторов, я купил на 1,544 мегагерца, что бы сигнал можно было поймать обычным средневолновым приёмником. Напряжение питания такого генератора 3,3 вольта, что и выдаёт Ардуино.

скриншот из спецификации
скриншот из спецификации

В итоге получился ШИМ-передатчик, даже без антенного провода, за счёт дальнобойности предаваемых немодулированных сигналов (фактически это "морзянка" CW), способный работать в диапазоне средних волн.

ШИМ в КВ диапазоне

Развитие этой технологии привело к возможности предавать таким образом стереосигнал с временным разделением каналов и возможностью приёма суммарного сигнала левого и правого канала на самый обычный радиоприёмник