Добавить в корзинуПозвонить
Найти в Дзене
Микрула

Разница между дешевым и дорогим тональным кремом под микроскопом

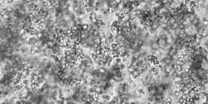
Тюбик 50 мл по 130 рублей против корейского экземпляра, 30 мл которого стоят в 10 раз дороже. Рассмотрим как сильно они отличаются визуально, не затрагивая их косметические свойства. Дешевый вариант (слева) представляет из себя единую массу, под микроскопом больше похожую на пляжный песок. В дорогом (справа) — компоненты легко отличить друг от друга. В этом «песочке» крайне редко можно встретить интересные детали, но вот, например, частичка яркого красителя — результат плохого перемешивания. Дешевый вариант более текуч, из-за чего на предметном стекле микроскопа этот крем приобретает причудливые формы. Более детальные снимки можно получить лишь растворив образцы в жидкости. При этом дешевый тональный крем легко растворяется в воде. Вступив с ней в контакт частицы разносятся по кадру бушующим потоком. Почти все компоненты этого тонального крема растворяются водой. Выделяются лишь микроскопические капельки зеленоватого цвета. Вероятнее всего, это эфирные масла, так как образец этого кре

Тюбик 50 мл по 130 рублей против корейского экземпляра, 30 мл которого стоят в 10 раз дороже. Рассмотрим как сильно они отличаются визуально, не затрагивая их косметические свойства.

Дешевый вариант (слева) представляет из себя единую массу, под микроскопом больше похожую на пляжный песок. В дорогом (справа) — компоненты легко отличить друг от друга.

В этом «песочке» крайне редко можно встретить интересные детали, но вот, например, частичка яркого красителя — результат плохого перемешивания.

-3

Дешевый вариант более текуч, из-за чего на предметном стекле микроскопа этот крем приобретает причудливые формы.

Более детальные снимки можно получить лишь растворив образцы в жидкости. При этом дешевый тональный крем легко растворяется в воде. Вступив с ней в контакт частицы разносятся по кадру бушующим потоком.

-5

Почти все компоненты этого тонального крема растворяются водой. Выделяются лишь микроскопические капельки зеленоватого цвета. Вероятнее всего, это эфирные масла, так как образец этого крема имеет довольно ощутимый запах.

Увеличение ×1000
Увеличение ×1000

Эфирные капельки спокойно дрейфуют на поверхности, в то время как остальные компоненты проносятся в нижних слоях жидкости.

-7

С дорогим тональным кремом всё иначе. Он почти полностью состоит из компонентов, не вступающих в контакт с водой — водяные шарики просто катаются по его поверхности. Мне удалось получить более или менее однородную массу лишь смешав крем с глицерином. При этом в вязком глицерине не образуются никакие потоки. Крем просто лежит на дне этой прозрачной жидкости.

-8

Тонер при этом не расплывается, так как зафиксирован в увлажняющей основе.

Размеры тонирующих частиц в обоих кремах примерно одинаковые, но в дешевом варианте (слева) из-за жидкой основы в тонких слоях частицы распределяются не равномерно.

-10

Крем за 130 рублей можно довольно долго размазывать по поверхности как глину, пока жидкая основа не подсохнет и тонер не зафиксируется на коже.

-11

Увлажняющая основа корейского крема быстро впитывается, оставляя после себя достаточно ровный, но при этом не столь ощутимый слой тонера.

-12

Подробнее об этом креме в статье «Правда ли, что CC-крем подстраивается под тон кожи?».

Понятно, что у каждого из этих вариантов своё предназначение, но по крайней мере теперь видно, за что вы платите, выбирая тот или иной продукт.