Найти в Дзене
СамЭлектрик.ру

Монитор тока двигателя - защита на контроллере

Как тебе такое Айлон Маск! Схема монитора тока двигателя (устройство защиты электродвигателя) из бородатого 2008 года! Прислал читатель Александр схемотехник в комментариях к статье: 1. Контроллерная часть Схемы легко приблизить, если вы смотрите их на телефоне. При просмотре с ПК нужно открыть их в новой вкладке. 2. Входы - выходы 3. Силовая часть От Администратора канала: Плюс схемы защиты на трансформаторах тока - уменьшается число силовых элементов типа АЗД (мотор-автоматов) или РТЛ (теплушек). Значит - вероятность выхода из строя всей схемы минимален. Кроме того, меньше вероятность того, что кто-то захочет полезть и покрутить уставку защиты. Вот пример реализации схемы управления и защиты двигателя на контроллере и трансформаторах тока: Но у меня вопрос - зачем городить такое сложное устройство, если есть готовые изделия? Коллеги, если есть мысли, предлагаю обсудить их в комментариях. Статьи в защиту двигателей: Ну а кто очень сильно интересуется темой, приглашаю в подборку Пр
Оглавление

Как тебе такое Айлон Маск! Схема монитора тока двигателя (устройство защиты электродвигателя) из бородатого 2008 года!

Прислал читатель Александр схемотехник в комментариях к статье:

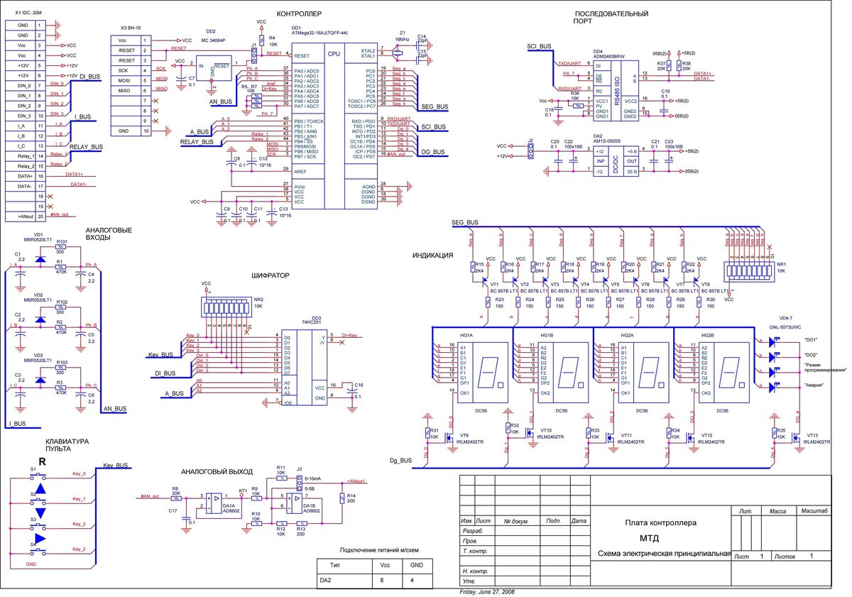
1. Контроллерная часть

Схемы легко приблизить, если вы смотрите их на телефоне. При просмотре с ПК нужно открыть их в новой вкладке.

2. Входы - выходы

-2

3. Силовая часть

-3

От Администратора канала:

Плюс схемы защиты на трансформаторах тока - уменьшается число силовых элементов типа АЗД (мотор-автоматов) или РТЛ (теплушек).

Значит - вероятность выхода из строя всей схемы минимален.

Кроме того, меньше вероятность того, что кто-то захочет полезть и покрутить уставку защиты.

Вот пример реализации схемы управления и защиты двигателя на контроллере и трансформаторах тока:

Компрессор, звезда-треугольник
Компрессор, звезда-треугольник

Но у меня вопрос - зачем городить такое сложное устройство, если есть готовые изделия?

Коллеги, если есть мысли, предлагаю обсудить их в комментариях.

Статьи в защиту двигателей:

Ну а кто очень сильно интересуется темой, приглашаю в подборку Промышленное.

-----------------------------------

Подписывайтесь на Дзен СамЭлектрик.ру и делитесь опытом в комментариях!