Найти в Дзене
PRACTICAL ELECTRONICS

Плавное включение электроинструмента

Применение Устройства плавного включения или по-другому устройства плавного пуска (УПП) широко применяются при эксплуатации электродвигателей, соединёнными с различными механизмами. Применение таких устройств позволяет в значительной мере повысить эксплуатационные качества, в плане надёжности и долговечности, как электрической части машины, так и её механической составляющей. На данный момент большинство электроинструмента в продаже уже содержат кнопку плавного включения. Такие устройства в современных электроинструментах представляют собой отдельные блоки-кнопки, как правило ремонт которых изготовителем не предусмотрен (но это не про нас), не редко совмещённых с регулятором оборотов. Но и выходят они из строя тоже довольно часто, а цена на них несоизмеримо высока. Если вообще удастся найти нужную модель, это конечно не относится к брендовым маркам инструментам типа Makita, для которых предлагается всё до последней прокладки. Предлагаемое в публикации устройство является стационарным У
Оглавление

Применение

Устройства плавного включения или по-другому устройства плавного пуска (УПП) широко применяются при эксплуатации электродвигателей, соединёнными с различными механизмами. Применение таких устройств позволяет в значительной мере повысить эксплуатационные качества, в плане надёжности и долговечности, как электрической части машины, так и её механической составляющей.

На данный момент большинство электроинструмента в продаже уже содержат кнопку плавного включения. Такие устройства в современных электроинструментах представляют собой отдельные блоки-кнопки, как правило ремонт которых изготовителем не предусмотрен (но это не про нас), не редко совмещённых с регулятором оборотов.

Но и выходят они из строя тоже довольно часто, а цена на них несоизмеримо высока. Если вообще удастся найти нужную модель, это конечно не относится к брендовым маркам инструментам типа Makita, для которых предлагается всё до последней прокладки.

Предлагаемое в публикации устройство является стационарным УПП, которое можно встроить в удлинитель, стену с розеткой или выполнить в качестве отдельного блока. Работает устройство с коллекторными двигателями.

Схема электрическая и принцип работы

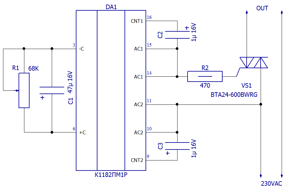
Схема электрическая принципиальная плавного включения электроинструмента
Схема электрическая принципиальная плавного включения электроинструмента

Схема построена на микросхеме К1182ПМ1Р - фазовом регуляторе. Не берусь точно сказать выпускает сейчас их промышленность или нет, но в продаже они есть и стоят порядка 240 ₽.

В схеме включения использован внешний симистор - на ток 24 А. Сама микросхема имеет внутри свой собственный симистор и позволяет управлять нагрузкой мощностью до 150 Вт (без внешнего симистора). Также существует возможность параллельного включения нескольких микросхем для увеличения мощности.

Время включения зависит от ёмкости конденсатора С1, и при номинале, указанном на схеме, составляет около 2 сек. Для увеличения времени ёмкость С1 соответственно следует увеличить.

Параллельно С1 подключен резистор R1, которым можно регулировать обороты двигателя. При уменьшении сопротивления обороты снижаются. Если в регулировки нет необходимости, ставят постоянный резистор.

Конструкция

Печатная плата для схемы плавного включения электроинструмента
Печатная плата для схемы плавного включения электроинструмента

Печатная плата показана, как вариант, т.к. зачастую подобные схемы выполняются, в зависимости от использования навесным монтажом.

Теплоотвод для симистора VS1, а также его тип рассчитывается исходя из предполагаемой максимальной мощности используемого электроинструмента.