Добавить в корзинуПозвонить
Найти в Дзене
УЧИМСЯ САМИ

Многодиапазонный приемник - 15. Доработки, конструктивное оформление, калибровка.

Старый советский анекдот: На авиационный завод приходит комплект технической документации на новейший реактивный самолет. С ним разбираются и запускают в работу. И вот наступает день окончательной сборки первого изделия. На выходе сборочного цеха получается... паровоз! Что такое? Всё перепроверяют, собирают еще раз, тщательно соблюдая мельчайшие нюансы технологических карт - опять получается паровоз. Наконец, один из инженеров догадывается: - А-а, это нам еще не пришли "Извещения об изменениях в техдокументации"! Что ж, появление подобных историй закономерно у тех, кто реально сам что-то создает, прокладывая путь через неизвестность, а не покупает готовую отверточную технологию у китайцев. Вот и нам не получается избежать подобных историй. Достаточно сказать, что автор заранее предусмотрел на лицевой панели всё - даже отверстия для установки еще не собранных дополнительных блоков подавления помех. Но забыл... выключатель питания! Даже места для него не оказалось. Пришлось ставить на ме

Старый советский анекдот:

На авиационный завод приходит комплект технической документации на новейший реактивный самолет. С ним разбираются и запускают в работу. И вот наступает день окончательной сборки первого изделия. На выходе сборочного цеха получается... паровоз! Что такое? Всё перепроверяют, собирают еще раз, тщательно соблюдая мельчайшие нюансы технологических карт - опять получается паровоз.

Наконец, один из инженеров догадывается:

- А-а, это нам еще не пришли "Извещения об изменениях в техдокументации"!

Что ж, появление подобных историй закономерно у тех, кто реально сам что-то создает, прокладывая путь через неизвестность, а не покупает готовую отверточную технологию у китайцев. Вот и нам не получается избежать подобных историй. Достаточно сказать, что автор заранее предусмотрел на лицевой панели всё - даже отверстия для установки еще не собранных дополнительных блоков подавления помех. Но забыл... выключатель питания! Даже места для него не оказалось. Пришлось ставить на место выключателя громкоговорителя трехпозиционный тумблер. Среднее положение - выкл., верхнее - прием на встроенный динамик, нижнее - прием на наушники.

ДОРАБОТКИ БЛОКА ПЧ.

1. Выведение резистора R8 регулировки усиления по ПЧ в полный ноль сопротивления приводит к бесконтрольному наращиванию усиления каскада, в том числе и на частотах, намного больших рабочих его частот, что иногда выражается в самовозбуждении и резком снижении уровня полезного сигнала. Рекомендуем включить последовательно с R8 дополнительный резистор R18 небольшого сопротивления в 22 - 30 Ом. Снижение усиления на основной частоте - незначительно.

2. Замена диодов. Для АМ-детектора (также работающего в системе АРУ) необходимы максимально чувствительные германиевые высокочастотные диоды. Основная задача при создании приемника заключалась в использовании наиболее доступной и широкораспространенной элементной базы. Поэтому автор выбрал наиболее доступные сейчас китайские германиевые диоды типа 1N34. Однако сейчас кремниевые полупроводниковые диоды практически вытеснили германиевые. Не столько даже из-за своей термостойкости, сколько из-за намного большей распространенности кремния в земной коре. Зная падкость китайцев на некачественную дешевку, я на всякий случай решил убедиться, что это действительно германиевые диоды, а не обычные сейчас кремниевые. Результаты оказались какими-то "промежуточными". Отсюда и появилась в описании осторожная фраза: "Помимо указанных на схеме диодов, старые советские Д9, Д311 или ГД507 будут работать, пожалуй, даже лучше." Все же я спаял и отладил схему именно на них. Однако не особо хороший прием АМ-станций побудил меня заняться этим вопросом основательнее. Я собрал установку для снятия характеристик диодов и она дала в высшей степени интересные результаты.

Как вы видите, простая замена китайских диодов на любые советские серии Д9 удваивает чувствительность приемника и снижает искажения. А использование диодов серии Д9Б или ГД507 увеличивает чувствительность в 3-4 раза по сравнении с китайцами! Так что не связывайтесь с этой гадостью. При тех миллионах, если не миллиардах, диодов, которые навыпускала советская промышленность вы их где-нибудь да найдете. Только проверьте б/у диоды, не спалил ли их кто до вас, и не напутайте с полярностью при монтаже!

ДОРАБОТКА ВХОДНОГО АТТЕНЮАТОРА

В ходе многочисленных испытаний аппарата в режиме реального радиоприема выяснилось, что включение входного аттенюатора уж слишком резко сажает уровень сигнала. Пожалуй, будет удобнее (тем более пока у нас еще нет УРЧ) уменьшить степень ослабления. Проще всего это сделать, удвоив сопротивление R63.

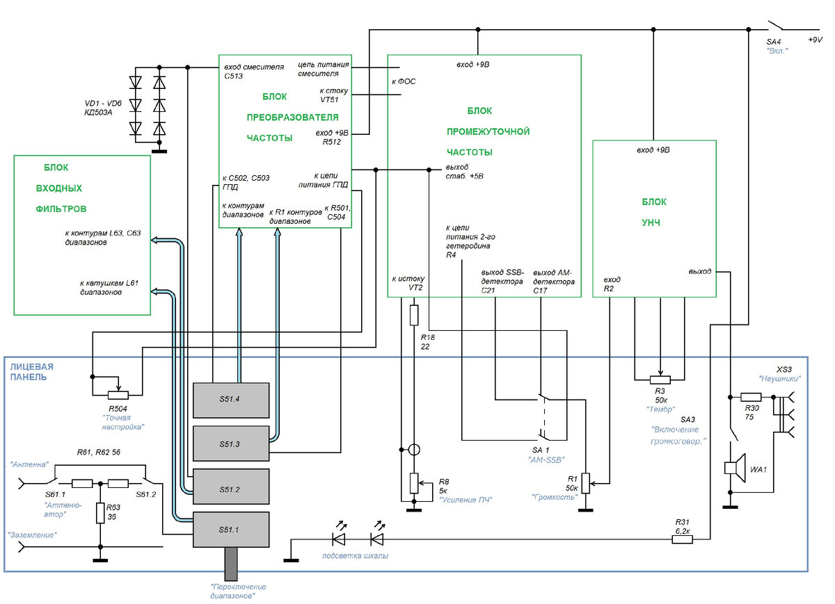
ОБЩАЯ БЛОК-СХЕМА

Схема межблочных соединений приемника
Схема межблочных соединений приемника

ШКАЛЬНЫЙ МЕХАНИЗМ

Если вы используете переключатель диапазонов всего на 5 положений, то можете поступить, так же, как мы это делали при постройке ВЧ-генератора - прикрепить к ручке настройки большой диск, на котором разместить 5 концентрических шкал (ВЧ-диапазоны - снаружи, низкочастотные диапазоны - ближе к центру). Однако при переключателе, дающем возможность сделать 11 диапазонов, это уже не вариант.

Но и шкальный механизм на 11 диапазонов - та еще задачка. Такая шкала получится достаточно широкой. Вряд ли длинный указатель, тем более в самоделке, всегда будет строго перпендикулярен тросику настройки. А это снизит точность. И тут автору пришла неожиданная идея - сделать 2 шкалы последовательно! Тем более, что вращение главного шкива на оси КПЕ всего на пол-оборота дает длину шкалы всего около 75 мм. Цепляем на тросик два указателя настройки, по одной шкале ориентируемся в НЧ-диапазонах, по другой в ВЧ. По ширине достаточно всего 6 шкал, одна остается для диапазонов, которые мы будем принимать с помощью дополнительного блока - конвертера. (для этой цели можно даже увеличить ширину до 7 шкал)

-3

Спереди подшкальник опирается на дюралевый уголок, привинченный изнутри к лицевой панели, а сзади - на П-образную стойку из толстого оргстекла.

Само собой, шкала оснащается подсветкой из парочки последовательно включенных светодиодов белого цвета в противоположных углах, одновременно служащих и индикаторами включения. Кстати, если вы выпилите подшкальник из обычного фольгированного стеклотекстолита, то по его краю можно будет вырезать или вытравить дорожки для соединения светодиодов и установки резистора. Со временем автор намерен сделать еще одну такую цепочку, один из светодиодов будет отдельно подсвечивать переключатель диапазонов, а другой - оставшуюся часть лицевой панели. Благо, что для каждой цепочки достаточно менее 1 мА. Вообще, относительно несложная аналоговая техника демонстрирует хорошую экономичность. Наш приемник при работе на средней громкости потребляет не более 20 мА, работоспособность сохраняется в диапазоне питающих напряжений не хуже 7,5 - 10,5 В.

Натяжение тросика поддерживается подходящей пружинкой. Но недопустимо просто перебрасывать тросик через шкив на оси КПЕ, как в обычной ременной передаче. Неизбежные проскальзывания нарушат соответствие между метками на шкале и реальной настройкой аппарата. Концы тросика должны быть заделаны на этом шкиве. Для этого в нем сверлятся 3 отверстия диаметром 3-4 мм. Чтобы острые, под углом 90 градусов, края отверстий не перерезали тросик, они раззенковываются сверлом большего диаметра. Между ними протачиваются надфилем желобки, уводящие трос заподлицо с толщиной шкива (она должна быть не менее 5 мм). Между краем диска и средним отверстием делается прорезь чуть больше, чем на половину толщины шкива. Таким образом тросик вводится сразу же внутрь желобка шкива. При среднем положении оси КПЕ точки заделки должны быть сверху.

Эскиз шкального механизма
Эскиз шкального механизма

Главный шкив и остальные ролики удобнее делать из оргстекла. Тогда, видя глубину желобка и разметку, вы сможете проточить желобки обычным треугольным напильником достаточно точно по кругу и без токарного станка. К правому промежуточному шкиву приделывается диск большего диаметра с насечкой по краям. Им можно будет производить настройку достаточно плавно. Для надежного зацепления тросик через него не просто перекидывается под прямым углом, а делается один оборот.

КАЛИБРОВКА ШКАЛЫ

Наладив шкальный механизм, попользуйтесь приемником какое-то время, легонько отмечая карандашом на соответствующих шкалах, где есть любительские телеграфные и телефонные радиопередачи, а где - вещательные. Так вы примерно сориентируетесь, где что находится. Вам важно знать, что на любительских диапазонах работать телеграфом разрешено по всему диапазону, а телефоном - только в его высокочастотной части. Поэтому станции, работающие морзянкой обычно собираются на чисто телеграфном участке. (Смешанные связи у радиолюбителей проводятся нечасто) Так, 80-метровый диапазон занимает полосу частот 3,5 - 3,8 МГц (в советское время - только до 3,65), но телефонные связи разрешены только начиная с 3,6 МГц. А потом мы все это разметим точнейшим образом.

И здесь наш простенький калибратор окажется, пожалуй даже удобнее полноценного частотомера. Воткните в антенное гнездо приемника кусок монтажного провода. Еще один кусок провода вставьте в нужное выходное гнездо калибратора. Перевейте их друг с другом на 2 - 3 витка - такой связи будет достаточно. На приемнике включите режим SSB, даже если градуируете диапазоны вещательных АМ-станций. Переменный резистор плавной настройки - в среднее положение.

Принцип, если вы уже работали с калибратором, простой: сначала находим самые крупные метки. Скажем, на упомянутом диапазоне 3,5 МГц надо сначала поискать метку 0,5 МГц. Хотя ее может и не оказаться, если вы установили диапазон по телефонному участку слишком высоковато. На 49-метровом вещательном диапазоне - 5,9 - 6,2 МГц ищите сначала точку 6 МГц с помощью выхода 2 МГц калибратора. Настраивайтесь приемником на наиболее низкий тон биений между вторым гетеродином и гармониками калибратора и ставьте метку в этой точке шкалы. Затем переходим на поиск меток через 100 кГц. Если количество меток на диапазоне оказывается больше ожидаемого - уберите паразитные метки (зеркального канала и прочие) снижением чувствительности приемника ручкой усиления ПЧ и/или аттенюатором. На ВЧ диапазонах может оказаться наоборот нужным поднять чувствительность приемника к сигналам калибратора. Тогда соединяйте его выходы прямо с антенным гнездом через конденсатор около десятка пикофарад. Потом на НЧ диапазонах можно будет поставить метки и через 50 кГц.

Ну, вот, приемник, хоть и не в полном объеме, но готов к работе. Небольшой анонс: автор планирует также снять и смонтировать видео с демонстрацией работы приемника и его органов управления с хорошей антенной на разных диапазонах и в разное время суток.