Добавить в корзинуПозвонить
Найти в Дзене
Дед клуб

Ламповый усилитель высокой частоты диапазона FM (87,5 - 108 МГЦ)

Это продолжение предыдущего поста. Усилитель был сделан для простого регенеративного приёмника, но может быть использован в других самодельных конструкциях. Его входное сопротивление 50 - 75 ом, что даёт возможность применить коаксиальный кабель и антенну с аналогичным волновым сопротивлением. Задача усилителя — уменьшить влияние антенны на настройку контура регенеративного детекторного каскада и увеличить чувствительность приёмного тракта. Я использовал такую же лампу, что и в схеме детектора. Кстати, весь приёмник включая УНЧ, можно сделать на этих лампах. Учитывая высокий уровень помех от современных бытовых приборов с импульсными преобразователями напряжения в качестве блоков питания, высшие гармоники которых засоряют эфир, я улучшил селективность входной цепи самодельного приёмника, применив фильтр сосредоточенной селекции (ФСС), настроенный на весь диапазон 87,5- 108 МГц. В этом случае отпадает надобность в двухсекционном блоке конденсаторов переменной ёмкости и их сопряжения пр

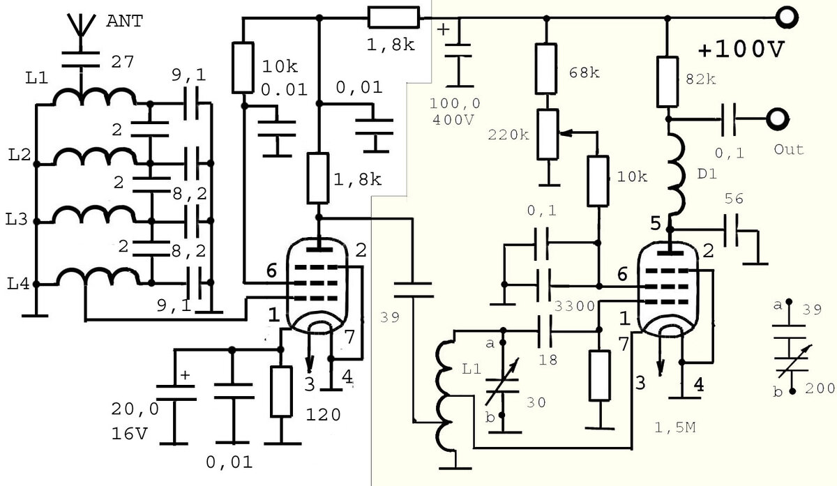
Это продолжение предыдущего поста. Усилитель был сделан для простого регенеративного приёмника, но может быть использован в других самодельных конструкциях. Его входное сопротивление 50 - 75 ом, что даёт возможность применить коаксиальный кабель и антенну с аналогичным волновым сопротивлением. Задача усилителя — уменьшить влияние антенны на настройку контура регенеративного детекторного каскада и увеличить чувствительность приёмного тракта. Я использовал такую же лампу, что и в схеме детектора. Кстати, весь приёмник включая УНЧ, можно сделать на этих лампах.

Рис. 1.  Усилитель высокой частоты и регенеративный детектор.
Рис. 1. Усилитель высокой частоты и регенеративный детектор.

Учитывая высокий уровень помех от современных бытовых приборов с импульсными преобразователями напряжения в качестве блоков питания, высшие гармоники которых засоряют эфир, я улучшил селективность входной цепи самодельного приёмника, применив фильтр сосредоточенной селекции (ФСС), настроенный на весь диапазон 87,5- 108 МГц. В этом случае отпадает надобность в двухсекционном блоке конденсаторов переменной ёмкости и их сопряжения при перестройке в широком диапазоне частот. За селективность (избирательность по соседнему каналу) теперь несёт ответственность регенеративный детектор.

Конструкция ФСС.

Фото 1.  ФСС диапазона FM.
Фото 1. ФСС диапазона FM.
Рис 2.  ФСС в программе Rfsim99.
Рис 2. ФСС в программе Rfsim99.
Фото 2.  АЧХ ФСС в программе Rfsim99.
Фото 2. АЧХ ФСС в программе Rfsim99.
Фото 3.  АЧХ фильтра на экране характериографа Х1-42.
Фото 3. АЧХ фильтра на экране характериографа Х1-42.
Фото 4.  Макет усилителя на лампе 6Ж5П.
Фото 4. Макет усилителя на лампе 6Ж5П.
Фото 5.  Макет усилителя.
Фото 5. Макет усилителя.

ФСС состоит из четырёх одинаковых катушек индуктивности, намотанных проводом диаметром 0,5 мм на оправке 7мм. Длина намотки 6,3 мм Отвод антенны сделан от второго витка катушки L1 относительно земли, а соединение с сеткой пентода от третьего витка катушки L4 относительно земли. Правда, с начала я использовал ФСС из трёх катушек индуктивности, но меня не устроила неравномерность частотной характеристики, замеренная по приборам.

А теперь о главном.

Я бы не советовал делать такой приёмник, а тем более на лампах. Но когда я приступил к его сборке, то уже не могу остановиться, и есть желание собрать полностью ламповый супер FM с отличной чувствительностью, с качественным звуком.

Но если речь идёт об усилителе высокой частоты, то для лучшего соотношения сигнала к шуму используются вакуумные триоды, включённые с общей сеткой или каскод на двойном триоде, где первый триод включён с общим катодом, а второй с общей сеткой.

Рис. 3.  УВЧ на триоде с общей сеткой.
Рис. 3. УВЧ на триоде с общей сеткой.

Рис. 4.  Каскод на триоде. Журнал Радио. 1963 02. Фрагмент усилителя высокой частоты коротковолнового приёмника с двойным преобразованием частоты.
Рис. 4. Каскод на триоде. Журнал Радио. 1963 02. Фрагмент усилителя высокой частоты коротковолнового приёмника с двойным преобразованием частоты.

И входную цепь из ФСС я сделал не зря. Для супергетеродина с двойным преобразованием частоты не перестраиваемая входная цепь упрощает регулировку приёмного тракта.

Всё. Решено. Делаю супергетеродин на лампах. Но делаю его для себя. Первая промежуточная частота 10,7 МГц, а вторая низкая промежуточная частота в районе 300 — 400 кГц. Такое решение упрощает детекторный каскад. Он будет без катушек индуктивности и выполнен по принципу импульсно счётного детектора. Я то знаю, как трудно качественно настроить частотный детектор на связанных контурах или детектор отношений (дробный детектор). Кстати, такой приёмник с двойным преобразованием частоты и низкой второй промежуточной частотой мной уже был собран на транзисторах, и он неплохо работает в течение 11 лет.

https://dzen.ru/a/ZYXdXC61wRuWknkQ