Добавить в корзинуПозвонить
Найти в Дзене

Пример расчёта переходного теплового режима по методу эквивалентных схем замещения.

Дугинов Л.А. L. duginov@mail.ru Ключевые слова: методика теплового расчёта, эквивалентные тепловые схемы, способы расчёта переходных режимов, метод контурных потоков, Mathcad-15. Введение Метод эквивалентных тепловых схем замещения может быть применён для расчёта как стационарных, так и переходных режимов. Это простой и наглядный способ расчёта довольно сложных тепловых схем замещения, особенно если применить популярную систему компьютерной математики - Mathcad, предназначенной для автоматизации решения математических задач в разных областях техники. Следует заметить, что языком реализации системы Mathcad является один из самых мощных языков высокого уровня -С++. Метод расчета на Mathcade переходного теплового процесса по эквивалентной тепловой схеме замещения В переходном режиме в отличии от стационарного режима температура тела, через которое проходит тепловой поток, всё время изменяется. При нагреве температура тела может повышаться только за счет тепловых потоков, которые поступа

Дугинов Л.А. L. duginov@mail.ru

Ключевые слова: методика теплового расчёта, эквивалентные тепловые схемы, способы расчёта переходных режимов, метод контурных потоков, Mathcad-15.

Введение

Метод эквивалентных тепловых схем замещения может быть применён для расчёта как стационарных, так и переходных режимов. Это простой и наглядный способ расчёта довольно сложных тепловых схем замещения, особенно если применить популярную систему компьютерной математики - Mathcad, предназначенной для автоматизации решения математических задач в разных областях техники. Следует заметить, что языком реализации системы Mathcad является один из самых мощных языков высокого уровня -С++.

Метод расчета на Mathcade переходного теплового процесса по эквивалентной тепловой схеме замещения

В переходном режиме в отличии от стационарного режима температура тела, через которое проходит тепловой поток, всё время изменяется. При нагреве температура тела может повышаться только за счет тепловых потоков, которые поступают и остаются в объёме нагреваемого тела. При остывании тела происходит обратный процесс за счет тепловых потоков, которые уходят из объёма остывающего тела.
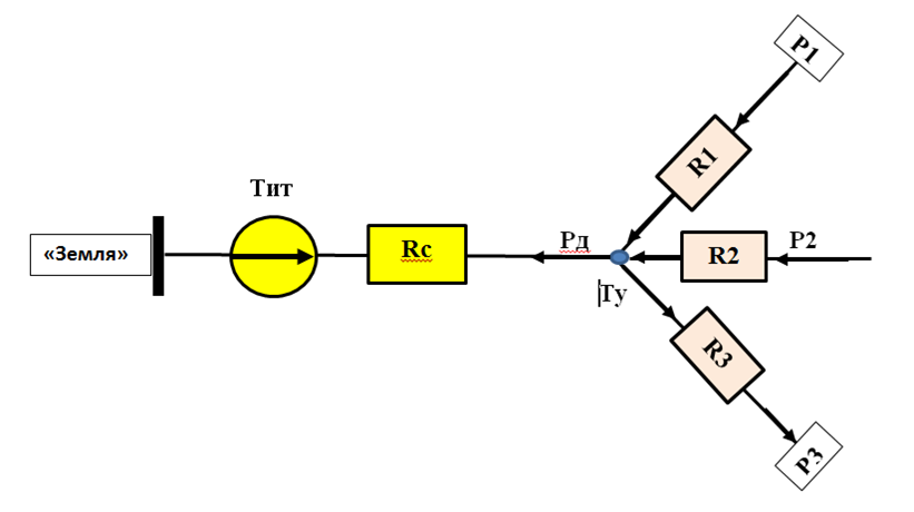
Вот этот простой механизм был смоделирован путём включения
дополнительной ветви в тепловую схему замещения, в которой рассчитывался процесс накопления тепла в теле. Данная ветвь состоит из источника температуры Тит и последовательно включённым с ним теплового сопротивления Rc (см. рис.1).
Один конец ветви подключается к намеченному узлу схемы
(центр нагреваемого тела), другой замыкается на "землю". В начальный момент переходного процесса величина Тит принимается равной температуре окружающей среды То, т.е. Тит=То. Так как температура Ту в подключаемом узле схемы в начальный момент всегда выше чем Тит, то через дополнительную ветвь начинает проходить тепловой поток Рд равный: Рд=(Ту-Тит) / Rc. Падение температуры на сопротивлении Rc должно показывать на сколько градусов увеличилась (или уменьшилась) величина Тит за данный выбранный промежуток времени dt при известных значениях величин массы Mo и удельной теплоёмкости тела Cm. Поэтому, величина Rc рассчитывается по формуле:

Рис.1 Схема подключения дополнительной ветви ( Тит+Rc)
к выбранному узлу тепловой схемы замещения.

-2
-3

Такая поправка на величину перепада температуры dT может считаться корректной если учесть, что при малых значениях временного шага dt погрешность всего теплового переходного расчёта становится менее 1 %.

-4

Ниже приводится пример расчёта на Mathcad переходного процесса нагрева
круглого стального стержня,частично опущенного в ёмкость с расплавленным алюминием при температуре
980 градусов.

-5
-6

Ниже приводится распечатка теплового расчёта в переходном режиме и для сокращения объёма информации расчёт выполнен в матричной форме.

-7
-8

-9
-10

Выводы

  1. Из всех известных способов расчёта переходных тепловых режимов, этот способ является одним из самых простых и надёжным методом решения.
  2. Данный метод может быть рекомендован для широкого круга пользователей, начиная от старшеклассников и до инженеров-проектировщиков, работа которых связана с тепловыми расчётами.

Литература

1. Гуревич Э. И. Рыбин Ю. Л. Переходные процессы в электрических машинах.-Л.: Энергоатомиздат. Ленингр.отд-ние, 1983.
2. Филиппов И.Ф. Теплообмен в электрических машинах. М.: Энергоатомиздат,1986.
3. Коздоба Л. А. Электрическое моделирование явлений тепло-и массопереноса. М., Энергия,1972.
4. Аврух В. Ю. Дугинов Л. А. Теплогидравлические процессы в турбо- и гидрогенераторах М.: Энергоиздат, 1991
5. Дьяконов В.П. Mathcad8-12 для студентов. Серия «Библиотека студента» М.; СОЛОН-Пресс, 2005.

Наука
7 млн интересуются