Добавить в корзинуПозвонить
Найти в Дзене
PROEnergy

Асинхронизированные генераторы

Асинхронизированный синхронный генератор представляет собой электрическую машину, которая, в отличие от синхронной машины имеет несколько обмоток возбуждения, размещённых на роторе. Обмотки ротора смещены в пространстве таким образом, что при подаче на них переменного тока наводится магнитное поле, вращающееся относительно ротора. Конструкция статора аналогична статору синхронных генераторов. Принципиальная схема устройства асинхронизированного синхронного генератора представлена на рисунке ниже Особенность конструкции ротора и питания его обмоток позволяет асинхронизированному генератору работать по принципу синхронного генератора при частоте вращения ротора, отличной от синхронной. В случае исполнения ротора асинхронизированной машины с двумя обмотками возбуждения последние имеют оси, сдвинутые по окружности на 90 градусов.  Количество витков обмотки возбуждения по поперечной оси генератора может быть меньше чем количество витков обмотки возбуждения по продольной оси. Такой асинхрони

Асинхронизированный синхронный генератор представляет собой электрическую машину, которая, в отличие от синхронной машины имеет несколько обмоток возбуждения, размещённых на роторе. Обмотки ротора смещены в пространстве таким образом, что при подаче на них переменного тока наводится магнитное поле, вращающееся относительно ротора. Конструкция статора аналогична статору синхронных генераторов.

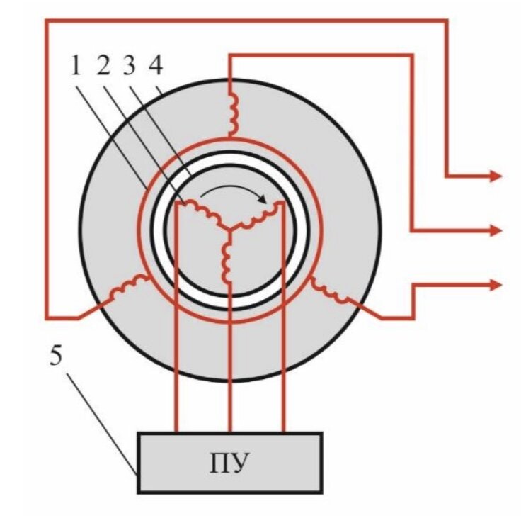
Принципиальная схема устройства асинхронизированного синхронного генератора представлена на рисунке ниже

Принципиальная схема устройства асинхронизированного синхронного генератора. 1 – обмотка статора; 2 – обмотка ротора; 3 – ротор; 4 – статор; 5 – преобразовательное устройство
Принципиальная схема устройства асинхронизированного синхронного генератора. 1 – обмотка статора; 2 – обмотка ротора; 3 – ротор; 4 – статор; 5 – преобразовательное устройство

Особенность конструкции ротора и питания его обмоток позволяет асинхронизированному генератору работать по принципу синхронного генератора при частоте вращения ротора, отличной от синхронной.

В случае исполнения ротора асинхронизированной машины с двумя обмотками возбуждения последние имеют оси, сдвинутые по окружности на 90 градусов. 

Количество витков обмотки возбуждения по поперечной оси генератора может быть меньше чем количество витков обмотки возбуждения по продольной оси. Такой асинхронизированный синхронный генератор имеет ограниченные возможности управления вектором ЭДС генератора и называется асинхронизированным генератором с управляющей обмоткой.

Для возможности устойчивой работы с малым скольжением в неуправляемом асинхронном режиме (с замкнутыми накоротко обмотками возбуждения), а также для компенсации высокочастотных полей и поля обратной последовательности в синхронном режиме ротор имеет полную демпферную обмотку, состоящую из медных проводников, уложенных в пазы под пазовые клинья, и короткозамыкающих колец из двух слоев медных листов, расположенных под бандажными кольцами. Проводники демпферной обмотки полые и охлаждаются водой аналогично обмотке возбуждения. Таким образом, демпферная обмотка является эффективным охладителем стали ротора, бандажных колец и воздуха в зазоре. Этим исключается необходимость установки вентиляторов и охладителей воздуха.

Возможность работы асинхронизированного генератора при различной (в том числе изменяющейся) частоте вращения ротора определило их распространение в качестве обратимых гидрогенераторов ГАЭС с возможностью регулирования частоты вращения ротора для достижения максимального КПД, а также в качестве генераторов ветроустановок для исключения необходимости промежуточного преобразования электроэнергии в постоянный ток из-за сложностей с реализацией точной синхронизации с электрической сетью при переменной скорости ветра и большом моменте инерции ветряного колеса.

Асинхронизированные турбогенераторы имеют следующие преимущества по сравнению с классическими синхронными генераторами:

  1. Повышенный уровень устойчивости. Эффект повышения уровня устойчивости (в первую очередь – динамической устойчивости) достигается за счет независимого управления током возбуждения в продольной и поперечной обмотках возбуждения и, как следствие – управляемого изменения угла вектора ЭДС генератора относительно напряжения на шинах статора (напряжения электрической сети).
  2. Возможность работы в режиме глубокого потребления реактивной мощности. Данное преимущество обусловлено двумя факторами. В основном, увеличенный диапазон регулирования реактивной мощности в режиме возбуждения обусловлен конструктивными особенностями статора (в том числе улучшенной прессовкой торцевых пакетов ярма статора). Однако кроме этого важным является обеспечение устойчивой работы генератора в режиме глубокого потребления реактивной мощности, что достигается независимым управлением током возбуждения в продольной и поперечной обмотках.
  3. Повышенный уровень живучести. Данный эффект характеризуется возможностью работы асинхронизированной машины в режиме классического синхронного генератора при нарушениях в работе одной из обмоток возбуждения.

Следует отметить, что асинхронизированные генераторы дороже синхронных генераторов в связи с более сложным устройством обмоток возбуждения, а также в связи с наличием специального преобразовательного устройства для их питания.