Найти в Дзене
Дед клуб

Эпоха сверхрегенеративных УКВ приёмников периода 1930 - 1941 годов

Я охватил период с 1930 до 1941 годов. Возможно, история будет пополняться другими схемами. "Ультракороткие" Так называется заголовок в журнале "Радиолюбитель" за 1930 г. В статье  рассматривается пример приёмника, выполненного по двухтактной схеме с суперрегенерацией.  Я понял, что так сначала называли сверхрегенеративные детекторные каскады. Это схема приёмника уже была в ленте, но напечатана она в журнале "Радиолюбитель в 1930 г. 07-08. Отличие приёмника только в конструкции. Приёмник и передатчик на УКВ. Статья была написана в 1930  году в журнале «РАДИОфронт», 1930 г. 22  спустя полтора года после проведения опытов по радиосвязи между передатчиком и приёмником. В журнале подробно описана конструкция и приёмника и передатчика. Журнал «РАДИОфронт» 1930 г.  23 24. «Как известно, станция им. Попова производит передачи ультракороткими волнами (на волне 684 см). Для приёма её передач нами сконструирован специальный приёмник (рисунок 3), который и предлаг
Оглавление

Я охватил период с 1930 до 1941 годов. Возможно, история будет пополняться другими схемами.

Фото  1.  Журнал Радиофронт.
Фото 1. Журнал Радиофронт.

"Ультракороткие"

Так называется заголовок в журнале "Радиолюбитель" за 1930 г. В статье  рассматривается пример приёмника, выполненного по двухтактной схеме с суперрегенерацией.  Я понял, что так сначала называли сверхрегенеративные детекторные каскады.

Рис.1.
Рис.1.

Это схема приёмника уже была в ленте, но напечатана она в журнале "Радиолюбитель в 1930 г. 07-08. Отличие приёмника только в конструкции.

Фото 2.
Фото 2.

Приёмник и передатчик на УКВ.

Рис. 2. Радиофронт 1930 22.
Рис. 2. Радиофронт 1930 22.

Статья была написана в 1930  году в журнале «РАДИОфронт», 1930 г. 22  спустя полтора года после проведения опытов по радиосвязи между передатчиком и приёмником. В журнале подробно описана конструкция и приёмника и передатчика.

У-К-волновой приёмник для приёма ст. «Попова".

Рис. 3. Радиофронт 1930 23 24.
Рис. 3. Радиофронт 1930 23 24.

Журнал «РАДИОфронт» 1930 г.  23 24. «Как известно, станция им. Попова производит передачи ультракороткими волнами (на волне 684 см). Для приёма её передач нами сконструирован специальный приёмник (рисунок 3), который и предлагается вниманию радиолюбителей-коротковолновиков. Первая лампа сверхрегенеративный детектор. Вторая – генерирует вспомогательную частоту. Третья лампа – усилитель низкой частоты». (634 см соответствует 43,9 МГц).
В то же время аналогичная схема приёмника с усилителем низкой частоты (Рис. 4) и без него приводилась в журнале "Радиолюбитель" 1930 г. Статья называется "Как принять передачи ультракоротковолновой радиостанции имени А. С. Попова".

Рис. 4. Журнал Радиолюбитель. 1930.
Рис. 4. Журнал Радиолюбитель. 1930.

Приёмник для УКВ.

Рис. 5. 1930 28 29. Сверхрегенеративный приёмник. Радиофронт 1930 28 29.
Рис. 5. 1930 28 29. Сверхрегенеративный приёмник. Радиофронт 1930 28 29.

Журнал «РАДИОфронт». 1930 г. 28 29. В статье описан приёмник для частоты около 60 МГц.

Работа на 4 м в городе.

Рис. 6. Радиофронт 1935 13.
Рис. 6. Радиофронт 1935 13.

Журнал «РАДИОфронт» 1935 г. 13. Приводятся схема передатчика и сверхрегенеративного приёмника (0 - V - 1) на частоту 75 МГц. Описаны опыты проведения радиосвязи с разными антеннами  в черте города.

Карманная УКВ рация.

Рис. 7. Радиофронт 1937 13.
Рис. 7. Радиофронт 1937 13.

Конструкция миниатюрной радиостанции на 56 МГЦ американского радиолюбителя W3CS. Приёмник практически не отличается от передатчика. Если внести необходимую коммутацию, превращая усилитель для головных телефонов в усилитель для микрофона, то получится радиостанция Уоки-Токи. Журнал «РАДИОфронт» 1937 г. 13. Стр. 25.

УКВ установка.

Рис. 8. 1940 03 04 Журнал Радиофронт.
Рис. 8. 1940 03 04 Журнал Радиофронт.
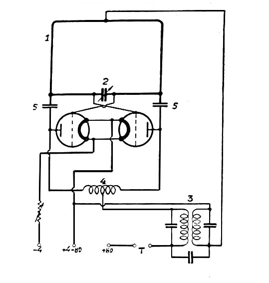
Перечень элементов.
Перечень элементов.

Журнал «РАДИОфронт»  1940 г. 03 04 стр. 27. Приёмник сверхрегенеративного типа по схеме 0 - V -2 (первая лампа сверхрегенератор, усилитель звуковой частоты на двух лампах). Диапазон 43 - 67 МГц.

Сверхрегенератор на КВ и УКВ.

Рис. 9. Радиофронт 1941 09.
Рис. 9. Радиофронт 1941 09.

Журнал «РАДИОфронт» 1941 г. 09. Приёмник выполнен по схеме 1- V – 2. В качестве детектора используется сверхрегенератор. Диапазон 30 – 60 МГц.

УКВ - адаптер.

Рис. 10. Радиофронт 1940 05 06.
Рис. 10. Радиофронт 1940 05 06.

Журнал "РАДИОфронт" 1940 г. 05 06. "Конструкция адаптера чрезвычайно проста." Используется лампа 6Ж7.

Перечень элементов.
Перечень элементов.