Найти в Дзене
АЛАЕВ

Сборка фильтра сетевого питания для аудиоаппаратуры (версия 2)

Тема фильтрации питания для аудиоаппаратуры уже обсуждалась на моем канале. Интересующихся я приглашаю посмотреть вот эти публикации: Сборка малогабаритного фильтра сетевого питания на основе DIY-модулей унифицированных размеров Фильтр сетевого питания для аудиоаппаратуры - АУДИОТУР Сегодня я продолжаю работать с DIY-модулями унифицированных размеров и хочу рассказать о весьма интересной сборке фильтра, которая получила название "вер. 2" (ничего умнее я не придумал), так как была логическим продолжением тех наработок, которые были получены после весьма успешного применения фильтра сетевого питания первой конструктивной версии сборки. После АудиоТура стало очевидно, что двух запараллеленых розеток для фильтра сетевого питания точно недостаточно и нужно не только увеличивать количество выходных розеток, но и делать развязку между ними. Создавать сразу огромного монстра на уйму розеток я опасался, поэтому было решено сделать три выходных розетки, "развязанных" друг относительно друга не
Фильтр сетевого питания для аудиоаппаратуры (вер. 2)
Фильтр сетевого питания для аудиоаппаратуры (вер. 2)

Тема фильтрации питания для аудиоаппаратуры уже обсуждалась на моем канале. Интересующихся я приглашаю посмотреть вот эти публикации:

Сборка малогабаритного фильтра сетевого питания на основе DIY-модулей унифицированных размеров

Фильтр сетевого питания для аудиоаппаратуры - АУДИОТУР

Сегодня я продолжаю работать с DIY-модулями унифицированных размеров и хочу рассказать о весьма интересной сборке фильтра, которая получила название "вер. 2" (ничего умнее я не придумал), так как была логическим продолжением тех наработок, которые были получены после весьма успешного применения фильтра сетевого питания первой конструктивной версии сборки.

После АудиоТура стало очевидно, что двух запараллеленых розеток для фильтра сетевого питания точно недостаточно и нужно не только увеличивать количество выходных розеток, но и делать развязку между ними. Создавать сразу огромного монстра на уйму розеток я опасался, поэтому было решено сделать три выходных розетки, "развязанных" друг относительно друга не только по цепям питания, но и по шине заземления. Было решено применить фирменные выходные розетки. Также относительно предыдущей сборки не хватало измерителя-индикатора параметров сети. Светодиодный индикатор питания воспринимался бы слишком просто. А вот от модуля подавления постоянной составляющей сети я решил отказаться в этой конструкции. Это связано с тем, что я уже заранее знал состав аппаратуры Заказчика и в его конфигурации применять фильтр DC не имело никакого смысла. Разобравшись со структурой модулей фильтра сетевого питания они были перенесены на блок-схему для лучшего понимания и восприятия проекта.

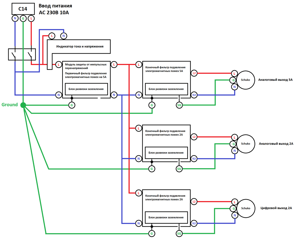
Ниже представлена блок-схема фильтра сетевого питания (вер. 2).

Блок-схема фильтра сетевого питания для аудиоаппаратуры (вер. 2)
Блок-схема фильтра сетевого питания для аудиоаппаратуры (вер. 2)

Предполагалось, что будет один силовой выход на нагрузку до 1 кВт (5 А), например, для питания усилителя мощности, один стандартный выход для питания аналоговых цепей до 2 А (400 Вт), например, проигрыватель винила, CD-проигрыватель и тому подобное и один стандартный выход для питания цифровых устройств до 2 А (400 Вт), например, медиаплееры, цифровые стримеры и прочее оборудование, работающее с импульсными блоками питания.

Под запланированную конфигурацию был разработан проект корпуса, позволяющий установить в один ряд четыре независимых DIY-модуля.

Проект корпуса фильтра сетевого питания для аудиоаппаратуры (вер. 2)
Проект корпуса фильтра сетевого питания для аудиоаппаратуры (вер. 2)

Вскоре по проекту был изготовлен первый прототип корпуса, который потом пошел в небольшую серию.

В качестве измерителя параметров сетевого питания я решил применить продукцию китайской фирмы peacefair, которая весьма неплохо зарекомендовала себя в области измерений переменных токов, напряжений, мощности и их всяческого контроля и учета.

В конструктив нового корпуса я заложил типоразмер измерителей тока и напряжения PZEM-026 с отображением параметров на ЖК-индикаторе с подсветкой желто-оранжевого цвета (янтарной).

С помощью аккуратной кнопочки “KEY”, расположенной на лицевой панели измерителя PZEM-026, подсветку можно отключить (ночной режим) ну или если не нужно, чтобы фильтр сетевого питания перетягивал на себя все внимание пользователя во время работы. Состояние подсветки (включено/выключено) запоминается в энергонезависимой памяти и после обесточивания индикатор включится в ранее сохраненном режиме, что весьма удобно!

Измеритель тока и напряжения имеет функцию градуировки и может быть подстроен под показания эталонного измерителя (при необходимости).

ЖК-измеритель переменного напряжения и тока с выключенной подсветкой
ЖК-измеритель переменного напряжения и тока с выключенной подсветкой

Технические характеристики измерителя тока и напряжения PZEM-026, заявленные производителем:

  1. Диапазон измерений сетевого напряжения, В: от 40 до 400 VAC;
  2. Точность измерения сетевого напряжения: ±1%;
  3. Диапазон измерений потребляемого тока, А: от 0 до 10 А;
  4. Точность измерения потребляемого тока: ±1%.

Для сборки фильтра сетевого питания я использовал DIY-модули собственного производства, о которых рассказывал ранее:

В первую очередь собираются сами DIY-модули в соответствии с запланированной конфигурацией фильтра сетевого питания. Осуществляется примерка и расстановка их правильного пространственного положения внутри корпуса.

Примерка расположения DIY-модуля внутри корпуса фильтра сетевого питания
Примерка расположения DIY-модуля внутри корпуса фильтра сетевого питания
Примерка расположения DIY-модулей внутри корпуса фильтра сетевого питания
Примерка расположения DIY-модулей внутри корпуса фильтра сетевого питания

После того, как все модули фильтра сетевого питания изготовлены, можно приступать к окончательному монтажу, подключению выходных розеток, измерителя тока и напряжения PZEM-026 и прочих элементов конструкции.

DIY-модули подготовлены к монтажу внутри корпуса фильтра сетевого питания
DIY-модули подготовлены к монтажу внутри корпуса фильтра сетевого питания

В качестве выходных розеток я применил продукцию фирмы Schneider Electric!

О муках выбора подходящих выходных розеток была написана отдельная публикация, с которой вы можете ознакомиться здесь: "Большой обзор накладных розеток, используемых для аудио и не только".

Выходные розетки фирмы Schneider Electric
Выходные розетки фирмы Schneider Electric

Ножки для фильтра сетевого питания я установил золотистого цвета. Хотелось, чтобы они гармонично смотрелись с янтарной подсветкой ЖК-дисплея. Ножки металлические алюминиевые анодированные золотистым цветом.

Резиновое кольцо по периметру ножек обеспечивает хорошую фиксацию фильтра на рабочей поверхности. Цепляется за поверхность очень хорошо и держится весьма устойчиво! Большего от них особо и не требуется.

Ну а теперь самое интересное - монтаж DIY-модулей и окончательная сборка устройства!

Устанавливаем входной разъем (инлет/inlet) для подключения питающего напряжения переменного тока. В составе входного разъема имеется выключатель основного питания и защитный предохранитель.

Входной разъем для подключения питающего напряжения переменного тока
Входной разъем для подключения питающего напряжения переменного тока

Звездой разводим цепи подключения защитного заземления.

Подключение цепей защитного заземления по схеме "звезда"
Подключение цепей защитного заземления по схеме "звезда"

Расставляем DIY-модули фильтра сетевого питания согласно ранее определенной конфигурации и осуществляем их монтаж.

После подключения всех входных цепей DIY-модулей проводим проверку на работоспособность. Убеждаемся, что все цепи подключены в соответствии с принципиальной схемой!

Соблюдаем технику безопасности при работе с электрооборудованием!

Остается последний штрих - подключение выходных розеток!

Обращаю особое внимание, что клеммы заземления выходных розеток подключены к соответствующим выходам изоляторов заземления, расположенных на модулях конечной фильтрации, а не напрямую к входной клемме защитного заземления!

Для визуального разделения розеток по нагрузочной способности я применил розетки разных цветовых исполнений:

  • сильноточный аналоговый выход на 5 А (черная розетка);
  • стандартный аналоговый выход на 2 А (синяя розетка);
  • стандартный цифровой выход на 2 А (синяя розетка).

Выходные розетки и модули на 2 А в данной конфигурации равноправные и не имеют какого-либо приоритета друг перед другом.

В конечном итоге получился фильтр сетевого питания для аудиоаппаратуры, который представлен на фотографиях ниже.

В качестве итога я кратко объединю его параметры и характеристики в небольшое заключение.

Сетевой фильтр имеет:

  • цепи защиты от импульсных перенапряжений;
  • первичный фильтр подавления электромагнитных помех, обеспечивающий предварительное (первичное) подавление синфазной и дифференциальной помехи;
  • конечные фильтры подавления электромагнитных помех (5 А, 2 А, 2 А), обеспечивающие окончательное подавление синфазных и дифференциальных помех с помощью мощных проходных дросселей и двух последовательных выходных ступеней фильтрации, выполненных с помощью синфазных дросселей.

В сетевом фильтре применены высококачественные комплектующие известных производителей:

  • индуктивные компоненты фирм Wurth, Bourns и Murata;
  • конденсаторы Х-типа - Epcos и Kemet, конденсаторы Y-типа – Murata;
  • варисторы, разрядники фирмы Epcos;
  • плавкие быстродействующие предохранители фирмы Siba;
  • выходные розетки фирмы Schneider Electric.

Технические характеристики:

  • сетевой фильтр рассчитан на подключаемую нагрузку мощностью не более 1000 Вт (1 кВт) или выходной ток не более 5 А;
  • варисторы EPCOS, обеспечивают эффективную защиту от импульсных всплесков напряжений, поглощаемая энергия 140 Дж, время срабатывания не более 25 нс;
  • разрядники EPCOS, обеспечивают эффективную защиту от грозовых и электростатических разрядов, импульсный ток разряда 8/20 мкс – 20 кА, время срабатывания порядка 100 нс;
  • плавкий быстродействующий предохранитель SIBA обеспечивает размыкание цепи в течение приблизительно 10 мс.

Все подключения осуществляются на задней панели фильтра.
Индикатор выходного напряжения и тока с янтарной подсветкой. Подсветка может быть выключена (состояние запоминается и воспроизводится при последующем включении). Фильтр установлен на симпатичные ножки золотистого цвета с демпфирующими резиновыми кольцами, обеспечивающими устойчивость фильтра на любой поверхности.