Найти в Дзене
АЛАЕВ

Большой обзор накладных розеток, используемых для аудио и не только

Речь пойдет о накладных розетках форм-фактора 50 мм. Это унифицированный размер и различные производители придерживаются его, за что им огромное спасибо! В обзоре будут представлены следующие производители розеток: Ниже представлен чертеж розеток фирмы PCE (Австрия), все остальные розетки во многом похожи по своим габаритным размерам и легко заменяются "одни" на "другие" за счет унифицированного посадочного места под них. После сборки первых образцов фильтров сетевого питания, я озадачился вопросом подбора оптимальных для применения накладных розеток. Я начал свои поиски и пробные закупки, потому что пока не попробуешь сам - не узнаешь наверняка. Те розетки (NoBrand), которые я применил в первых версиях фильтра, в целом вполне функциональные при аккуратном обращении, но их качество все равно оставляет желать лучшего. Под аккуратным обращением я понимаю процесс их монтажа и электрического подключения к устройству. По моим впечатлениям они имеют достаточно мягкий материал, и если немн

Речь пойдет о накладных розетках форм-фактора 50 мм.

Это унифицированный размер и различные производители придерживаются его, за что им огромное спасибо!

В обзоре будут представлены следующие производители розеток:

  • Schneider Electric (Австрия);
  • IEK (Турция);
  • PCE (Австрия);
  • Rexant (неизвестно, предположительно Китай);
  • ABL (Германия);
  • YuaDon (Китай);
  • Furutech (Япония/Китай).

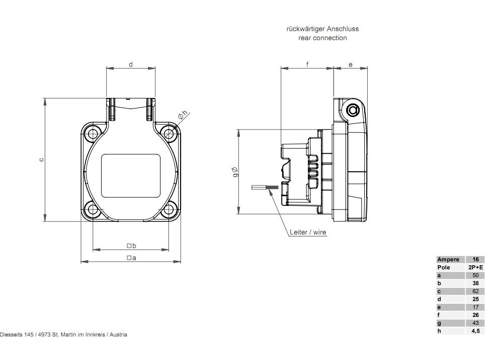
Ниже представлен чертеж розеток фирмы PCE (Австрия), все остальные розетки во многом похожи по своим габаритным размерам и легко заменяются "одни" на "другие" за счет унифицированного посадочного места под них.

Чертеж розетки PCE-16A-250V-2P-E-IP54 (Австрия)
Чертеж розетки PCE-16A-250V-2P-E-IP54 (Австрия)

После сборки первых образцов фильтров сетевого питания, я озадачился вопросом подбора оптимальных для применения накладных розеток. Я начал свои поиски и пробные закупки, потому что пока не попробуешь сам - не узнаешь наверняка. Те розетки (NoBrand), которые я применил в первых версиях фильтра, в целом вполне функциональные при аккуратном обращении, но их качество все равно оставляет желать лучшего.

Под аккуратным обращением я понимаю процесс их монтажа и электрического подключения к устройству. По моим впечатлениям они имеют достаточно мягкий материал, и если немного переусердствовать и попытаться закрутить винты посильнее (для обеспечения наилучшего контакта), то можно сорвать резьбу и привести розетки в полную негодность. Для себя я решил, что больше такие (NoBrand) розетки устанавливать не буду, так как пользователи бывают разные, а задача обеспечения надежности подключения целиком ложится на мои плечи, как разработчика данного продукта.

На фото ниже представлены первые примененные мной розетки китайского производства (NoBrand).

Мне удалось закупить накладные розетки различных производителей, потестировать их и оценить возможность их дальнейшего применения в своих проектах.

Ну а теперь ближе к делу и обо всем по порядку!

1. Розетки австрийской фирмы Schneider Electric.

Розетки австрийской фирмы Schneider Electric
Розетки австрийской фирмы Schneider Electric

Розетки очень хорошего качества!!! Нравится мне в них почти все. Мне попадались в продаже черного и синего цветов. Немного смущает синий цвет. Как-то он пока выбивается из привычной цветовой гаммы для аппаратуры, но, возможно, нужно просто привыкнуть. Продаются без уплотнителя для корпуса и крышки. Во всем остальном розетки очень хороши!!! Купить их сейчас практически невозможно, ну или сложно. Придется применять различные обходные пути.

Стоит отметить, что только у розеток Schneider Electric я видел в строке заказа выбор направления отходящих проводов. Возможно приобретение розеток по следующим артикулам:

  • Розетка силовая 10/16А 50х50мм винты сбоку IP54 черн. SchE PKS52N
  • Розетка силовая 10/16А 50х50мм винты сзади IP54 черн. SchE PKS51N
Разные исполнения розеток фирмы Schneider Electric
Разные исполнения розеток фирмы Schneider Electric

Та, что слева - называется винты сбоку, т.е. выход проводов строго назад.
Та, что справа - называются винты сзади, т.е выход проводов строго вниз.

Качественный пластик. Качественные резьбовые соединения - сорвать резьбу обычным усилием не получится! Прижимные металлические пластины имеют рифленую поверхность, которая врезается в обжимаемый металл для обеспечения наилучшего контакта и исключения проскальзывания (механических перемещений поджимаемого проводника внутри розетки).

Я применял розетки фирмы Schneider Electric для фильтра сетевого питания второй версии сборки и остался очень доволен!!! Небо и земля по сравнению с китайским (NoBrand).

Розетки австрийской фирмы Schneider Electric в фильтре сетевого питания (вер. 2)
Розетки австрийской фирмы Schneider Electric в фильтре сетевого питания (вер. 2)
Мой личный рейтинг розеток Schneider Electric: 9 из 10.

2. Розетки IEK.

Розетки фирмы IEK
Розетки фирмы IEK

Розетки изготавливаются в Турции. На вид - розетки как розетки. Вот как выглядят, так и стОят. Вполне функциональны при аккуратном обращении. Винты средней крепости, прижимные металлические пластины рифленой поверхности не имеют. Есть различные цветовые решения (черные, белые, синие). Продаются в комплекте с резиновым уплотнителем, причем резиновый уплотнитель есть как на корпусе, так и под открывающейся крышкой! Отлично подойдут для работы на улице, в переносках, где возможно попадание пыли, влаги и мусора.

Не планирую их использовать для аудио и рекомендовать тоже не стану. Эти розетки были отправлены в мастерскую для применения в общехозяйственных нуждах.

Мой личный рейтинг розеток IEK: 6 из 10.

3. Розетки австрийской фирмы PCE.

На мой вкус розетки очень хорошего качества! Возможно лучшие по соотношению цена/качество. Резьбовые соединение хорошие и без сверхусилий резьбу не сорвать. Резиновых уплотнителей не имеют. Продаются в различном цветовом исполнении, мне попадались красные, черные, синие. Металлические прижимные пластины имеют неярковыраженную рифленую поверхность.

Я применял розетки австрийской фирмы PCE для фильтра сетевого питания третьей и четвертой версий сборки и остался очень доволен!!!

Мой личный рейтинг розеток PCE: 8 из 10.

4. Розетки Rexant.

Розетки фирмы Rexant
Розетки фирмы Rexant

Я бы их поставил на ровне с розетками IEK или даже чуточку ниже. Одна ценовая категория и приблизительно одинаковое качество исполнения. Внешний вид у них хуже, непрезентабельные, какие-то пошарпанные. Винты слабые, резьбу легко можно сорвать при закручивании, прижимные металлические пластины рифленой поверхности не имеют. Продаются в комплекте с резиновым уплотнителем, резиновый уплотнитель есть как на корпусе, так и под открывающейся крышкой.

Не планирую их использовать для аудио и рекомендовать тоже не стану. Эти розетки также были отправлены в мастерскую для применения в общехозяйственных нуждах.

Мой личный рейтинг розеток Rexant: 5 из 10

5. Розетки немецкой фирмы ABL.

Розетки немецкой фирмы ABL
Розетки немецкой фирмы ABL

На мой вкус очень достойный вариант! Очень понравилось качество пластика. Винтовые соединения надежные, замечаний нет. У них своеобразное нижнее подключение клемм, пока не знаю, насколько это будет удобно при монтаже в корпусе прибора - нужно пробовать! Цвет черный, что очень нравится. Дизайн тоже радует! Они сильно отличаются от всех остальных розеток и их невозможно спутать с производителями других фирм. Резиновых уплотнителей не имеют. Обязательно поставлю эти розетки в будущем, если представится такая возможность!

К сожалению, мне не удалось купить их в достаточном количестве, чтобы применить в каком-нибудь из проектов. Зато удалось составить общее впечатление. Если эти розетки появятся в продаже, то однозначно я их рекомендую к покупке.

Мой личный рейтинг розеток ABL: 8 из 10

6. Розетки китайской фирмы YuaDon.

Розетки китайской фирмы YuaDon
Розетки китайской фирмы YuaDon

Весьма неплохие розетки из Поднебесной. По своему качеству ничем не хуже IEK или Rexant. На мой вкус они даже лучше за счет весьма мощных контактов для подключения, нехарактерных для розеток из Китая. Есть резиновый уплотнитель для корпуса. Из минусов - весьма непрезентабельный внешний вид. Им не хватает какой-то строгости или изысканности. Плохо обработаны кромки пластикового корпуса, из-за этого они смотрятся просто и дешево, поэтому я поостерегся их применять в каком-либо из своих проектов. И опять этот синий цвет, к которому я никак не могу привыкнуть! Эти розетки также были отправлены в мастерскую для применения в общехозяйственных нуждах.

Мой личный рейтинг розеток YuaDon: 6 из 10

7. Розетки Legrand.
Известная фирма-производитель
Legrand сравнительно бюджетных вилок/розеток и других товаров народного потребления. Я искал розетки этой фирмы, но увы… То ли искал плохо, то ли они не делают розеток нужного мне форм-фактора. Поэтому в обзоре данный производитель не представлен. Не нашел…

8. Розетки Furutech.

Розетки фирмы Furutech
Розетки фирмы Furutech

Furutechяпонская компания, основанная в далеком 1988 году, специализируется на производстве высококачественных аудио-видео компонентов и аксессуаров для Hi-Fi и High End систем. Одним из ключевых направлений компании является производство розеток питания, кабелей, коннекторов и других продуктов, связанных с передачей аудио сигнала. Розетки от Furutech известны своим высоким качеством сборки и материалов, а также вниманием к мельчайшим деталям, связанным с минимизацией шумов и помех при передаче электрического сигнала.

Согласно заявлениям производителя:

  • в розетках используются контакты из чистой меди или даже золота, чтобы минимизировать сопротивление и обеспечить максимальную проводимость;
  • корпуса изготавливаются из специальных материалов, таких как углеродное волокно или алюминий, которые помогают снизить электромагнитные помехи и улучшить стабильность работы системы;
  • технология Furutech Alpha включает обработку поверхности контактов, которая улучшает передачу сигнала за счет уменьшения окисления и улучшения контакта между поверхностями;
  • модель FI-E30 NCF с использованием технологии Nano Crystal Formula, обеспечивает улучшенную фильтрацию и защиту от помех;
  • розетки разработаны таким образом, чтобы обеспечивать удобное подключение и отключение устройств без риска повреждения разъемов;
  • розетки Furutech имеют стильный внешний вид и элегантный дизайн.

Продукты Furutech пользуется популярностью среди аудиофилов и профессионалов в области звука благодаря своей надежности, качеству изготовления и способности улучшать качество воспроизведения музыки.

В общем, бальзама на душу много! Цена у розеток соответствующая!

Возможно, я ошибаюсь, но мне кажется, что по соотношению цена/качество они необоснованно дорогие (речь идет о оригинальных Furutech).

Я весьма осмысленно всегда остерегался розеток от Furutech, так как это раскрученный бренд и китайцы умело выпускают подделки!

Возникает вопрос, что лучше?

Китайский клон Furutech, который стоит как розетка от оригинального производителя, например, Schneider Electric или ABL, или все же оригинальная неподдельная розетка, например, австрийского производства (PCE, Schneider Electric)? Мне удалось покрутить в руках оригинальные розетки PCE, Schneider Electric, ABL и с инженерной точки зрения точно знаю, что австрийцы и немцы знают свою работу и делают ее хорошо. Мне не к чему там придраться и душа спокойна, так как китайцы еще не догадались подделывать эти модели!

Сейчас рынок завален розетками с эмблемой Furutech, которые штампует Китай. Я уверен, что это клоны, а не оригинальная японская продукция!

Я приглядывался к ним и мне показалось, что даже клоны Furutech сейчас не такие уж и плохие. Возможно, они не бездумно копируют розетки, а придерживаются какой-нибудь технологии производства. Поэтому было решено их заказать и попробовать в деле. Сейчас на стадии изготовления фильтр сетевого питания версии 5. Вот в его составе я и планирую их применить и опробовать функциональность.

Пока я не готов сделать какой-либо практический вывод по поводу розеток Furutech из Китая, могу сказать лишь, что визуально они вполне аккуратно сделаны. Винтовые соединения выглядят надежными. Розетки не имеют закрывающей крышки, как это было у всех предыдущих моделей.

Общий вывод по моему исследованию розеток:
Я сделал пробные закупки достаточно большой партии розеток, чтобы попробовать и выбрать лучшее на будущее. Все представленные розетки в той или иной степени могут выполнять возлагаемые на них функции. Кто-то с этим справляется лучше, чем другие. Я для себя отметил трех производителей:
Schneider Electric (Австрия), ABL (Германия) и PCE (Австрия). Согласно моим требованиям, которые я предъявляю к данной продукции, - это самые достойные претенденты для применения в устройствах, осуществляющих питание, фильтрацию, распределение сетевого напряжения.

Также стоит отметить, что на данный момент к приобретению доступны только PCE (Австрия), купить розетки других производителей не представляется возможным. Китайские клоны Furutech куплены из любопытства, и я склонен думать, что в любом случае, оригинальные PCE (Австрия) будут лучше, чем поддельные Furutech (Китай). Сейчас это мои догадки, которые мне предстоит проверить на практике.