Добавить в корзинуПозвонить
Найти в Дзене
Старый радио любитель

Гетеродин с подставкой.

Проблема стабильного гетеродина для связных приемников всегда была актуальна и решалась разными способами. Одним из таких способов являлось использование "подставки", т.е. кварцевого генератора, частота которого смешивалась с частотой другого перестраиваемого генератора. Блок схема такого гетеродина будет такая. G1 - перестраиваемый генератор, G2 - кварцевый генератор, U1 - смеситель, желательно балансный, Z1 выделяет суммарный сигнал, A1 - выходной усилитель или эмиттерный повторитель. Допустим, что нужно сделать ГПД для диапазона 28,0 -28,5 МГц при промежуточной частоте 5 МГц. Частота гетеродина в этом случае должна изменяться в диапазоне 23,0-23,5 МГц. В этом случае, даже если стабильность частоты будет +/-10^-6, то дрейф частоты может составить почти 50 Гц. Сделать LC-генератор с такой стабильностью можно, но не на коленке :)), а у обычного генератора стабильность будет на порядок ниже, т.е. 10^-5, и дрейф частоты будет уже около 500 Гц. Это даже для телеграфа многовато, не говоря

Проблема стабильного гетеродина для связных приемников всегда была актуальна и решалась разными способами. Одним из таких способов являлось использование "подставки", т.е. кварцевого генератора, частота которого смешивалась с частотой другого перестраиваемого генератора. Блок схема такого гетеродина будет такая.

Рис. 1.
Рис. 1.

G1 - перестраиваемый генератор, G2 - кварцевый генератор, U1 - смеситель, желательно балансный, Z1 выделяет суммарный сигнал, A1 - выходной усилитель или эмиттерный повторитель.

Допустим, что нужно сделать ГПД для диапазона 28,0 -28,5 МГц при промежуточной частоте 5 МГц. Частота гетеродина в этом случае должна изменяться в диапазоне 23,0-23,5 МГц. В этом случае, даже если стабильность частоты будет +/-10^-6, то дрейф частоты может составить почти 50 Гц.

Сделать LC-генератор с такой стабильностью можно, но не на коленке :)), а у обычного генератора стабильность будет на порядок ниже, т.е. 10^-5, и дрейф частоты будет уже около 500 Гц. Это даже для телеграфа многовато, не говоря уже о цифре. Что же делать? Все просто, нужно взять перестраиваемый LC-генератор на сравнительно низкую частоту, например 5 МГц, тогда при стабильности 10^-5 уход частоты не будет превышать 100 Гц. Такой генератор достаточно просто сделать, о чем я писал в своей статье.

Теперь нужен кварц на частоту 18 МГц, Так ка эти резонаторы у дядюшки Ху встречаются редко, то можно взять распространенный резонатор 6 МГц и возбудить его на 3-й гармонике. Можно пойти другим путем: взять кварц на 16,9344 МГц (такие есть), а частоту перестраиваемого генератора поднять на 1,1 МГц.

Конструкции генераторов и смесителя могут быть различными. В качестве смесителя можно использовать кольцевой балансный на диодах или микросхему типа SA612, на которой можно собрать и кварцевый генератор.

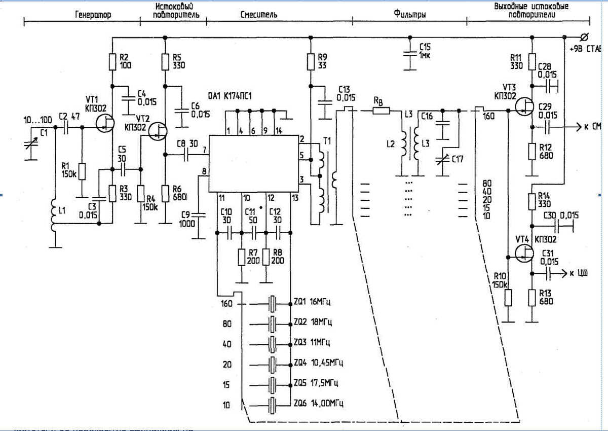
Два этих сигнала подаем на смеситель и на выходе выделяем сигнал с суммарной частотой. Примером может служить вот такая схема, которая печаталась, по-моему, в Радиолюбителе, но я нашел ее в интернете на сайте https://id.pinterest.com/pin/591941944774909848/.

Рис. 2. С сайта https://id.pinterest.com/pin/591941944774909848/
Рис. 2. С сайта https://id.pinterest.com/pin/591941944774909848/

В этой схеме перестраиваемый генератор собран по схеме емкостной трехточки на полевом транзисторе VT1, на VT2 собран истоковый повторитель, с выхода которого сигнал поступает на вход смесителя на К174ПС1, на ней же собран и кварцевый генератор. С выхода смесителя сигнал поступает на полосовой фильтр, состоящий из одного контура, с которого сигнал снимается на два истоковых повторителя. С выхода одного повторителя сигнал подается на смеситель приемника или трансивера, а с другого - на цифровую шкалу.

Увы, за стабильность приходится платить сложностью схемы и большим количеством переключаемых контактов.

Очень интересную идею предлагает запорожский радиолюбитель-конструктор Сергей Григорьевич Дылда (US5QBR), которая заложена в конструкции его ГПД для приемника прямого преобразования.

Рис. 3.  С сайта https://us5qbr.blogspot.com/2021/03/blog-post.html
Рис. 3. С сайта https://us5qbr.blogspot.com/2021/03/blog-post.html

В этой схеме генераторы собраны на цифровых схемах 74АС14, а балансный смеситель на ключах 74НС4066. На выходе смесителя контур выделяет полосу частот от 28 до 29 МГц, который затем усиливается первым элементом DD3, а другие два элемента формируют импульсы, которые потом делятся микросхемой DD2.

Мне здесь нравится возможность переключать сигналы кварцевого генератора с помощь. цифровых элементов, а не релюшками или галетником, примерно вот так.

Рис. 4.
Рис. 4.

Здесь переключателями являются элементы И-НЕ. На один из входов каждого элемента подается меандр от кварцевых генераторов, а другие входы притянуты к общему проводу через резисторы, т.е. на них подан логический 0. В таком состоянии они не пропускают импульсы от генераторов на выходы и на них присутствует высокий логический уровень. Для разрешения прохода импульсов от генераторов нужно подать на другой вход элемента высокий логический уровень (контакты 1 - 3).

Вот такие идеи. Попробую сделать гетеродин с подставкой для приемника на 28 МГц, но по своей схеме. Ведь это раньше при дефиците деталей нужны были переключатели, а сейчас на каждый диапазон можно сделать свой кварцевый генератор, смеситель т. д.

Всем здоровья и успехов!